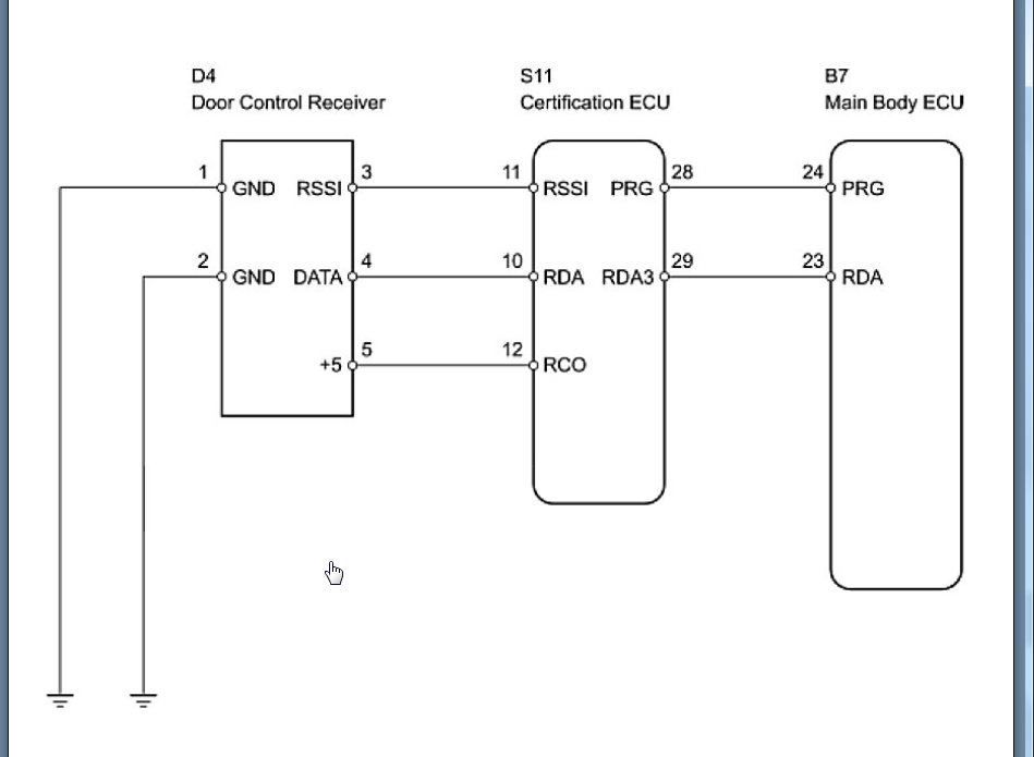
I just replaced the 12v battery, which was entirely drained despite having been purchased in April of last year, and the same symptoms are still present. In addition, my car no longer beeps when I lock it. The key fob batteries have been replaced recently and, again, the unlock/lock function works as normal both with fob and with the power locks whenever the car is on or has been on recently. The manual lock also works fine.
Is this a problem with the actuators? A relay? Something with the proximity sensor specifically? I'd appreciate any insight--I would think that I'd have to replace the actuator motors, but it's odd that both sides would stop working at exactly the same time and retain normal lock usage whenever the power is on.
Tuesday, February 9th, 2021 AT 4:22 PM







