Ignition coil wire diagram needed?

Tiny
MANNYGEARBOX
  • MEMBER
  • 2008 TOYOTA CAMRY
  • 6 CYL
  • 2WD
  • AUTOMATIC
  • 88,000 MILES
Https://www.2carpros.com/questions/spark-plug-wire-order-49085523

i need the 6-cylinder ignition coil wire diagram how you did the 4 CYL in the link above.
Friday, December 9th, 2022 AT 2:57 PM

1 Reply

Tiny
STEVE W.
  • MECHANIC
  • 15,697 POSTS
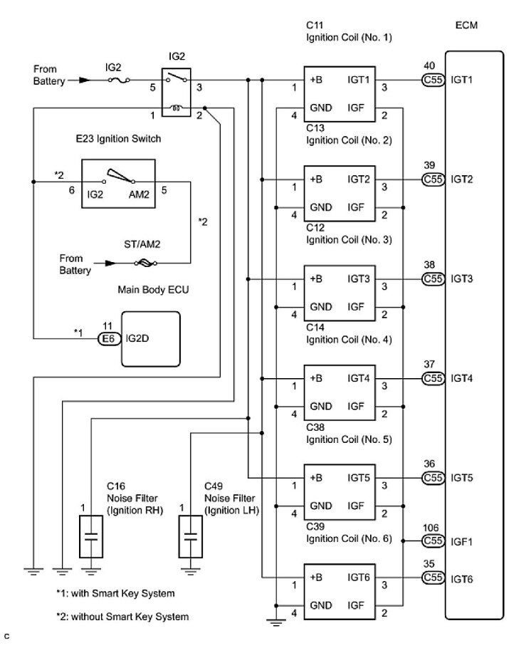
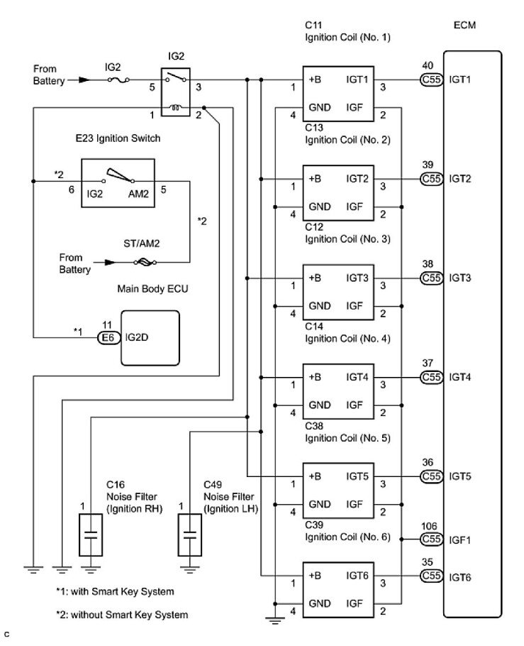
The 3.5 V6 firing order is simple 1-2-3-4-5-6 The cylinder layout is in the image. In the wiring diagram they were not nice. Although they used different colors for each coil, they all share three of the connections. Battery power on pin 1, Grounds on pin 4, the Ignition Feedback on pin 2. The Ignition Triggers on pin 3 are the only ones that are actually different as those determine the firing order.
Was this
answer
helpful?
Yes
No
+4
Friday, December 9th, 2022 AT 9:20 PM

Please login or register to post a reply.