HOME
ASK A QUESTION
REPAIR GUIDES
BECOME A MEMBER
LOG IN
Login with Facebook
OR
Remember me
NOT A MEMBER?
FORGOT PASSWORD?
CONTACT US
PRIVACY POLICY
TERMS AND CONDITIONS
☰
Home
Suzuki
XL7
Body
Liftgate
Open
How do I fix the back lift gate? It will not.
ANONYMOUS
MEMBER
2008 SUZUKI XL7
75,000 MILES
How do I fix the back lift gate? It will not open and the fuses are OK.
Sunday, March 17th, 2013 AT 7:06 PM
3 Replies
JACOBANDNICKOLAS
MECHANIC
110,192 POSTS
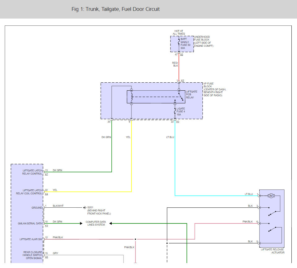
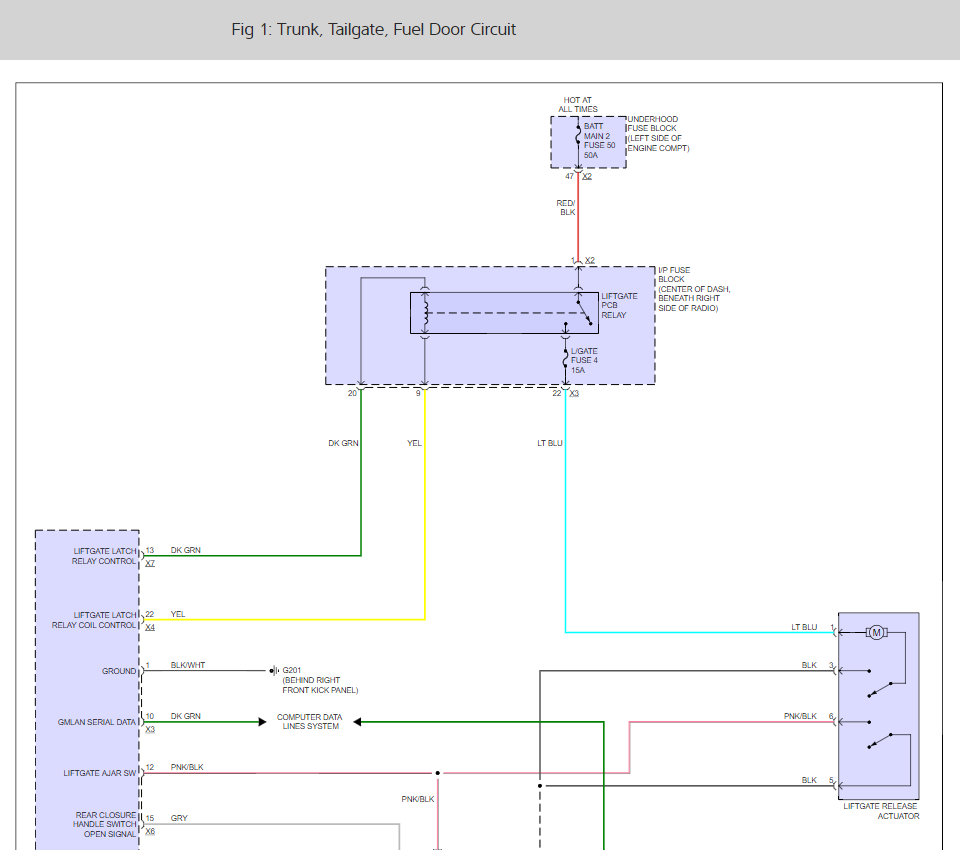
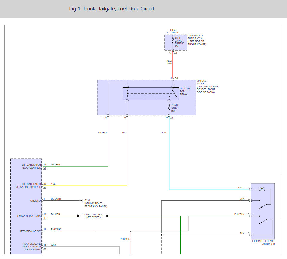
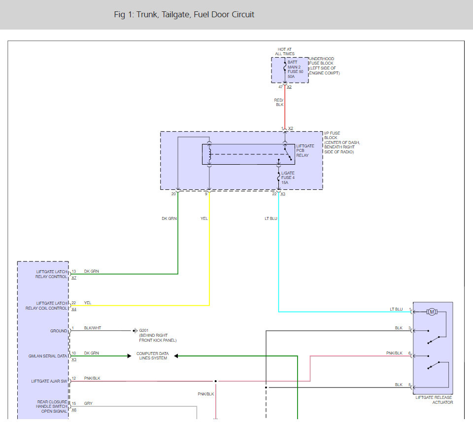
Will it open with a key? Here is the controller that goes bad in these cars (below)
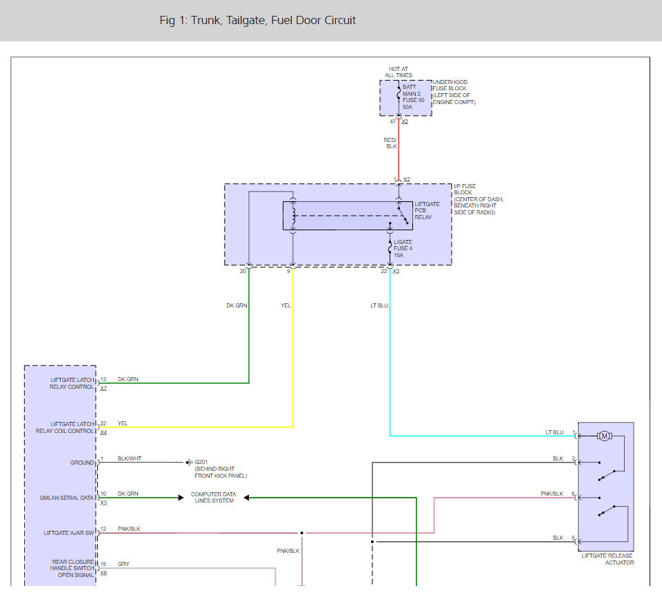
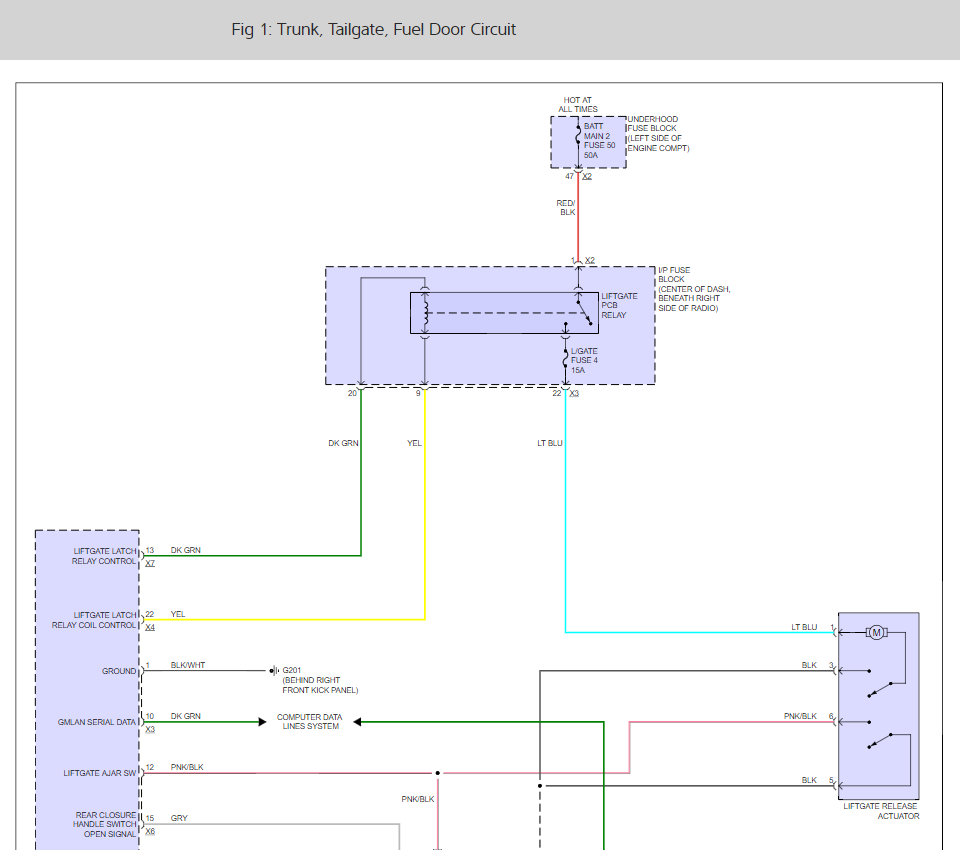
It also could be the relay here is a wiring diagram and guide to help you do some testing to see if it is getting power.
https://www.2carpros.com/articles/how-to-check-an-electrical-relay-and-wiring-control-circuit
and
https://www.2carpros.com/articles/how-to-use-a-test-light-circuit-tester
Please let us know what you find.
Cheers,
Images (Click to make bigger)
Was this
answer
helpful?
Yes
No
-1
Sunday, March 17th, 2013 AT 7:18 PM
SHARONDACLAY
MEMBER
2 POSTS
82850-78J00 this is the part you all need
Was this
answer
helpful?
Yes
No
+1
Thursday, August 24th, 2017 AT 5:36 AM
KEN L
MASTER CERTIFIED MECHANIC
55,322 POSTS
Great addition to this thread! Please feel free to help out whenever you are on the site :)
Cheers, Ken
Was this
answer
helpful?
Yes
No
-1
Friday, August 25th, 2017 AT 10:49 AM
Please
login
or
register
to post a reply.
Related Liftgate Open Content
There Is A Strange Rattling/squeaking Noise Inside The...
I Drive 45min And 35 Miles In The Morning And There's No Noise. Then After Having The Car Parked For 9-10 Hours, On My Way Back Home...
Asked by
edchui
·
3 ANSWERS
2008
SUZUKI XL7
2001 Suzuki Xl7 Antennae
I Am Replacing The Right Front Fender, How Do I Detach The Antennae
Asked by
mark needs help
·
1 ANSWER
2001
SUZUKI XL7
Have Coolant Dripping Down On Top Of Cataletic...
Have Coolant Dripping Down On Top Of Cataletic Converter
Asked by
Anonymous
·
1 ANSWER
2002
SUZUKI XL7
Ask a Car Question. It's Free!