My car was running fine delivering packages for hours. Stalled out on a country road and wouldn't start again. Had a few issues before with it not starting and figured it was a bad starter.
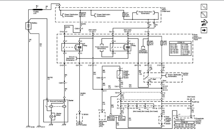
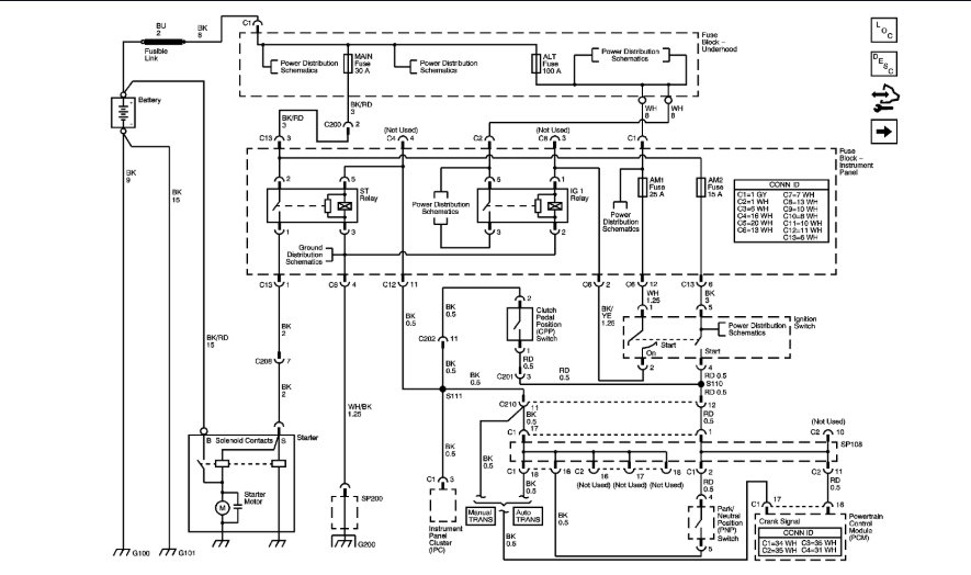
I replaced the starter with a brand new one and it still would not start.
I rebuilt the old one and had it tested and it passed and worked as expected. Still will not start. Original starter is on the car now.
I bought a volt tester and am getting power to the starter solenoid.
I pulled the clutch switch so make sure it was being pressed all the way. Still will not start. I can hear a click when I press and release the clutch switch. I am guessing that's the relay activating. I even jumped the clutch switch and still nothing.
The battery has been tested and is only four months old. I even tried to jump the car using a V8 motor. Still won't start.
I have pulled and checked all fuses. None are blown and it still won't start.
It has a half tank of gas and did not sputter when it stalled. Operator error caused that.
I have gone through numerous steps with the alarm system which I think is more of a deterrent system and it still won't start.
I have locked and unlocked my car using the key.
I have left the key in an on position for three cycles at ten minutes each.
I have used the fob, which only has lock, unlock and rear glass buttons, to lock and unlock the door from inside.
I have inserted the key to the on position and have tried to lock and unlock the doors. Locking does not work when in the on position.
The blinking light is on the radio. Blinks steady all the time. Goes off when the key is in the on position and starts blinking when trying to start the car.
At this point, I have no idea what could be wrong. I cannot afford a scan tool to plug into my car. I cannot afford to have a mobile repair service to come test it. I really need to get this fixed so I can go back to work.
Any help would be greatly appreciated.
Sunday, December 16th, 2018 AT 8:31 AM












