Wednesday, September 24th, 2014 AT 2:08 AM
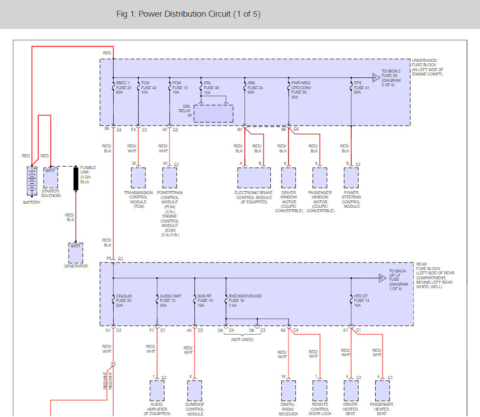
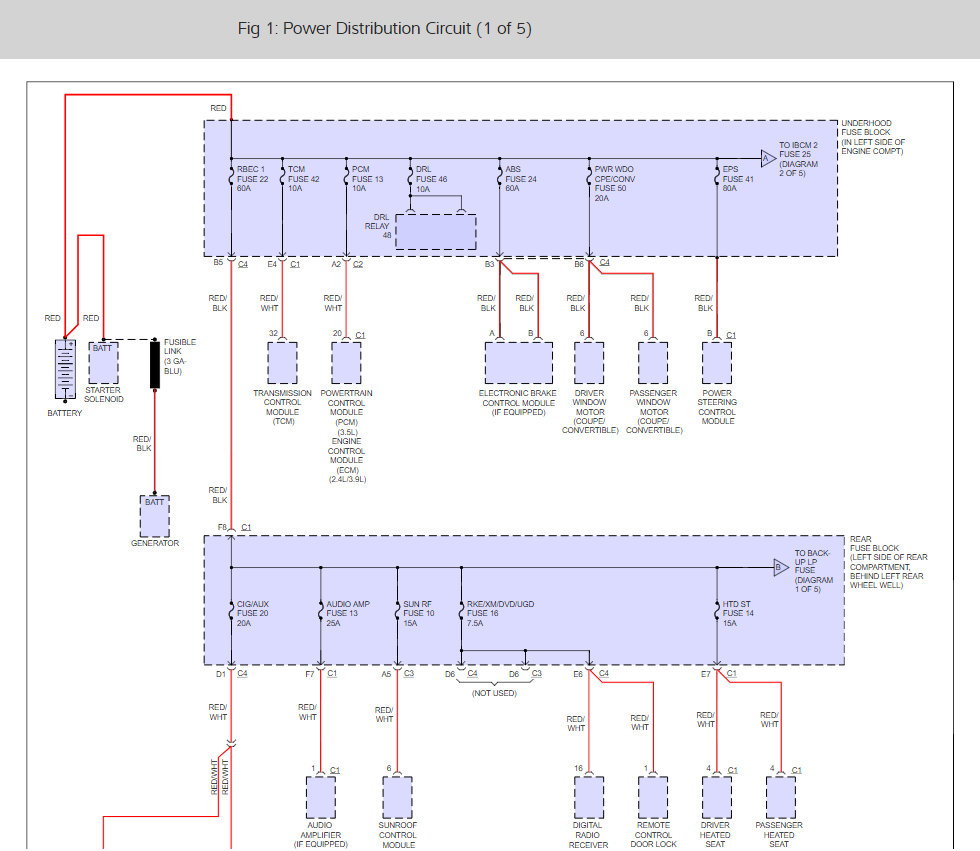
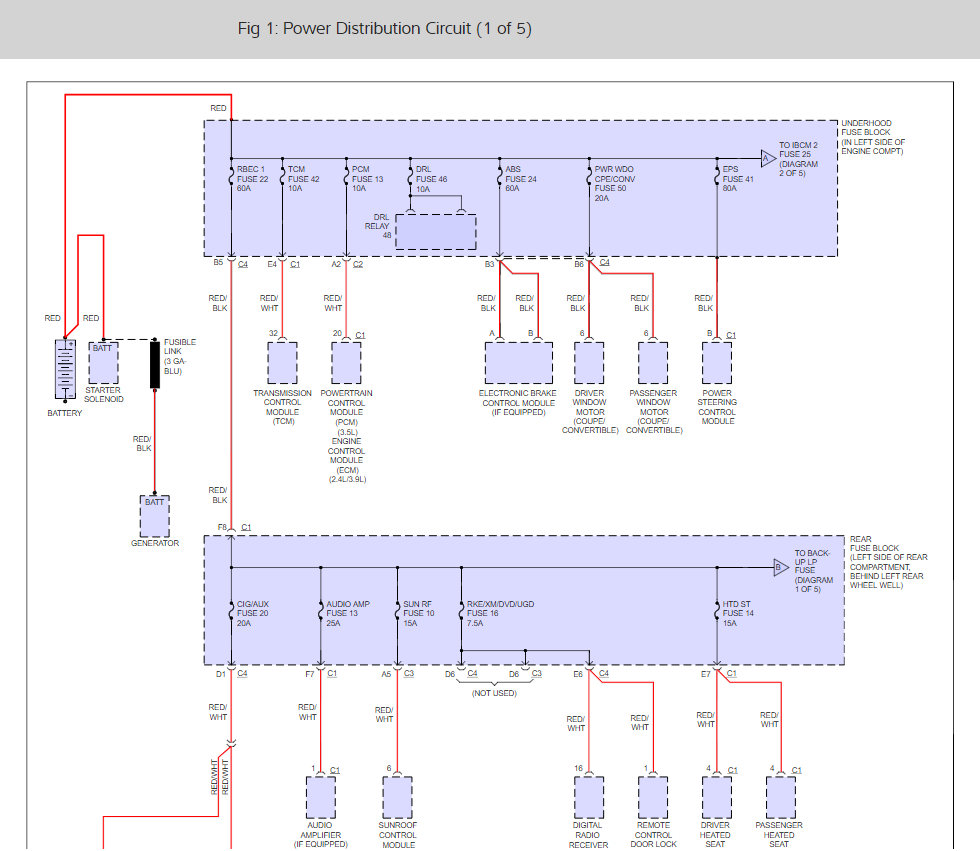
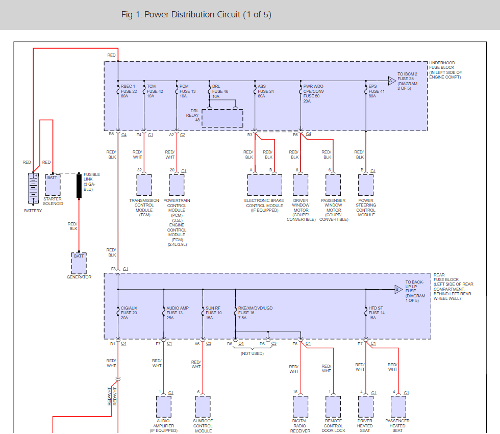
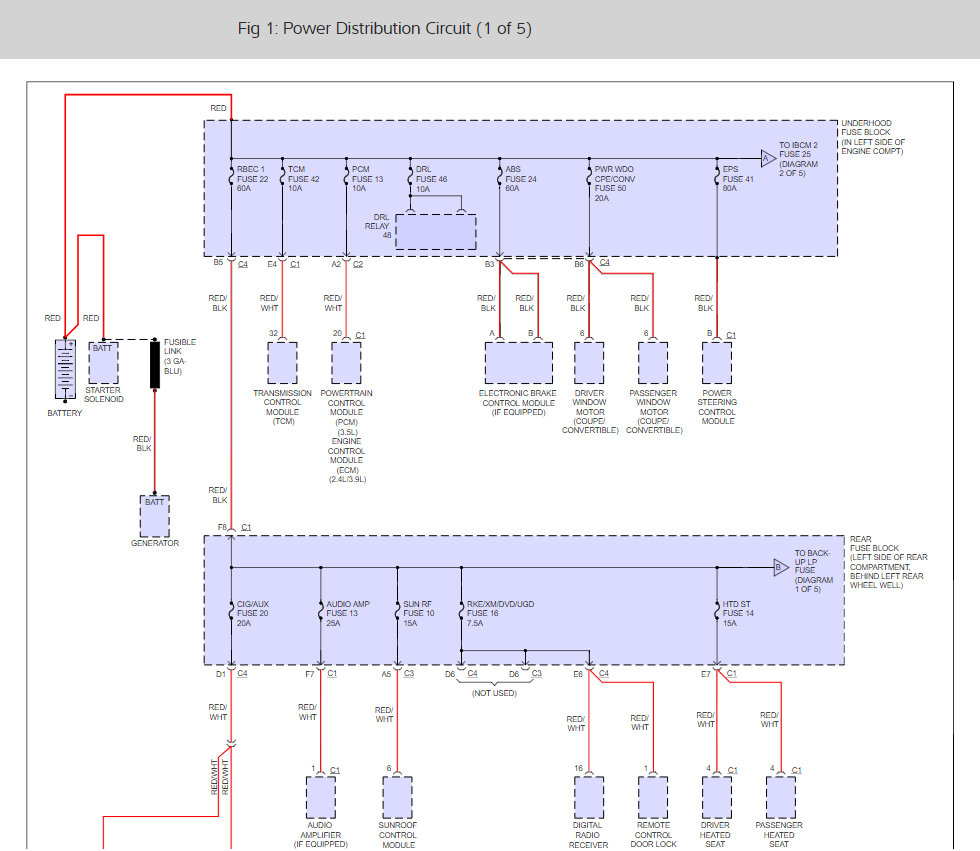
2008 Pontiac G6 Radio has no sound & no power to charging outlet/cigarette lighter knob. Fuses are lighting up on the tester Radio still lights up, can change channel and change settings on display but no sound at all & happened the same time I lost power to the Cigarette lighter/ Accessory Outlet not working. Both happened at the same time. Located fuses in the passenger side fuse box. Tested both fuses and both lit up the tester but I Changed them anyway. Still not working. Did not know about the amplifier in the trunk.





