How to change brake hose and fluid

Tiny
SINCRAFT
  • MEMBER
  • 2008 NISSAN ALTIMA
  • 4 CYL
  • 2WD
  • AUTOMATIC
  • 40,000 MILES
HELP, I can't understand how to change these hoses?
Sunday, November 21st, 2010 AT 11:10 PM

1 Reply

Tiny
ASEMASTER6371
  • MECHANIC
  • 52,796 POSTS
Good morning,

I attached the procedure for you of the replacement of both the front and rear brake hoses.

Make sure you bleed the system when you are done.

https://www.2carpros.com/articles/how-to-bleed-or-flush-a-car-brake-system

Roy

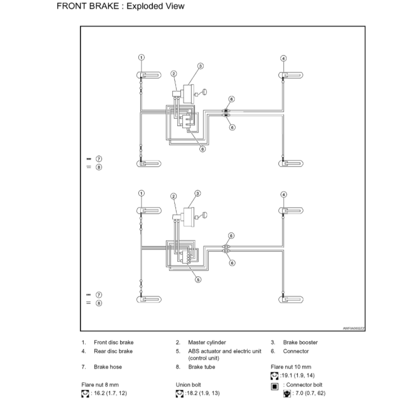
Front brake hose

FRONT BRAKE: Removal and Installation

REMOVAL

CAUTION:
Be careful not to splash brake fluid on painted areas; it may cause paint damage. If brake fluid is splashed on painted areas, wash it away with water immediately.
Cover the open end of brake tubes and hoses when disconnecting to prevent entrance of dirt.

1. Drain brake fluid.
2. Disconnect brake hose from brake tube, using a suitable tool.

imageOpen In New TabZoom/Print

3. Remove union bolt and remove brake hose from caliper assembly.
4. Remove lock plate and remove brake hose from vehicle.

INSTALLATION

CAUTION:
All brake hoses and tubes must be free from excessive bending, twisting and pulling.
Make sure that there is no interference with other parts when turning steering both clockwise and counterclockwise.
Brake tubes and hoses are an important safety part. Always disassemble the parts and retighten their fittings, if a brake fluid leak is detected. Replace applicable part with a new one, if damaged part is detected.
Be careful not to splash brake fluid on painted areas; it may cause paint damage. If brake fluid is splashed on painted areas, wash it away with water immediately.
Refill with new brake fluid "DOT 3".
Never reuse drained brake fluid.

1. Assemble the union bolt and copper washer to the brake hose.

CAUTION: Do not reuse copper washer.

2. Install brake hose by aligning with the protrusion on brake caliper assembly, and tighten union bolt to the specified torque. Refer to "FRONT BRAKE: Exploded View".
3. Connect brake hose to brake tube, partially tighten flare nut by hand as much as possible, then secure it to the bracket with lock plate.
4. Tighten flare nut to the specified torque, using a suitable tool.
5. Refill brake fluid and bleed air.

Rear hose

REAR BRAKE

REAR BRAKE: Removal and Installation

REMOVAL

CAUTION:
Be careful not to splash brake fluid on painted areas; it may cause paint damage. If brake fluid is splashed on painted areas, wash it away with water immediately.
Cover the open end of brake tubes and hoses when disconnecting to prevent entrance of dirt.

1. Drain brake fluid.
2. Disconnect brake hose from brake tube, using a suitable tool.

imageOpen In New TabZoom/Print

3. Remove union bolts, and then remove brake hose from brake caliper assembly.
4. Remove lock plate and then remove brake hose from vehicle.

INSTALLATION

CAUTION:
All brake hoses and tubes must be free from excessive bending, twisting and pulling.
Make sure that there is no interference with other parts when turning steering both clockwise and counterclockwise.
Brake tubes and hoses are an important safety part. Always disassemble the parts and retighten their fittings, if a brake fluid leak is detected. Replace applicable part with a new one, if damaged part is detected.
Be careful not to splash brake fluid on painted areas; it may cause paint damage. If brake fluid is splashed on painted areas, wash it away with water immediately.
Refill with new brake fluid "DOT 3".
Never reuse drained brake fluid.

1. Assemble the union bolt and copper washer to the brake hose.

CAUTION: Do not reuse copper washer.

2. Attach L-shape metal fitting of the brake hose to brake caliper assembly positioning hole, and then tighten union bolt to the specified torque. Refer to BR-17, "FRONT BRAKE: Exploded View". See: Brake Hose/Line > Removal and Replacement > Removal and Installation
3. Connect brake hose to brake tube, partially tighten flare nut by hand as much as possible, then secure it to the bracket with lock plate.
4. Tighten flare nut to the specified torque, using a suitable tool. Refer to BR-17, "FRONT BRAKE: Exploded View". See: Brake Hose/Line > Removal and Replacement > Removal and Installation
5. Refill brake fluid and bleed air.
Was this
answer
helpful?
Yes
No
Monday, March 15th, 2021 AT 3:20 AM

Please login or register to post a reply.