Thursday, July 4th, 2013 AT 6:59 PM
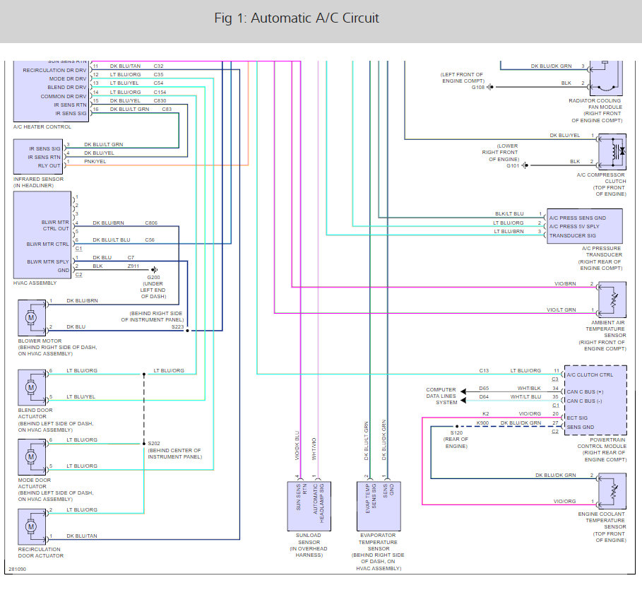
Compressor will not engage have already replaced twice what can be the problem. Do not want to spend anymore money please help. Ac blowing air but compressor not engaging. What can I check before taking it to repair shop for the third time.


