My brakes started making a weird ticking noise

Tiny
ANONYMOUS
  • MEMBER
  • 2008 HONDA CIVIC
  • 98,000 MILES
So the other night I hit a very large pothole with my driver side wheel that I didn't see. It was deep enough to scratch a bit of my front lip and a little bit of my undercarriage by the driver side wheel. Ever since my brakes started making a weird ticking noise which tells me the brakes need to be done please instruct me.
Tuesday, March 5th, 2013 AT 2:55 AM

1 Reply

Tiny
JACOBANDNICKOLAS
  • MECHANIC
  • 110,194 POSTS
Hi,

Front brake pads and rotors really aren't too hard to do. If you do it yourself, make sure to purchase lifetime parts so you'll never have to pay for the parts again.

You can expect brake pads to last approximately 25,000 miles. However, that can change based on terrain and driving habits.

To start, here is a link that shows in general how it's done. You can use this as a guide:

https://www.2carpros.com/articles/how-to-replace-front-brake-pads-and-rotors-fwd

Here are the directions specific to your vehicle. The pics below correlate with the directions.
_________________________________________________

2008 Honda Civic L4-1.8L
Front
Vehicle Brakes and Traction Control Disc Brake System Brake Pad Service and Repair Removal and Replacement Front
FRONT
Front Brake Pad Inspection and Replacement

Special Tools Required
Brake caliper piston compressor 07AAE-SEPA101

CAUTION: Frequent inhalation of brake pad dust, regardless of material composition, could be hazardous to your health.
Avoid breathing dust particles.
Never use an air hose or brush to clean brake assemblies. Use an OSHA-approved vacuum cleaner.

Inspection - Except Si Model
1. Raise the front of the vehicle, and support it with safety stands in the proper locations.
2. Remove the front wheels.
3. Check the thickness (A) of the inner pad (B) and outer pad (C). Do not include the thickness of the backing plate.

pic 1

4. If the brake pad thickness is less than the service limit, replace the front brake pads as a set.
5. Clean the mating surfaces of the brake disc and the inside of the wheel, then install the front wheels.

Replacement - Except Si Model
1. Remove some brake fluid from the master cylinder.
2. Raise the front of the vehicle, and support it with safety stands in the proper locations.
3. Remove the front wheels.
4. Remove the flange bolt (A), and pivot the caliper (B) up out of the way. Check the hose and pin boots for damage and deterioration.

pic 2

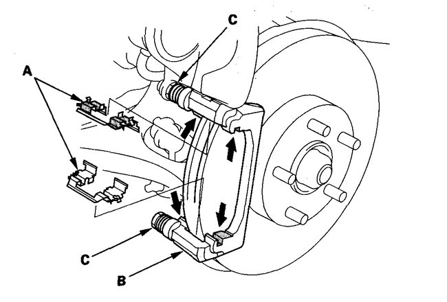
5. Remove the pad shims (A) and brake pads (B).

pic 3

6. Remove the pad retainers (A).

pic 4

7. Clean the caliper bracket (B) thoroughly; remove any rust, and check for grooves and cracks. Verify that the caliper pins (C) move in and out smoothly. Clean and lube if needed.
8. Inspect the brake disc, and check for damage and cracks.
9. Apply a thin coat of M-77 assembly paste (P/N 08798-9010) to the retainers on their mating surfaces (indicated by the arrows) against the caliper bracket.
10. Install the pad retainers. Wipe excess assembly paste off the retainers. Keep the assembly paste off the brake disc and brake pads.
11. Mount the brake caliper piston compressor tool (A) on the caliper body (B).

pic 5

12. Press in the piston with the brake caliper piston compressor so the caliper will fit over the brake pads. Make sure the piston boot is in position to prevent damaging it when pivoting the caliper down.

NOTE: Be careful when pressing in the piston; brake fluid might overflow from the master cylinder's reservoir.

13. Remove the brake caliper piston compressor tool.
14. Apply a thin coat of M-77 assembly paste (P/N 08798-9010) to the pad side of the shims (A), the back of the brake pads (B) and the other areas indicated by the arrows. Wipe excess assembly paste off the pad shims and brake pads. Contaminated brake discs or brake pads reduce stopping ability. Keep grease and assembly paste off the brake disc and brake pads.

pic 6

15. Install the brake pads and pad shims correctly. Install the brake pad with the wear indicator (C) on the upper inside. If you are reusing the brake pads, always reinstall the brake pads in their original positions to prevent a momentary loss of braking efficiency.
16. Pivot the caliper down into position. Install the flange bolt (A), and tighten it to the specified torque.

pic 7

17. Clean the mating surfaces of the brake disc and the inside of the wheel, then install the front wheels.
18. Press the brake pedal several times to make sure the brakes work.

NOTE: Engagement may require a greater pedal stroke immediately after the brake pads have been replaced as a set. Several applications of the brake pedal will restore the normal pedal stroke.

19. Add brake fluid as needed.
20. After installation, check for leaks at hose and line joints or connections, and retighten if necessary. Test-drive the vehicle, then recheck for leaks.

Inspection - Si Model
1. Raise the front of the vehicle, and support it with safety stands in the proper locations.
2. Remove the front wheels.
3. Check the thickness (A) of the inner pad (B) and outer pad (C). Do not include the thickness of the backing plate.

pic 8

4. If the brake pad thickness is less than the service limit, replace the front brake pads as a set.
5. Clean the mating surfaces of the brake disc and the inside of the wheel, then install the front wheels.

Replacement - Si Model
1. Remove some brake fluid from the master cylinder.
2. Raise the front of the vehicle, and support it with safety stands in the proper locations.
3. Remove the front wheels.
4. Remove the flange bolt (A) while holding the caliper pin (B) with a wrench. Be careful not to damage the pin boot, and pivot the caliper (C) up out of the way. Check the hose and pin boots for damage and deterioration.

pic 9

5. Remove the pad shims (A) and brake pads (B).

pic 10

6. Remove the pad retainers (A).

pic 11

7. Clean the caliper bracket (B) thoroughly; remove any rust, and check for grooves and cracks. Verify that the caliper pins (C) move in and out smoothly. Clean and lube if needed.
8. Inspect the brake disc, and check for damage and cracks.
9. Apply a thin coat of M-77 assembly paste (P/N 08798-9010) to the retainers on their mating surfaces (indicated by the arrows) against the caliper bracket.
10. Install the pad retainers. Wipe excess assembly paste off the retainers. Keep the assembly paste off the brake disc and brake pads.
11. Mount the brake caliper piston compressor tool (A) on the caliper body (B).

pic 12

12. Press in the piston with the brake caliper piston compressor so the caliper will fit over the brake pads. Make sure the piston boot is in position to prevent damaging it when pivoting the caliper down.

NOTE: Be careful when pressing in the piston; brake fluid might overflow from the master cylinder's reservoir.

13. Remove the brake caliper piston compressor tool.
14. Apply a thin coat of M-77 assembly paste (P/N 08798-9010) to the pad side of the shims (A), the back of the brake pads, (B) and the other areas indicated by the arrows. Wipe excess assembly paste off the pad shims and brake pads. Contaminated brake discs or brake pads reduce stopping ability. Keep grease and assembly paste off the brake disc and brake pads.

pic 13

15. Install the brake pads and pad shims correctly. Install the brake pad with the wear indicator (C) on the upper inside. If you are reusing the brake pads, always reinstall the brake pads in their original positions to prevent a momentary loss of braking efficiency.
16. Pivot the caliper down into position. Install the flange bolt (A), and tighten it to the specified torque while holding the caliper pin (B), with a wrench being careful not to damage the pin boot.

17. Clean the mating surfaces of the brake disc and the inside of the wheel, then install the front wheels.
18. Press the brake pedal several times to make sure the brakes work.

NOTE: Engagement may require a greater pedal stroke immediately after the brake pads have been replaced as a set. Several applications of the brake pedal will restore the normal pedal stroke.

19. Add brake fluid as needed.
20. After installation, check for leaks at hose and line joints or connections, and retighten if necessary. Test-drive the vehicle, then recheck for leaks.

______________________________

Rotor Replacement

2008 Honda Civic L4-1.8L
Front Brake Disc Replacement
Vehicle Brakes and Traction Control Disc Brake System Brake Rotor/Disc Service and Repair Removal and Replacement Front Front Brake Disc Replacement
FRONT BRAKE DISC REPLACEMENT
Front Brake Disc Replacement

NOTE: Keep any grease off the brake disc and brake pads.

1. Raise the front of the vehicle, and support it with safety stands in the proper locations.
2. Remove the front wheel.
3. Remove the brake hose mounting bolt (A) from the damper.

pic 14

4. Remove the brake caliper bracket mounting bolts (B), then remove the caliper assembly (C) from the knuckle. To prevent damage to the caliper assembly or brake hose, use a short piece of wire to hang the caliper assembly from the undercarriage. Do not twist the brake hose excessively.
5. Remove the brake disc flat screws (A).

pic 15

6. Remove the brake disc (B) from the front hub.

NOTE: If the brake disc is stuck to the front hub, thread two 8 x 1.25 mm bolts (C) into the brake disc to push it away from the front hub. Turn each bolt 90 degrees at a time to prevent the brake disc from binding.

7. Install the brake disc in the reverse order of removal.

NOTE: Before installing the brake disc, clean the mating surface of the front hub and the inside of the brake disc.

8. Clean the mating surfaces of the brake disc and the inside of the wheel, then install the front wheel.
______________________________________

I hope this helps. Let me know if you have other questions.

Take care and God Bless,

Joe
Was this
answer
helpful?
Yes
No
Tuesday, March 16th, 2021 AT 11:03 AM

Please login or register to post a reply.