Thursday, September 17th, 2015 AT 6:03 AM
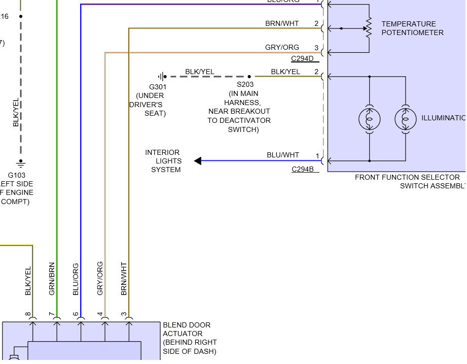
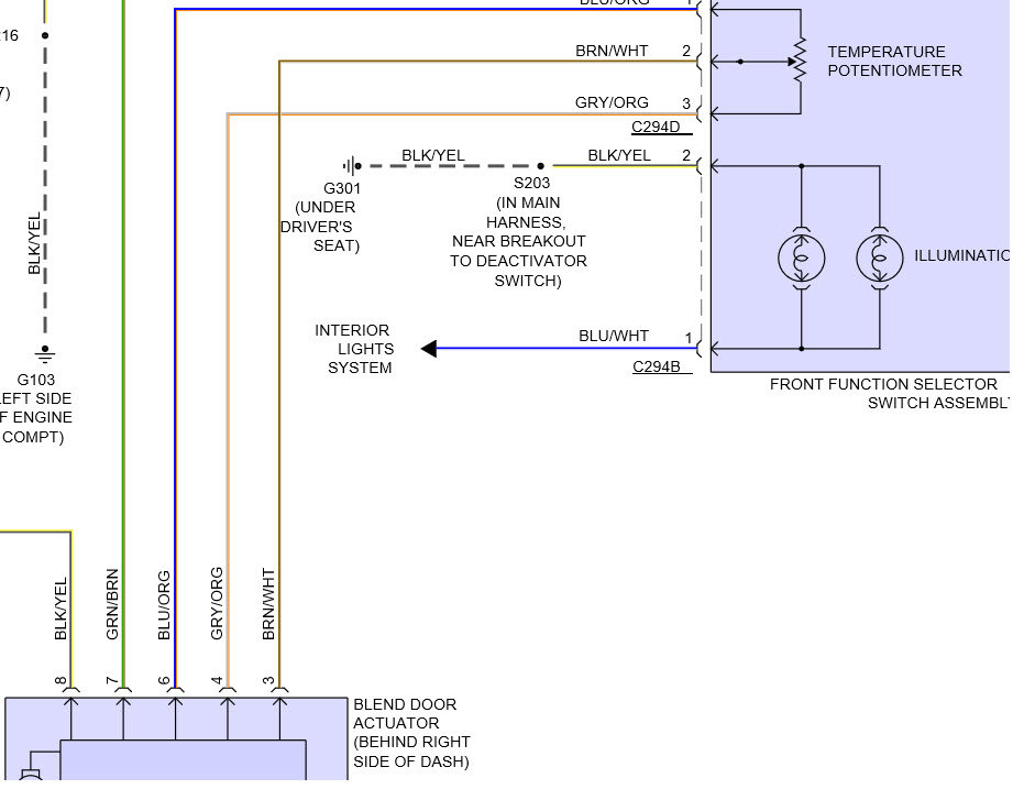
Trying to replace my blend door actuator.I can't get the new one to go in the hole. The D shaped piece is off by a couple of millimeters from the original part.I thought that might be the problem but I can't even get the old one back in.I removed the original actuator before I bought the new one. Is it possible the blend door changed position because there was nothing there to actually hold the door.




