Where will the radiator fan relay be located

Tiny
ANDREW ALANIZ
  • MEMBER
  • 2008 CHRYSLER TOWN AND COUNTRY
  • 80,000 MILES
Fan wont turn on. Fan relay cannot be found in power dist. Box any other idea where it might be?
Friday, March 30th, 2012 AT 5:39 PM

16 Replies

Tiny
KEN L
  • MASTER CERTIFIED MECHANIC
  • 55,322 POSTS
Hello,

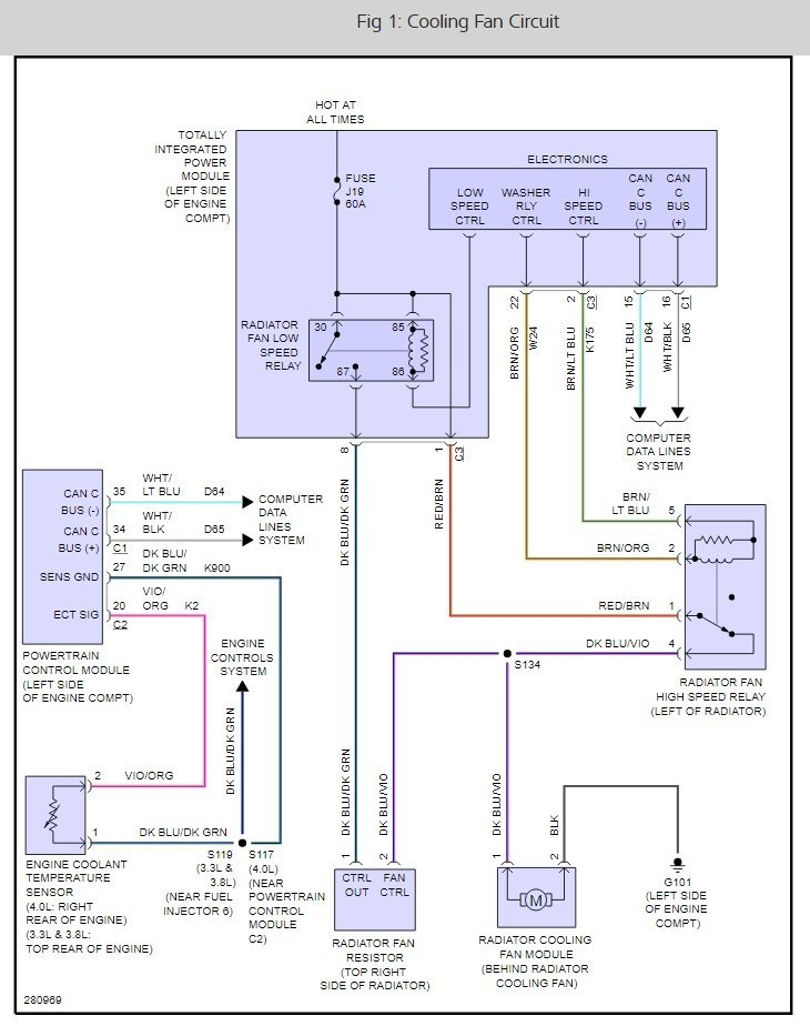
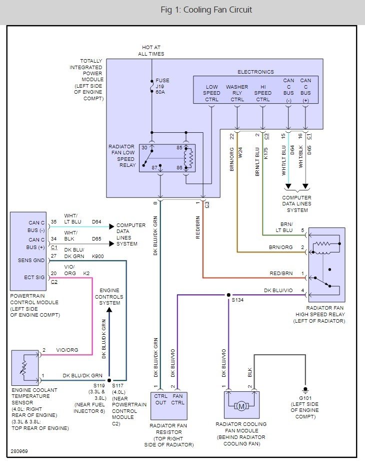
The cooling fan relay is mounted to the side of the radiator support. The hi speed relay is on the left side of the radiator support the low speed relay in in the totally integrated power module on the left side of fender.

Here is a guide that will help you confirm the problem.

https://www.2carpros.com/articles/how-to-check-an-electrical-relay-and-wiring-control-circuit

and

https://www.2carpros.com/articles/how-to-use-a-test-light-circuit-tester

Please let us know if you need anything else to get the problem fixed.

Cheers, Ken
Was this
answer
helpful?
Yes
No
+2
Tuesday, July 18th, 2017 AT 11:32 AM
Tiny
KALBOY
  • MEMBER
  • 3 POSTS
  • 2008 CHRYSLER TOWN AND COUNTRY
  • 3.8L
  • V6
  • FWD
  • AUTOMATIC
  • 101,000 MILES
This is the Touring model. Key word here being the "Touring". The vehicle is overheating due to the coolant fan not turning on. I have positive and negative jumper wires running off of the battery to the cooling fan for a short term temporary fix. I am guessing that the fan relay is probably bad. I do not have a check engine light on, so for the moment I will believe there are no trouble codes coming back. I cannot locate the cooling fan relay. On the caravan, and (regular) town and country, I know it is located on the bottom rail just below the radiator, or on the drivers side inside edge of the frame. However, this does not seem to be the case on the Town and Country Touring though. Any input would be greatly appreciated. Thank you.
Was this
answer
helpful?
Yes
No
+7
Tuesday, July 18th, 2017 AT 3:25 PM (Merged)
Tiny
CARADIODOC
  • MECHANIC
  • 34,468 POSTS
The check engine light only turns on when the diagnostic fault code refers to something that could adversely affect emissions. There's over 1,000 fault codes that could be set with the check engine light not turned on.

The low-speed radiator fan relay is plugged into the Integrated power module. That is the fuse box under the hood. The high-speed relay is to the left of the radiator. Both of those are controlled by that module. That module is the best suspect if neither relay turns on. To verify that, use a scanner to command the check engine to turn the radiator fan on. If that does not work, switch to the "inputs/outputs" menu for the TIPM, then watch the "fan request" input to the TIPM while you unplug the coolant temperature sensor. If the scanner shows "fan request on", or "high", suspect the TIPM for not responding to the request.
Was this
answer
helpful?
Yes
No
-2
Tuesday, July 18th, 2017 AT 3:25 PM (Merged)
Tiny
KALBOY
  • MEMBER
  • 3 POSTS
Are you referring to part number 56007078 as the High Speed relay by any chance? I pulled no codes either by the way. However my attempt to pull codes was while the coolant fan was unplugged, as I had been driving it with the fan running directly off of the battery. The fan was disconnected from the battery and unplugged from the wiring harness at the moment of attempting to retrieve any codes.
Was this
answer
helpful?
Yes
No
Tuesday, July 18th, 2017 AT 3:25 PM (Merged)
Tiny
CARADIODOC
  • MECHANIC
  • 34,468 POSTS
That part number is indeed a standard relay and is the type shown on the wiring diagram as the high-speed fan relay. Rock Auto shows a four-terminal electronic module for the relay, which is totally different. Those were mounted halfway down the side of the radiator and used two data buss wires, plus a ground and a 12-volt feed wire to provide infinitely-variable speeds. Your two relays is a more reliable circuit.
Was this
answer
helpful?
Yes
No
+1
Tuesday, July 18th, 2017 AT 3:25 PM (Merged)
Tiny
KRAILLING
  • MEMBER
  • 1 POST
  • 2006 CHRYSLER TOWN AND COUNTRY
  • 6 CYL
  • 2WD
  • AUTOMATIC
  • 56,000 MILES
Where is the cooling fan relay located on a 2006 chrysler town & country? The light came on, so we hooked up a scanner to the vehicle. And it told us there is a problem with the Cooling Fan Circuit 1 Relay (Code: P0480). I am not sure where to locate the cooling fan relay. Is there a diagram you could send me. Or any suggestions on going about fixing this problem (P0480)? Thank you.
Was this
answer
helpful?
Yes
No
+7
Tuesday, July 18th, 2017 AT 3:25 PM (Merged)
Tiny
KEN L
  • MASTER CERTIFIED MECHANIC
  • 55,322 POSTS
Hello,

The cooling fan relay is located just in front of the radiator. Here is a diagram of its location (below)

Please use 2CarPros anytime, we are here to help and tell a friend.

Best, Ken
Was this
answer
helpful?
Yes
No
+8
Tuesday, July 18th, 2017 AT 3:25 PM (Merged)
Tiny
JEFF ANDERSON
  • MEMBER
  • 1 POST
  • 2005 CHRYSLER TOWN AND COUNTRY
  • 6 CYL
  • FWD
  • AUTOMATIC
  • 72,000 MILES
Engine Cooling problem
2005 Chrysler Town and Country 6 cyl Front Wheel Drive Automatic 72000 miles

Where is control fan relay located for cooling fan #1. Thank you.
Was this
answer
helpful?
Yes
No
Tuesday, July 18th, 2017 AT 3:25 PM (Merged)
Tiny
VIPERTEK
  • MEMBER
  • 40 POSTS


https://www.2carpros.com/forum/automotive_pictures/298726_Graphic_2.jpg

Was this
answer
helpful?
Yes
No
+3
Tuesday, July 18th, 2017 AT 3:25 PM (Merged)
Tiny
DDENHART
  • MEMBER
  • 1 POST
  • 2007 CHRYSLER TOWN AND COUNTRY
  • 6 CYL
  • 2WD
  • AUTOMATIC
  • 56,000 MILES
Where is the cooling fan relay located on a 2007 Chrysler Town & Country.
Was this
answer
helpful?
Yes
No
+1
Tuesday, July 18th, 2017 AT 3:25 PM (Merged)
Tiny
JDL
  • MECHANIC
  • 16,098 POSTS
My info says top of left frame-rail.
Was this
answer
helpful?
Yes
No
-1
Tuesday, July 18th, 2017 AT 3:25 PM (Merged)
Tiny
PIXTURMAN
  • MEMBER
  • 5 POSTS
On the image of the fuse and relays, you have K10 relay as the rad fan lo. I have a 2015 T&C and mine has K11 relay as the rad fan low. Would it be different from yr to yr? Also is the hi fan relay still on the side of the radiator?
Was this
answer
helpful?
Yes
No
Tuesday, October 22nd, 2019 AT 10:04 AM
Tiny
KEN L
  • MASTER CERTIFIED MECHANIC
  • 55,322 POSTS
Yes it will be different to a 2015. Please post your new question here, you must be logged in.

https://www.2carpros.com/questions/new

Cheers, Ken
Was this
answer
helpful?
Yes
No
Tuesday, October 22nd, 2019 AT 11:43 AM
Tiny
JBEAL
  • MEMBER
  • 1 POST
  • CHRYSLER TOWN AND COUNTRY
I have a 2002 Chrysler Town & Country Van with 31,374 miles on it. The radiator fan relay is bad and we would like to change it ourself. Can you tell me where it is located?
Was this
answer
helpful?
Yes
No
+1
Monday, November 18th, 2019 AT 12:06 PM (Merged)
Tiny
VANDRAGON
  • MECHANIC
  • 298 POSTS
Just call a parts store like AZ and ask.
Was this
answer
helpful?
Yes
No
Monday, November 18th, 2019 AT 12:06 PM (Merged)
Tiny
MPMULLINS
  • MEMBER
  • 3 POSTS
The fan relay is located beside the radiator on the drivers side
Was this
answer
helpful?
Yes
No
+1
Monday, November 18th, 2019 AT 12:06 PM (Merged)

Please login or register to post a reply.