Wednesday, May 20th, 2015 AT 9:00 AM
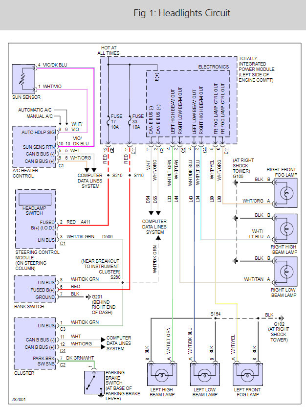
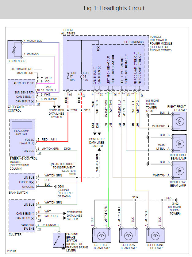
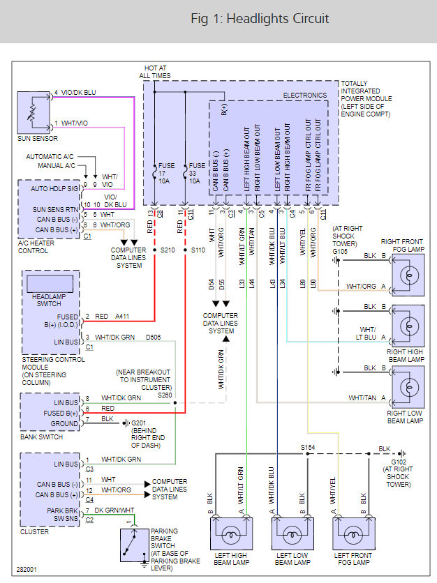
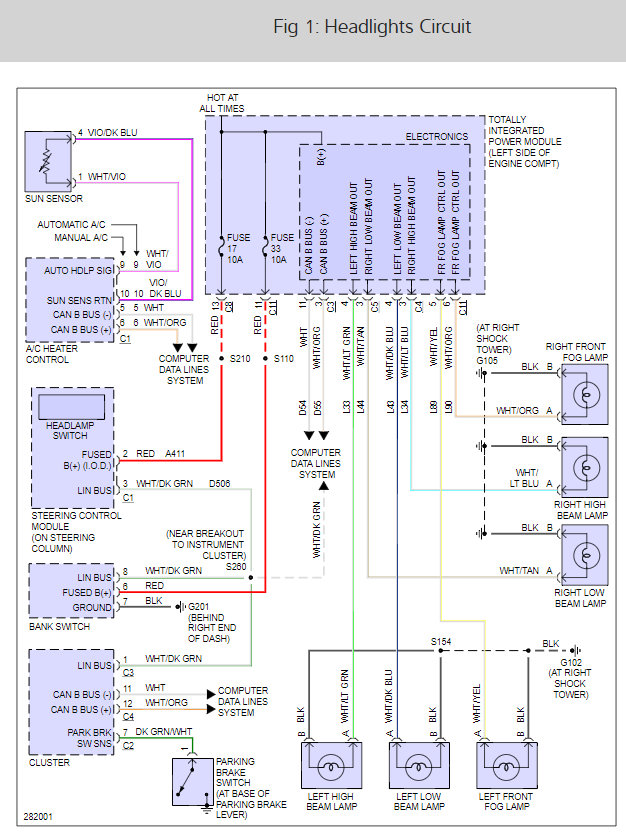
Where are they hiding the fuse for the dash lights, I was told to look at the end of the dash, by removing the end panel. I did, and they were not to be seen. A lot of conversation on the Internet sites about the lights and the fuse, but no one says where they are! Is this a secret society thing. Please tell me where the fuse treasure are hidden. Thanks so much Tony Estes










