2008 Chevy Uplander, service ABS light, service traction control and service stability control light on.

Tiny
CMCMAHON43
  • MEMBER
  • 2008 CHEVROLET UPLANDER
  • 54,000 MILES
I had a growl in the front end and found that the front wheels had some play in them so I decided replace front wheel bearings before a long trip. Installed new hub assemblies and went on trip. On the way home I ran over a tire tread and it knocked out my left front tire pressure monitor, but it reset after I shut the van off at the next stop(and hasn't been an issue since). I don't know if the tire tread I hit has anything to do with this problem or not. After about 1500 miles on the new hubs I started getting the "service abs, t.C, and stab. Cont." messages. Had the guys at autozone read the code and it said "front left speed sensor circuit fault". Put old hub back on and message light stayed away for a coulple weeks and then came back. I then traced abs wire harness from speed sensor to main harness at engine and saw no damage to it, I even pulled the pins out of the connector and they were still connected tight. Service messages are still coming up and traction control kicks in for no reason sometimes. I can not find anything wrong with harness or connector hopefully you can point me in the right direction. Any help would be greatly appreciated.
Thanks,
Chris.
Tuesday, November 22nd, 2011 AT 9:59 PM

1 Reply

Tiny
KEN L
  • MASTER CERTIFIED MECHANIC
  • 55,335 POSTS
Hey CMCMAHON43,

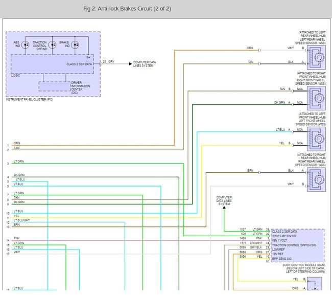
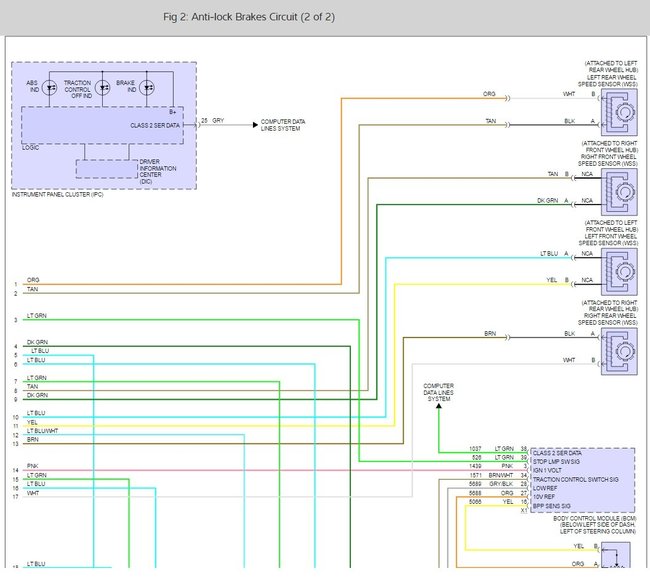
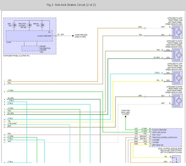
These must be a bad connection in the wiring harness going to the ABS controller. Here is a guide and wring diagram to help you check the wiring and also a guide to see if the wheel speed sensor is working.

https://www.2carpros.com/articles/abs-wheel-speed-sensor-test

and

https://www.2carpros.com/articles/how-to-check-wiring

It sure sounds like the connector is where the prob,em is going to be becasue it sounds like it is an resistance issue due to the duration in which it takes the light to go on.

Please let us know happens so it will help others.

Best, Ken

Was this
answer
helpful?
Yes
No
+3
Friday, February 17th, 2017 AT 4:48 PM

Please login or register to post a reply.