Thursday, December 10th, 2015 AT 8:07 AM
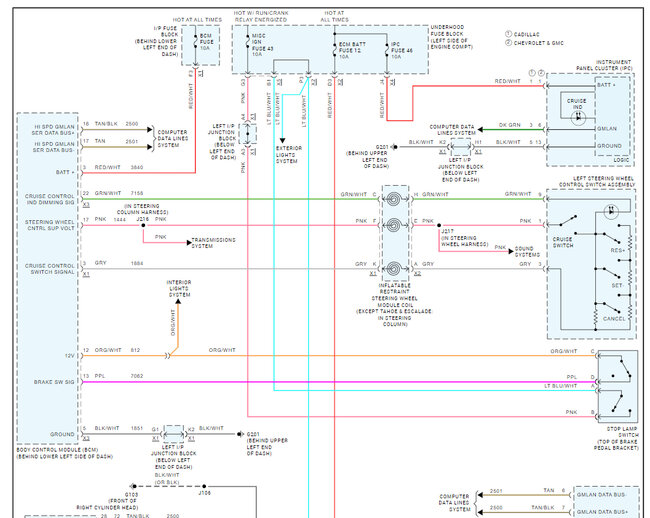
The cruise control does not work anymore. When you push on the button on the left side of the steering wheel to turn on, it comes on but when you go to set the cruise, nothing happens. There is no light on the dash showing it's on. It was intermittently working for awhile, but now it does not work at all. What has happened?










