I step on the brakes like there are not working

Tiny
BIGV2001
  • MEMBER
  • 2008 CHEVROLET IMPALA
  • 121,985 MILES
My car hesitates when I step on the brakes like there are not working right, The pads need to be replaced can you help me?
Thursday, May 17th, 2012 AT 9:33 PM

1 Reply

Tiny
JACOBANDNICKOLAS
  • MECHANIC
  • 110,192 POSTS
Hi,

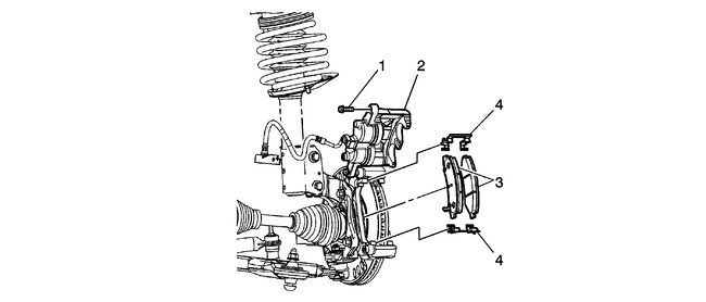
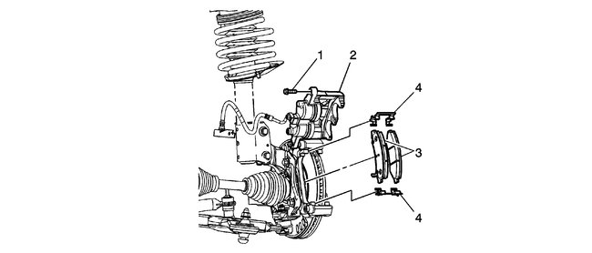
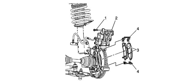
Replacing front brake pads and rotors isn't too hard to do. Since they usually last around 25,000 miles, you can get lifetime parts and never have to pay for parts again.

Let's get started. First, here is a link that shows in general how it's done. You can use this as a guide when working on your vehicle:

https://www.2carpros.com/articles/how-to-replace-front-brake-pads-and-rotors-fwd

Here are the directions specific to your vehicle. The pics below correlate with the directions.
Was this
answer
helpful?
Yes
No
Monday, March 29th, 2021 AT 12:27 PM

Please login or register to post a reply.