Friday, February 8th, 2013 AT 9:37 PM
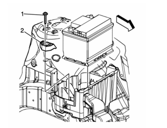
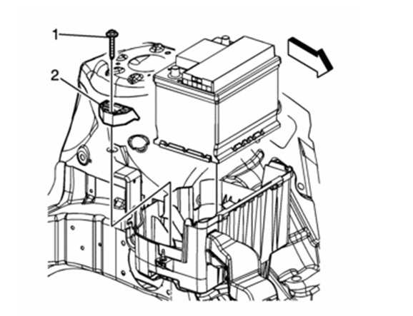
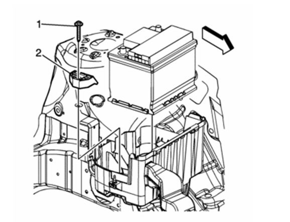
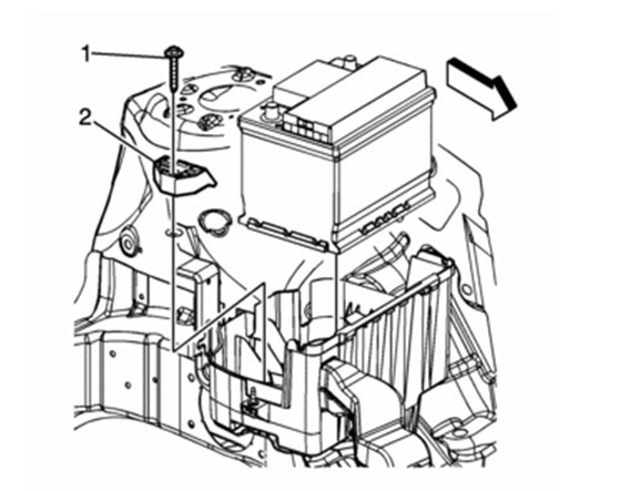
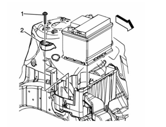
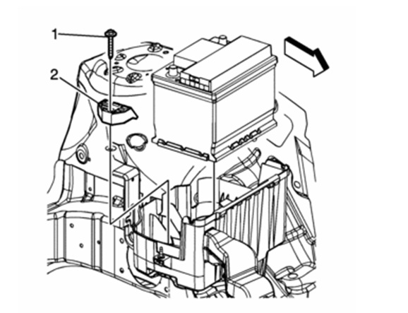
The battery on my car died and I had a buddy look at what the problem was. He said I needed a new battery and that I needed to replace a fuse. I replaced the fuse, but I have no idea where the battery is. I've looked it up and have seen numerous people say it's underneath the computer module. I'm not seeing it. Any ideas?




