2008 Chevrolet Cobalt heater fan not working

Tiny
WARDADDY
  • MEMBER
  • 2008 CHEVROLET COBALT
  • 2.0L
  • 4 CYL
  • 2WD
  • AUTOMATIC
  • 140,000 MILES
Heater will not blow air. Switch will not turn on the fan to the heater
Monday, February 2nd, 2015 AT 4:48 PM

2 Replies

Tiny
KEN L
  • MASTER CERTIFIED MECHANIC
  • 55,281 POSTS
Hey Wardaddy,

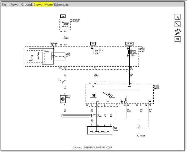
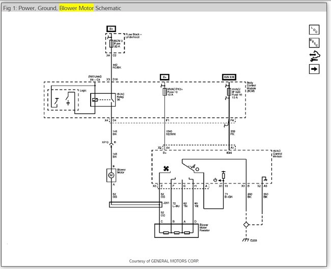
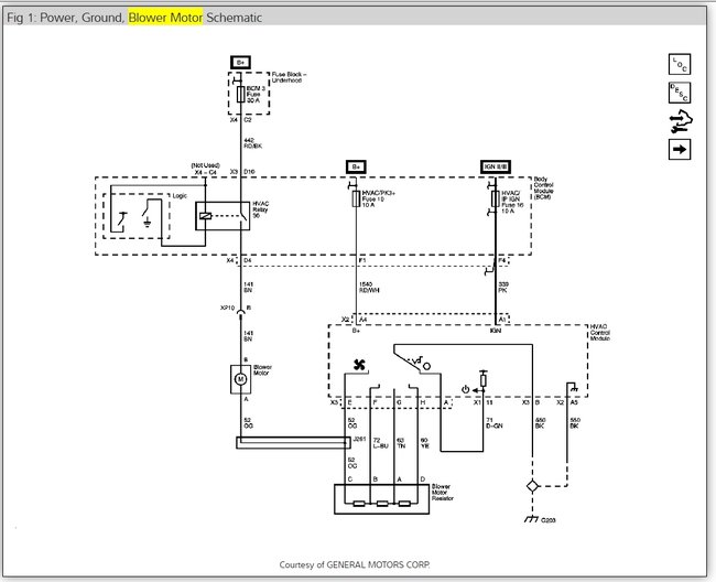
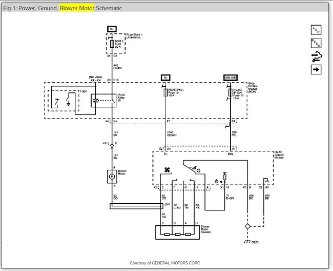
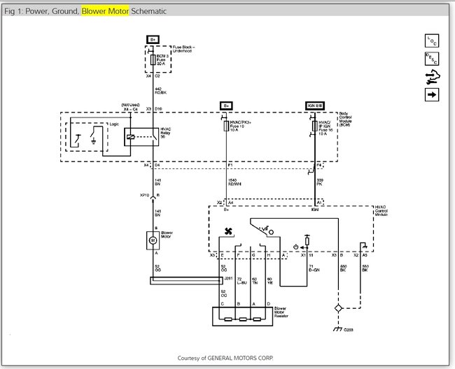
Blower Motor Inoperative

Ignition OFF, disconnect the X3 harness connector at the HVAC control module.
Ignition OFF, test for less than 1.0 ohm between the ground circuit terminal B and ground.
If greater than the specified range, test the ground circuit for an open/high resistance.
Ignition OFF, connect the X3 harness connector at the HVAC control module. Disconnect the X2 harness connector at the HVAC control module.
Test for less than 1.0 ohm between the ground circuit terminal 9 and ground.
If greater than the specified range, test the ground circuit for an open/high resistance.
Ignition ON, verify a test lamp illuminates between the B+ circuit terminal 10 and ground.
If the test lamp does not illuminate, test the B+ circuit for a short to ground or an open/high resistance.
Ignition OFF, connect the X2 harness connector at the HVAC control module. Disconnect the X1 harness connector at the HVAC control module.
Ignition ON, verify a test lamp illuminates between the ignition circuit terminal 8 and ground.
If the test lamp does not illuminate, test the ignition circuit for a short to ground or an open/high resistance.
Ignition OFF, connect the X1 harness connector at the HVAC control module. Disconnect the HVAC relay.
Verify that a test lamp illuminates between the B+ circuit terminal 30 and ground.
If the test lamp does not illuminate, test the B+ circuit for a short to ground or an open/high resistance.
Ignition ON, verify a test lamp illuminates between the control circuit terminal 85 and the control circuit terminal 86.
If the test lamp does not illuminate, replace the BCM.
Ignition OFF, connect the HVAC relay. Disconnect the harness connector at the blower motor.
Ignition ON, verify a test lamp illuminates between the ignition circuit terminal B and ground.
If the test lamp does not illuminate, test the control circuit for a short to ground or an open/high resistance. If the circuit tests normal, test or replace the HVAC relay.
Ignition OFF, blower switch HIGH, test for less than 5 ohms between the control circuit terminal A and ground.
If greater than the specified range, test the control circuit for an open/high resistance. If the circuit tests normal, replace the HVAC control module.
If all circuits test normal, test or replace the blower motor.
Blower Motor Malfunction

Ignition OFF, disconnect the harness connector at the blower motor resistor.
Ignition ON, verify that a test lamp illuminates between B+ and the corresponding control circuit terminal listed below while selecting the Low, Medium 1, Medium 2 and High speed positions:
Low control terminal D
M1 control terminal A
M2 control terminal B
High control terminal C
If the test lamp does not illuminate, test the appropriate control circuit for a short to ground or an open/high resistance. If the circuit tests normal, replace the HVAC control module.
If all circuits test normal, test or replace the blower motor resistor.

Here is a guide that will give you move insight

https://www.2carpros.com/articles/blower-fan-motor-works-on-high-speed-only

Please let us know what you find so it will help others.

Best, Ken
Was this
answer
helpful?
Yes
No
+2
Monday, November 28th, 2016 AT 11:15 AM
Tiny
KEN L
  • MASTER CERTIFIED MECHANIC
  • 55,281 POSTS
Here is a wiring diagram.
Was this
answer
helpful?
Yes
No
-1
Monday, November 28th, 2016 AT 11:17 AM

Please login or register to post a reply.