Cruise control in not working

Tiny
ALICA
  • MEMBER
  • 2008 CADILLAC ESCALADE ESV
  • 6.5L
  • V8
  • AWD
  • AUTOMATIC
My cruise control is not working can you tell me where the fuse is?
Tuesday, November 24th, 2015 AT 10:13 AM

1 Reply

Tiny
SQM
  • MECHANIC
  • 6,383 POSTS
Hello,

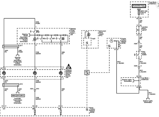
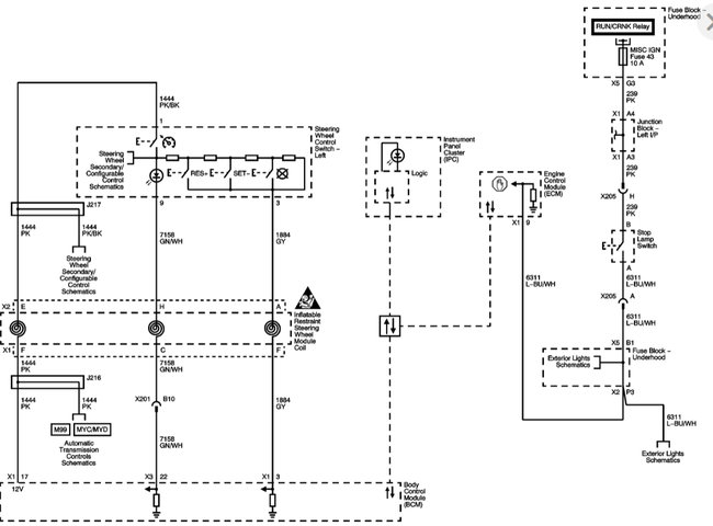
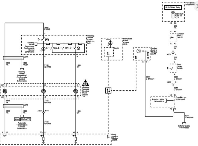
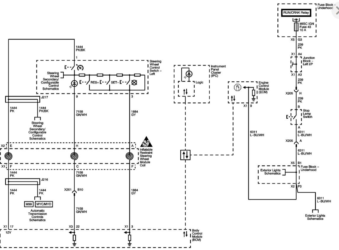
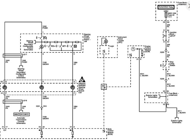
The cruise can be inoperative due to a fuse also it could be a faulty brake light switch or the module.

The fuse is located in the under-hood fuse block.
Check the fuse number 43, should be a 10A fuse (see diagram below)

https://www.2carpros.com/articles/how-to-check-a-car-fuse

The brake light switch could get shorted and can continue to send a signal that the brake is applied and that will keep the cruise from working.
The brake light switch is located behind the brake pedal lever (see diagram below).

I have attached diagrams for your reference.

Please let me know of any questions.
Thank you.
Was this
answer
helpful?
Yes
No
+1
Saturday, October 9th, 2021 AT 12:11 PM

Please login or register to post a reply.