All gauges stops working?

Tiny
ANTONIO SANCHEZ
  • MEMBER
  • 2008 CADILLAC CTS
  • 3.6L
  • V6
  • 2WD
  • AUTOMATIC
  • 12,000 MILES
How to fix when all gauges stops working on a 2008 Cadillac cts
Monday, April 14th, 2014 AT 1:45 PM

7 Replies

Tiny
HMAC300
  • MECHANIC
  • 48,601 POSTS
Hello,

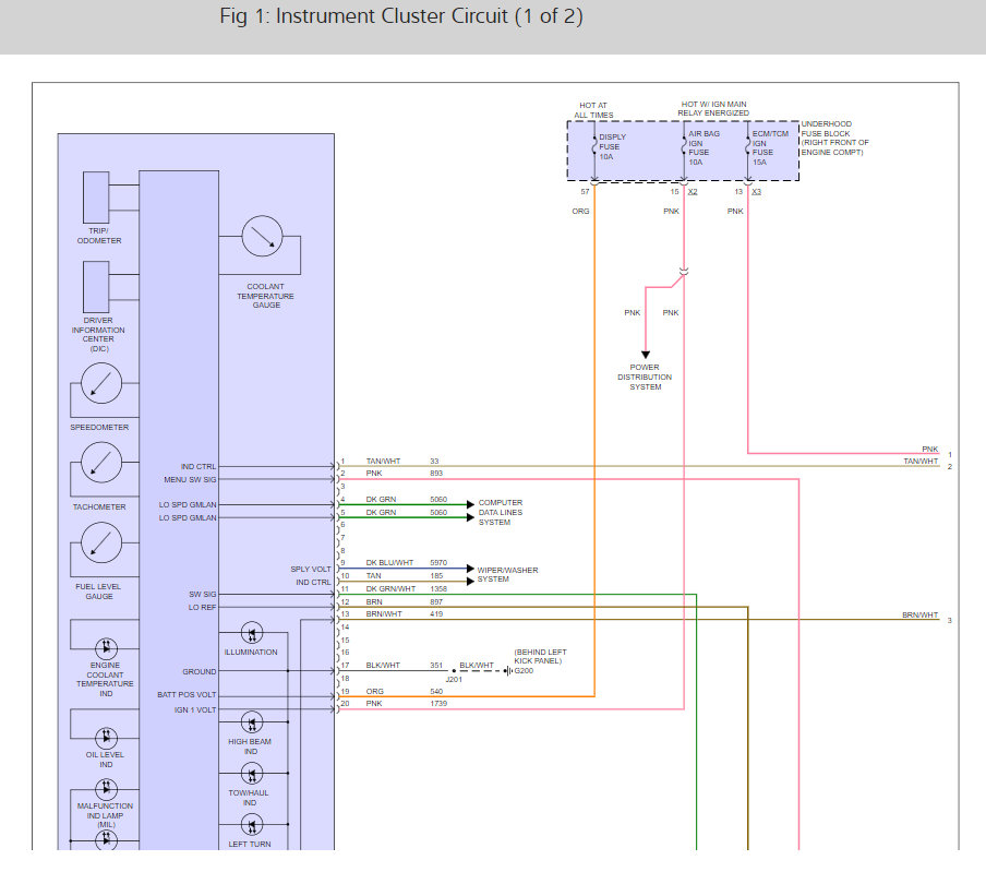
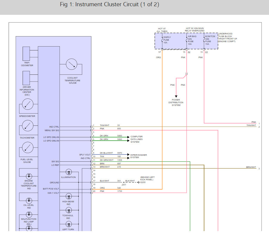
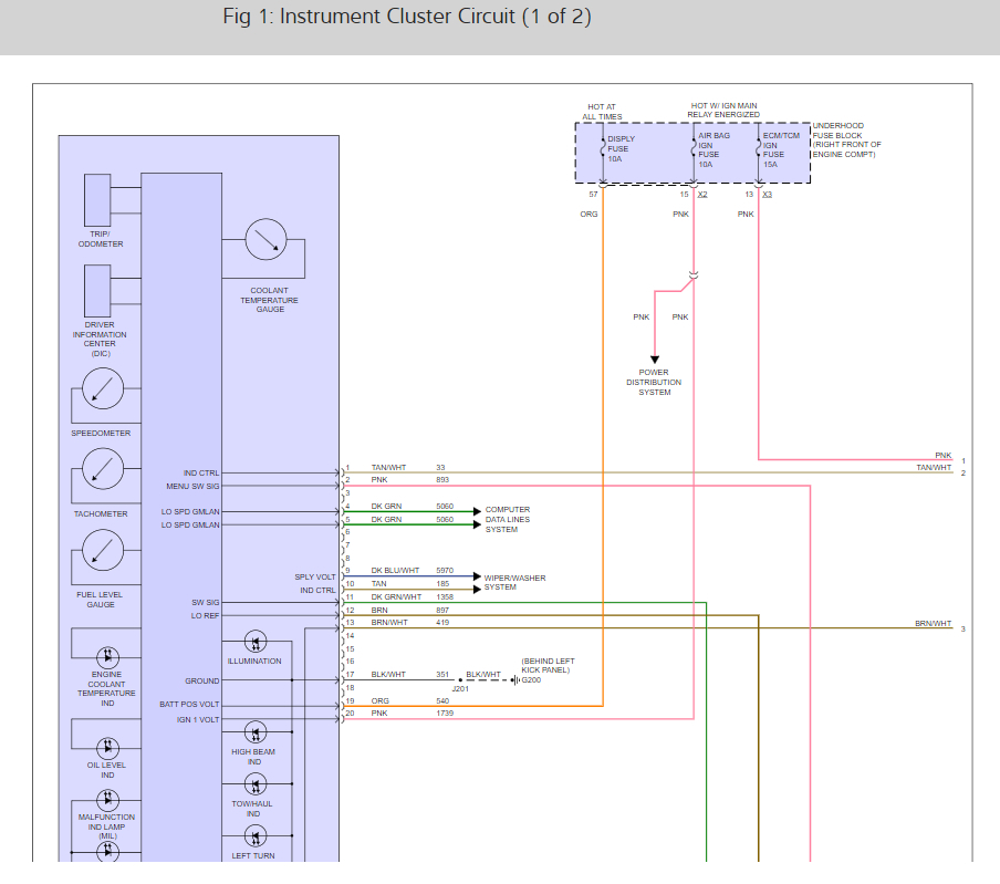
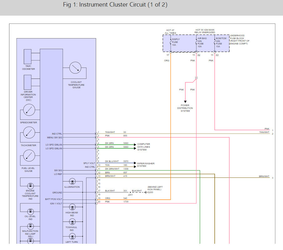
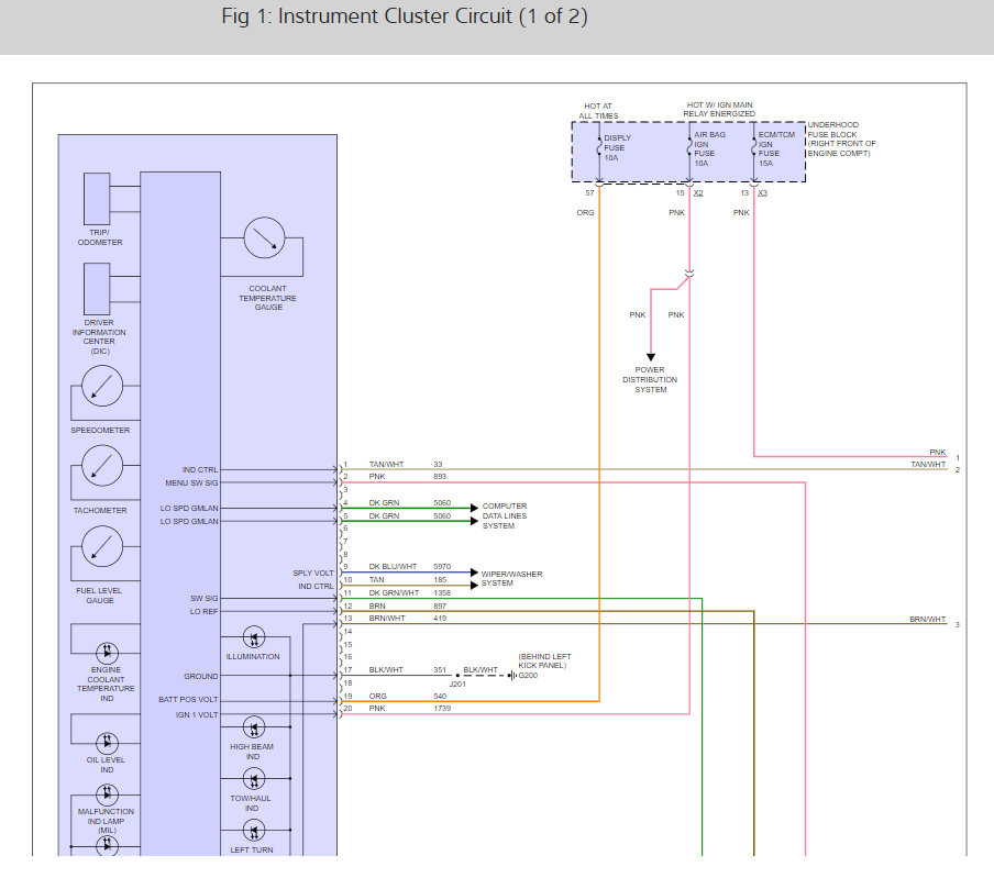
There is a display fuse that needs to be checked in the under hood fuse box. Here is a guide to help you test it and the location of the fuse and wiring diagrams so you can see how the system works below.

https://www.2carpros.com/articles/how-to-check-a-car-fuse

Check out the diagrams (Below). Please let us know what you find. We are interested to see what it is.
Was this
answer
helpful?
Yes
No
+1
Tuesday, April 15th, 2014 AT 6:55 AM
Tiny
BOOPERIII
  • MEMBER
  • 1 POST
Thank you for this post I checked out the fuse and it was bad all fixed! I love this site.
Was this
answer
helpful?
Yes
No
-1
Wednesday, January 2nd, 2019 AT 2:06 PM
Tiny
EARL85
  • MEMBER
  • 1 POST
  • 2004 CADILLAC CTS
2004 Cadillac CTS 6 cyl Automatic

Hello,

I own a 2004 CTS and recently experience a problem as follows:
cruise won't work, temp & fuel guages won't work, anti theft indicator on continuoiusly, traction control indicator on continuoiusly, shifter position lights don't work, and key won't release after stopping motor.

Can anyone help?

Thanks
Was this
answer
helpful?
Yes
No
Wednesday, January 2nd, 2019 AT 2:07 PM (Merged)
Tiny
FACTORYJACK
  • MECHANIC
  • 4,159 POSTS
Just the fuel gauge and temp is inoperative on the I/P, or is the tach and speedo as well? You could have a couple possibilities, a power supply problem, a communications problem, or even a faulty ECM. Try first disconnecting the battery cables and shorting them together. This removes power from all modules, and the shorting together discharges the capacitors. It can be considered a reboot. See if that corrects matters. If that makes no change, you are almost going to need a scan tool to see that you have all modules present, and can communicate with them. Was there perhaps a low voltage condition, or a jumpstart delivered to the vehicle prior to this?
Was this
answer
helpful?
Yes
No
+5
Wednesday, January 2nd, 2019 AT 2:07 PM (Merged)
Tiny
COREOPSIS3131
  • MEMBER
  • 1 POST
Yes there has been a low voltage issue once
What should I do for that?
Was this
answer
helpful?
Yes
No
Wednesday, January 2nd, 2019 AT 2:07 PM (Merged)
Tiny
FACTORYJACK
  • MECHANIC
  • 4,159 POSTS
Check the charging system for proper output
See the guide below, it will help

https://www.2carpros.com/articles/how-to-check-a-car-alternator
Was this
answer
helpful?
Yes
No
Saturday, May 4th, 2019 AT 5:02 PM
Tiny
RICHIE LEAL
  • MEMBER
  • 1 POST
My alternator was weak in my Caddy. The whole car was freaking out. New alt fixed it all

This site is great. Tons of info
Was this
answer
helpful?
Yes
No
Saturday, May 4th, 2019 AT 5:03 PM

Please login or register to post a reply.