Courtesy lights interior not turning off

Tiny
RRSTAMP
  • MEMBER
  • 2004 CADILLAC CTS
  • 6 CYL
  • 2WD
  • AUTOMATIC
  • 79,000 MILES
Got in the car last night and the lights would not dim out. Nothing in manual says anything about it, disconnected battery all night and still lights came back on. Took the relay out for now to keep battery from running down. What is it trying to tell me?

The slide dimmer controls the dash board lights is good. My question is about the interior /courtesy lights on the doors and map lights.
Sunday, January 17th, 2010 AT 2:32 PM

5 Replies

Tiny
KEN L
  • MASTER CERTIFIED MECHANIC
  • 55,469 POSTS
Hello,

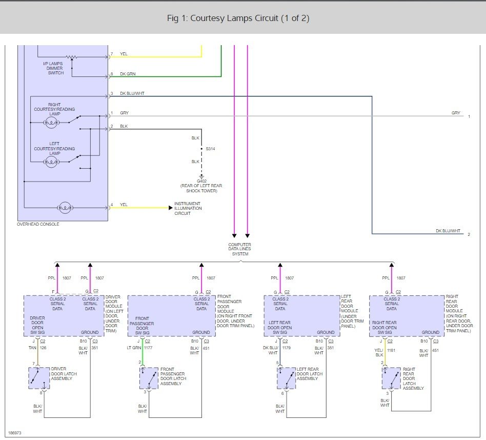
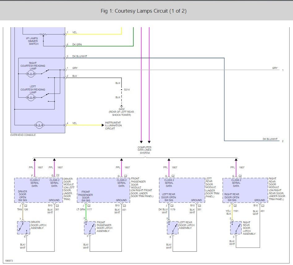
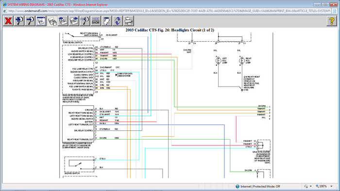
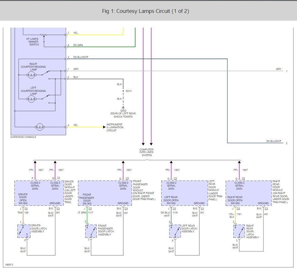
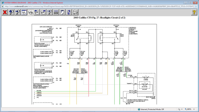
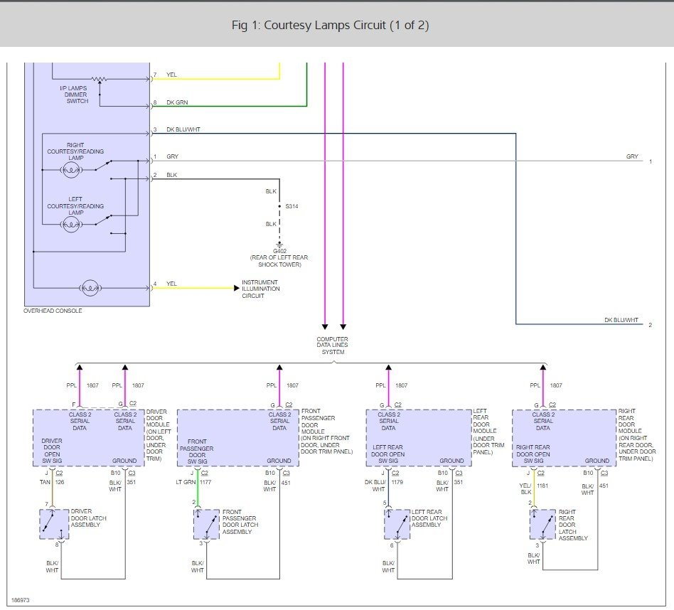
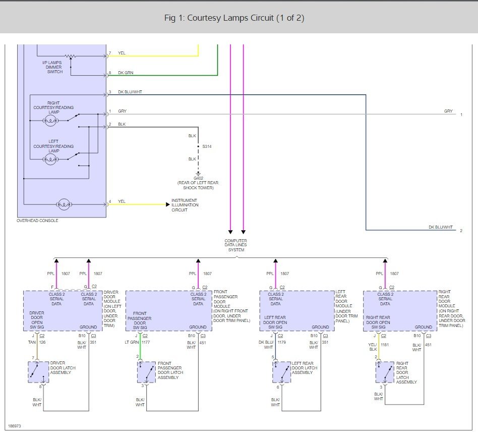
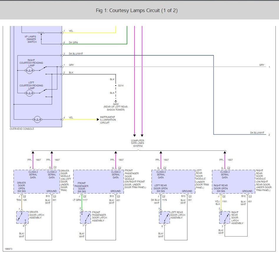
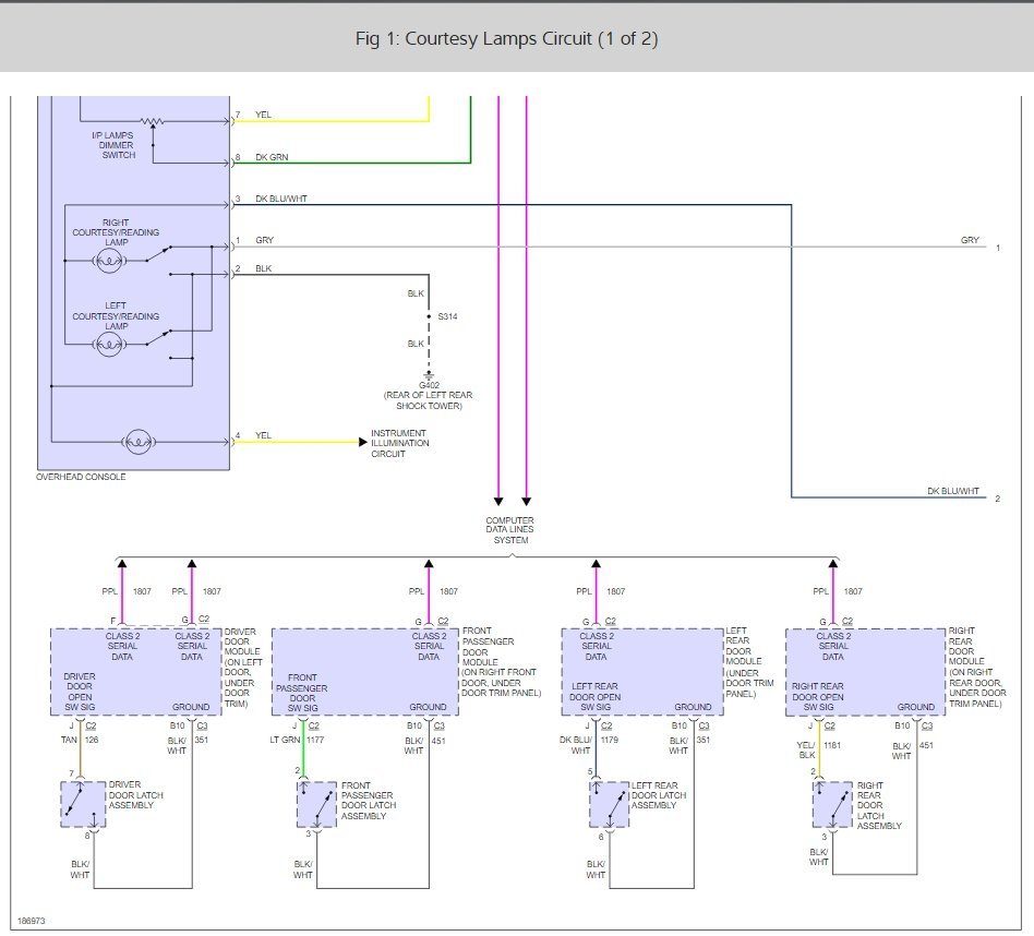
Usually this is a problem with one of the door switches signaling an open door even when they are closed. This will require some testing at the switch wiring input. Here is a guide to help you do some testing along with the wiring diagrams.

https://www.2carpros.com/articles/how-to-use-a-test-light-circuit-tester

You can also test the headlight switch as well.

Please let us know what happens, we are interested to see what it is.

Cheers, Ken

Was this
answer
helpful?
Yes
No
Monday, June 12th, 2017 AT 4:16 PM
Tiny
AUNTTINKER
  • MEMBER
  • 2 POSTS
  • 2003 CADILLAC CTS
  • 123,000 MILES
They are coming on whenever they want, are'nt they suppose to come on at any time I start my car? When I start my car the daytime lights were coming on automatically at any time I start my car, now they might come on or they may not, what can be causing this problem?
Was this
answer
helpful?
Yes
No
-1
Monday, June 12th, 2017 AT 4:17 PM (Merged)
Tiny
RIVERMIKERAT
  • MECHANIC
  • 6,110 POSTS
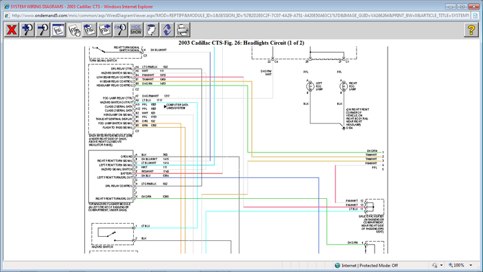
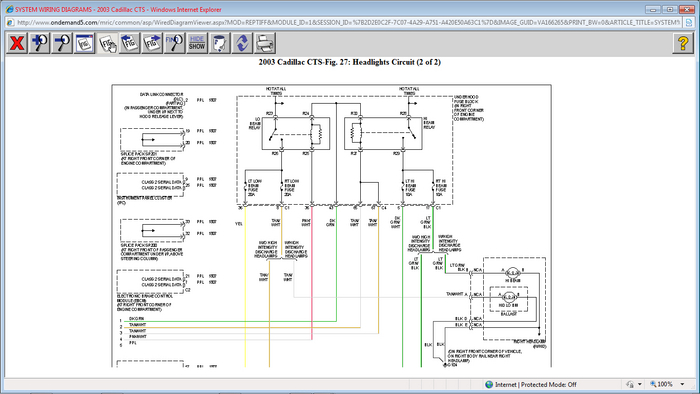
Check the grounds.
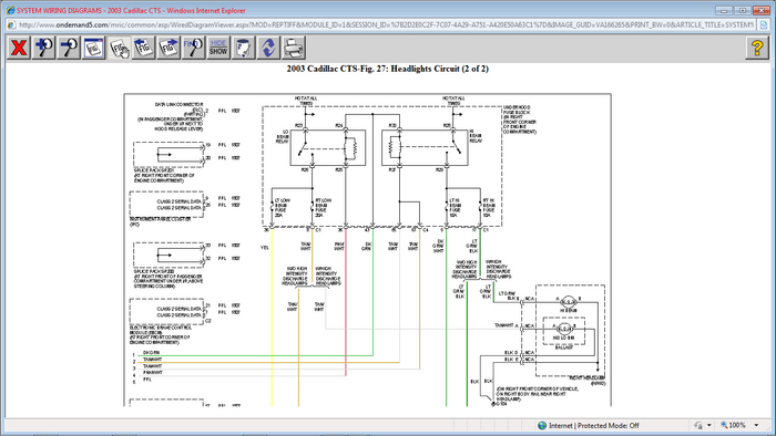
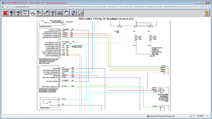
Check the DRL relay in the underhood relay box.
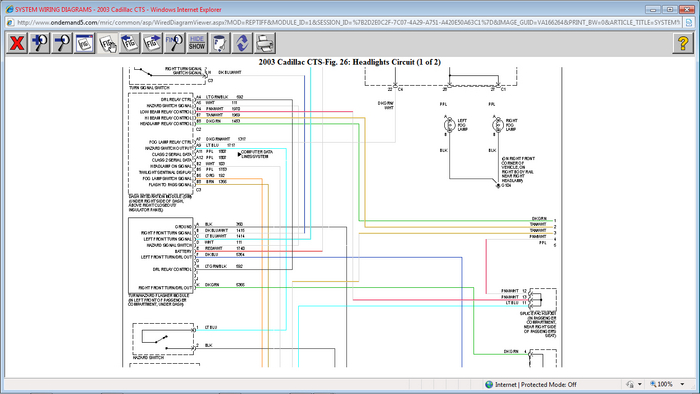
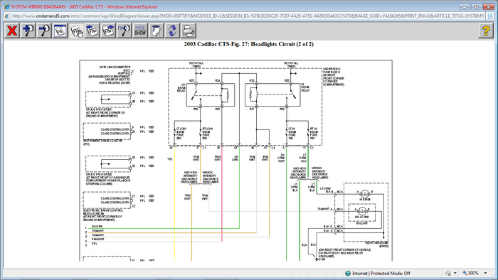
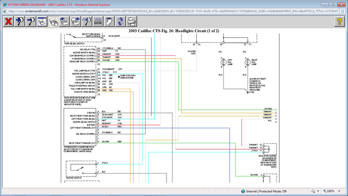
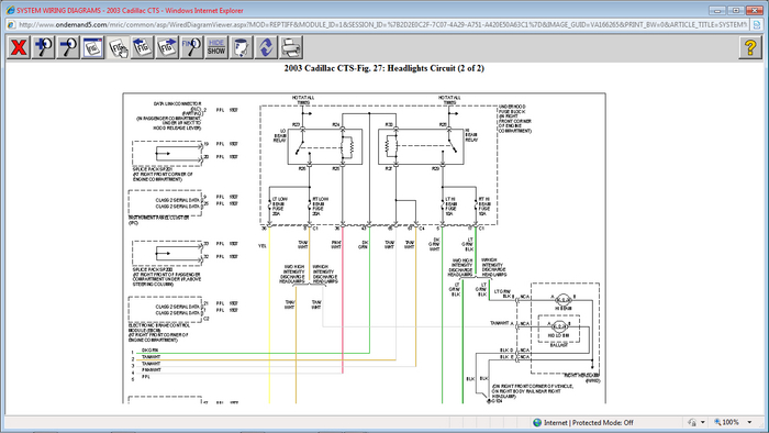
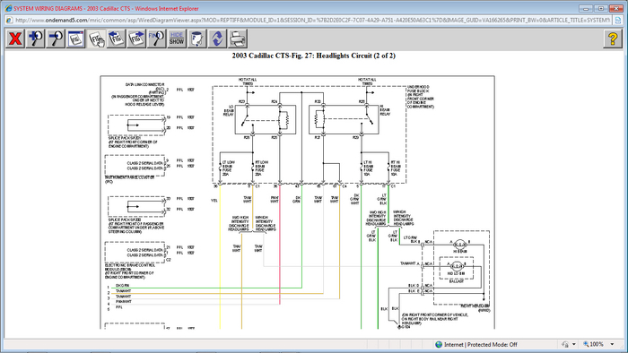
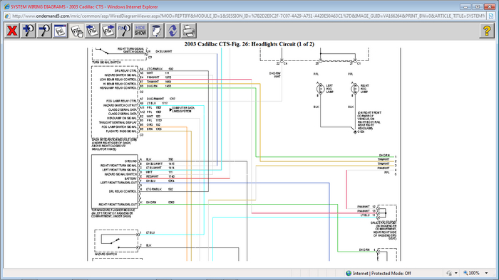
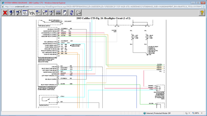
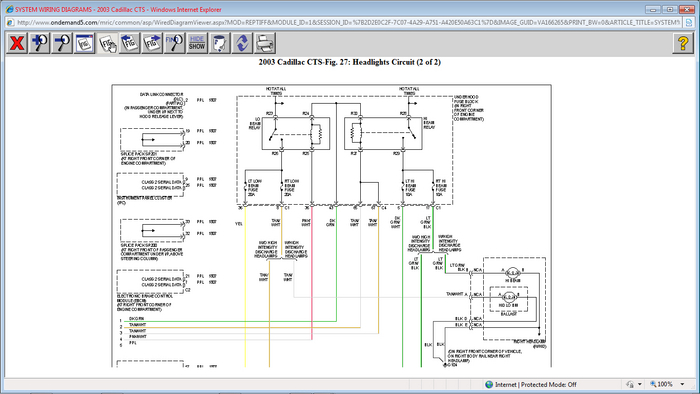
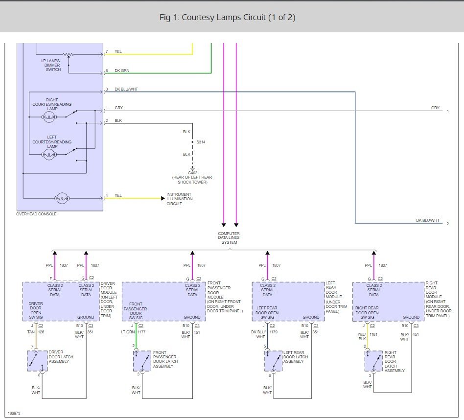
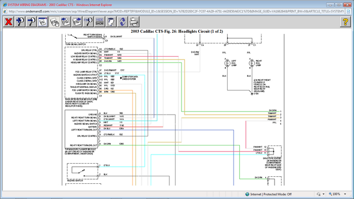
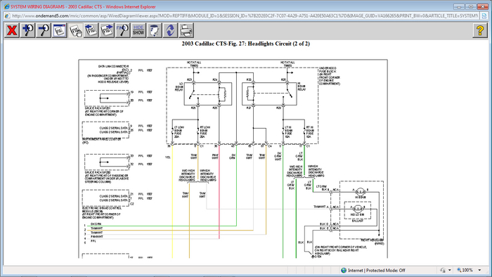
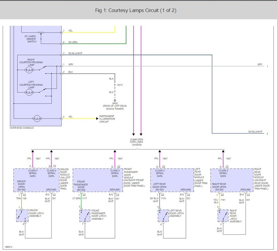
I have included magnified screenshots of the pertinent sections of the wiring diagrams.
Was this
answer
helpful?
Yes
No
Monday, June 12th, 2017 AT 4:17 PM (Merged)
Tiny
JMMO13
  • MEMBER
  • 1 POST
  • 2003 CADILLAC CTS
Interior problem
2003 Cadillac CTS 6 cyl Two Wheel Drive Automatic

i was trying to replace the mirror in the sunvisor and I shorted out the interior lights ive replaced the sun visor and checked the fuses. Could it be the rheostat and if so where do I find it. Please help its dark inside my car
Was this
answer
helpful?
Yes
No
+1
Monday, June 12th, 2017 AT 4:17 PM (Merged)
Tiny
GMTECH
  • MECHANIC
  • 537 POSTS
Did you make sure after shorting out the wiring that you don't still have the wiring pinched in some way. Usually the fuse would blow. If not, try power the system down by disconnecting the battery and touching the 2 cables together for 30 seconds and then reconnecting.
Was this
answer
helpful?
Yes
No
Monday, June 12th, 2017 AT 4:17 PM (Merged)

Please login or register to post a reply.