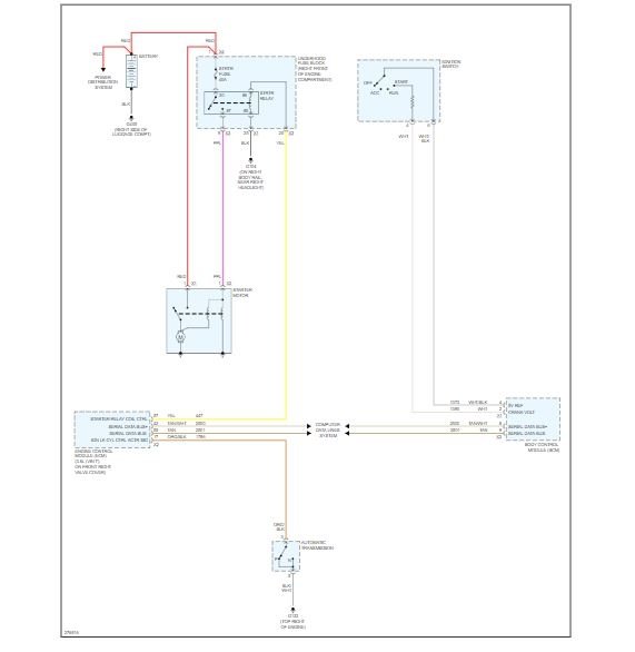
Sunday, October 19th, 2014 AT 6:26 AM
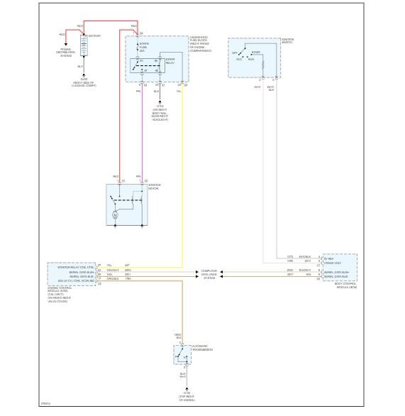
When I start my car sometimes it struggles to turn over for a few seconds. Other times I turn the key and nothing happens, no clicking, no starting. Just nothing. If I turn it a second time it starts. Happens mostly if my car is parked out in the heat for a long period of time. But now happening more frequently. I changed the battery and I still have the problem. I had my engine and computer system checked all came back fine. I have a check tire motor system light on that no one can figure out why and weird computer noises come from my radio when it's turned off. Not sure what's wrong.
