Wipers wont turn off

Tiny
RB65
  • MEMBER
  • 2008 ACURA MDX
  • 90,000 MILES
Every option with the wipers work except they wont shut off?
Sunday, March 18th, 2012 AT 1:12 AM

10 Replies

Tiny
KHLOW2008
  • MECHANIC
  • 41,814 POSTS
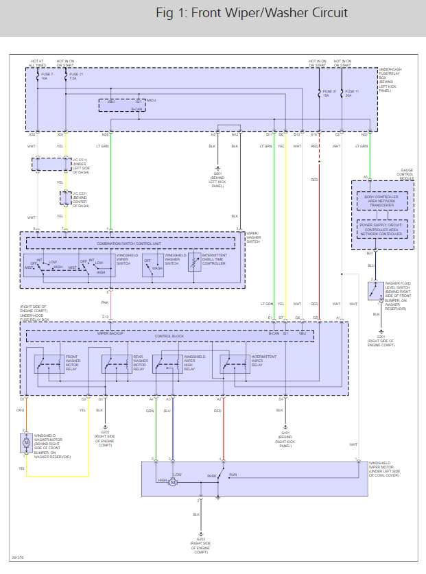
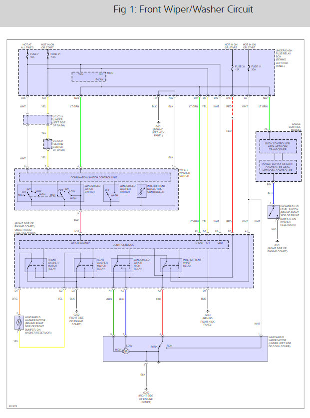
It sounds like the wiper switch has gone bad and needs to be replaced but to be sure here is a wiring diagram to help us see how the system works. It could be the switch or the control relay

Here is a guide to help us get the problem fixed.

https://www.2carpros.com/articles/how-to-check-an-electrical-relay-and-wiring-control-circuit

here is a wiper wiring diagram (Below) and the relay locations. let us know how it goes.

Please let us know what happens.

Cheers,
Was this
answer
helpful?
Yes
No
Sunday, March 18th, 2012 AT 5:29 AM
Tiny
DMITAL
  • MEMBER
  • 1 POST
I had the issue on my 2008 acura mdx it was out of warranty.
I bought a wiper switch from the acura dealer (it seems its dealer part - not carried by other vendors), opened up the steering column cover and replaced the switch. That fixed the problem thanks for the help, I love this site, you guys are great!

Much love !
Was this
answer
helpful?
Yes
No
+6
Friday, June 1st, 2012 AT 3:35 PM
Tiny
BIGDADDIO45
  • MEMBER
  • 1 POST
Hi - seems like I have the same problem. The wipers won't go off (stuck on intermitten) and stay in standard speed even when I put it on high. Do you have the instructions for replacing the switch and is it an easy fix? Thanks
Was this
answer
helpful?
Yes
No
+5
Tuesday, October 22nd, 2013 AT 8:24 AM
Tiny
KHLOW2008
  • MECHANIC
  • 41,814 POSTS
WIPER/WASHER SWITCH REPLACEMENT

1. Remove the dashboard lower cover.
2. Remove the steering column covers.
3. Disconnect the combination light switch 20P connector (A), and dashboard wire harness 8P connector (B) from the wiper/washer switch (C).
4. Remove the two screws, then slide out the wiper/washer switch.

NOTE: The wiper/washer switch is built into the combination switch control unit.
Was this
answer
helpful?
Yes
No
+1
Wednesday, October 23rd, 2013 AT 11:57 AM
Tiny
DINET
  • MEMBER
  • 1 POST
Hi! Thanks for help with the same problem! However, the devil is in the details! Found that there is a little pin at the top outside which must be released by prying up the front lip a bit to allow the unit to slip out. Also, it seemed to be necessary to slide the light control out to access the connector plug. Not necessary to remove the lower dashboard cover. Appreciate the help!
Was this
answer
helpful?
Yes
No
+1
Saturday, December 28th, 2013 AT 11:35 AM
Tiny
KHLOW2008
  • MECHANIC
  • 41,814 POSTS
You're welcome.

Happy New Year.
Was this
answer
helpful?
Yes
No
Saturday, December 28th, 2013 AT 8:58 PM
Tiny
MICHAEL SCHLINK
  • MEMBER
  • 2 POSTS
  • 2008 ACURA MDX
  • 6 CYL
  • 2WD
  • AUTOMATIC
  • 60,000 MILES
The wipers work, but when turned off stop while still on the windshield, they do not go down. The intermittent wiper speed seems very slow. I tried replacing the stalk/switch control on the steering column but that did not help
Was this
answer
helpful?
Yes
No
-2
Saturday, July 29th, 2017 AT 7:25 PM (Merged)
Tiny
CARADIODOC
  • MECHANIC
  • 34,463 POSTS
The most common cause of this is a defective "park" switch inside the wiper motor, but before replacing the motor, we would check that the twelve volt feed to the motor is there any time the ignition switch is on. If that is missing, suspect a blown fuse. If that fuse blows repeatedly, the "park" switch is likely damaged and is grounding to the motor housing.
Was this
answer
helpful?
Yes
No
+3
Saturday, July 29th, 2017 AT 7:25 PM (Merged)
Tiny
MICHAEL SCHLINK
  • MEMBER
  • 2 POSTS
  • 2008 ACURA MDX
  • 6 CYL
  • 2WD
  • AUTOMATIC
  • 70,000 MILES
The wiper will not return to their rest position when turned off. Speed does not change form hi/lo or intermittent. I think it is the wiper switch needs replacing.
What could it be?
Was this
answer
helpful?
Yes
No
+1
Saturday, July 29th, 2017 AT 7:25 PM (Merged)
Tiny
HMAC300
  • MECHANIC
  • 48,601 POSTS
It sounds like the relay is bad I would try replacing it.
Was this
answer
helpful?
Yes
No
+3
Saturday, July 29th, 2017 AT 7:25 PM (Merged)

Please login or register to post a reply.