Volvo A/C Problem

Tiny
MARCUSP31061
  • MEMBER
  • 2007 VOLVO S40
  • 5 CYL
  • FWD
  • MANUAL
  • 121 MILES
2007 Volvo s40 A/C issue. The A/C work but stops on its own.I have done all the basic A/C service but I think a sensor is giving me an intermittent problem. Any help would be appreciated.
Monday, May 23rd, 2011 AT 6:11 PM

9 Replies

Tiny
JIS001
  • MECHANIC
  • 3,412 POSTS
Your most likely problem will be a worn compressor clutch. Very common on this vehicle. Next time it goes out, check for power at the clutch. If you have power you know the clutchis worn out. Good luck and let me know what you find.
Was this
answer
helpful?
Yes
No
+2
Tuesday, May 24th, 2011 AT 2:41 AM
Tiny
MARCUSP31061
  • MEMBER
  • 5 POSTS
The A/C clutch is working like it should when it has power. Something is cutting the power off to the clutch. All the relays have power even when the compressor clutch is not energized
. So yes and no on power question.
Was this
answer
helpful?
Yes
No
+4
Tuesday, May 24th, 2011 AT 3:52 PM
Tiny
JIS001
  • MECHANIC
  • 3,412 POSTS
I am not sure if you understood my question? When the compressor stops working, at that moment have you gone to the connector, unplugged it, and probed it with a test light to check for power? If you have power t hen the clutch is worn out. I can almost say 99% it is going to be your problem so let me know what you measure at the connector when it goes out.
Was this
answer
helpful?
Yes
No
+1
Wednesday, May 25th, 2011 AT 4:59 AM
Tiny
MARCUSP31061
  • MEMBER
  • 5 POSTS
Iii
Was this
answer
helpful?
Yes
No
Wednesday, May 25th, 2011 AT 11:58 AM
Tiny
MARCUSP31061
  • MEMBER
  • 5 POSTS
I understand very well what your asking. The clutch / power wire hasn't any power when the A/C stops cooling. I have been a mechanic for almost 20 years and I have worked on almost every kind of vehicle we have in Georgia. I am just getting into the european cars for the first time is why I have a bit of confusion on this A/C issue.
Was this
answer
helpful?
Yes
No
Wednesday, May 25th, 2011 AT 12:17 PM
Tiny
JIS001
  • MECHANIC
  • 3,412 POSTS
OK when it goes out next time go towards the back of the firewall on the passenger side. You will see the low pressure switch. Disconnect it and place a jumper wire. If the compressor comes back on replace t he low pressure switch. Let me know what happens please.
Was this
answer
helpful?
Yes
No
+2
Wednesday, May 25th, 2011 AT 7:39 PM
Tiny
MARCUSP31061
  • MEMBER
  • 5 POSTS
It has power on both sides of the low pressure switch/ fan switch. The switch is working as far I know. It will raise the engines rpm if its disconnected and jumped or plugged back into the switch.
Was this
answer
helpful?
Yes
No
Wednesday, May 25th, 2011 AT 7:55 PM
Tiny
JIS001
  • MECHANIC
  • 3,412 POSTS
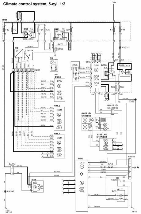
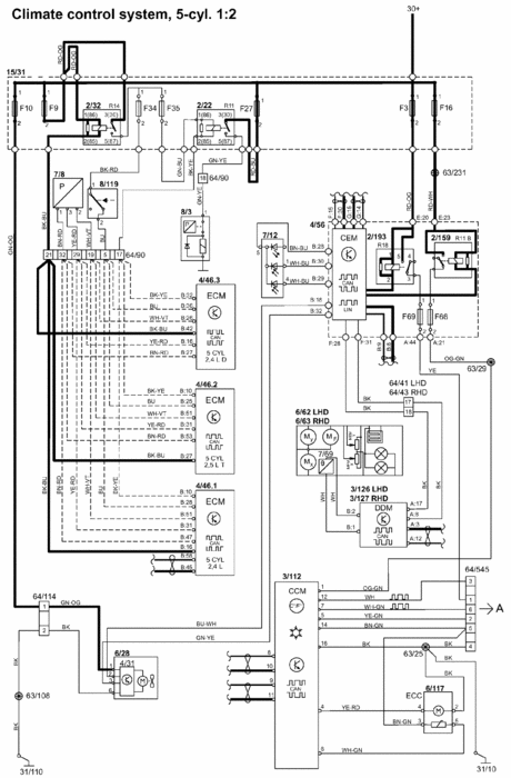
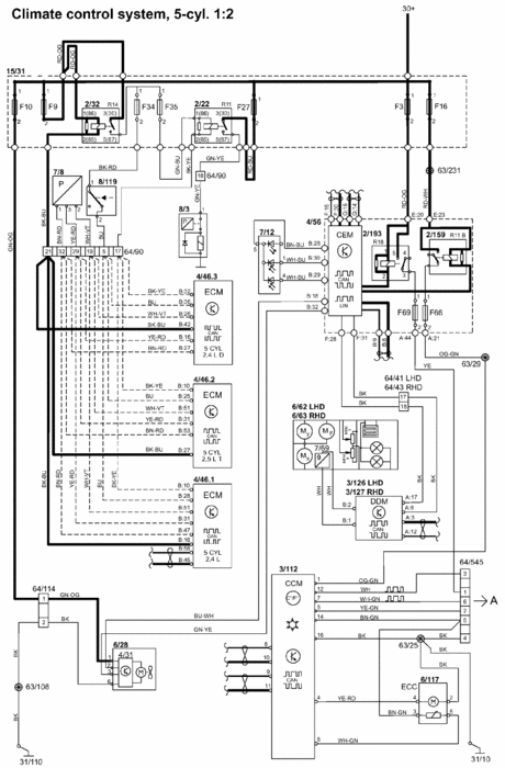
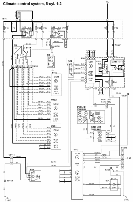
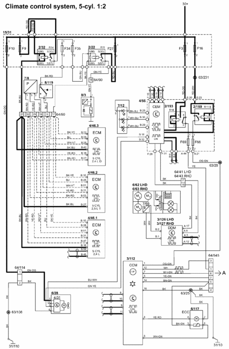
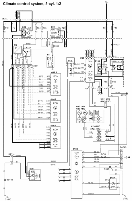
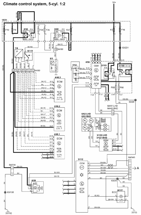
I was going over some of your responces and was looking at the one for the 24th? You mentioned all the relays have power but yet there is no power to the clutch so it makes it confusing? I am attaching the wiring diagram of the A/C system here. See component 8/3 that is the magnetic clutch for the A/C where you say you measured for battery voltage. Measure the circuit for an open from the magnetic clutch to relay 2/22 pin #5 (#87 on the relay blade) wiggle the engine harness around to see if there is any change? Also look at the fuse F27 in the engine compartment. Remove it and inspect. If it looks some what burnt replace it. If the circuit measures ok then you could have an issue with the relay itself when it gets hot. Also try this when the clutch stops working. While vehicle is still running, tap the clutch to see if it engages. If it does then the clutch is worn out, so replace the clutch. To replace you need to install shims to get the gap right. Clearance is.3mm to.5mm Let me know what you find?
Was this
answer
helpful?
Yes
No
+5
Friday, May 27th, 2011 AT 5:17 AM
Tiny
JIS001
  • MECHANIC
  • 3,412 POSTS
Hi Dan, I hope some of the past responses guide you to the root fault. During my time at Volve the clutch would be the #1 issue. If you still feel that you need assistance please start a new question so we can better guide you. If the clutch was the issue let us know. Your feedback will greatly help someone else that runs into this issue. Good luck Dan and thank you for your positive feedback. I will be waiting for your responce as to what fix the issue.
Was this
answer
helpful?
Yes
No
Wednesday, June 17th, 2020 AT 9:43 PM

Please login or register to post a reply.