Radio not working

Tiny
NOAH513
  • MEMBER
  • 2007 SATURN AURA
  • 6 CYL
  • FWD
  • AUTOMATIC
  • 56,000 MILES
There is no sound in my car. Radio does not come on at all. My blinker blinks but does not make the clicking sound. Was working at one time. Everything just stopped working one day. The warning sounds do not even sound. I checked the fuses and everything. But only the ones by the passenger seat.
Wednesday, February 9th, 2011 AT 10:44 PM

20 Replies

Tiny
SATURNTECH9
  • MECHANIC
  • 30,869 POSTS
Hello,

There is a radio and amp fuse that run the system so make sure you look at both of these fuses and make sure they getting power. Here is a guide:

https://www.2carpros.com/articles/how-to-check-a-car-fuse

If there are getting power there is a BCM that controls both the blinkers and radio. Here are the system wiring diagrams so you can see how the system works and the BCM location with fuse in case you need it.

Check out the diagrams (below). Please let us know what you find. We are interested to see what it is.

Cheers
Was this
answer
helpful?
Yes
No
+10
Wednesday, October 17th, 2012 AT 10:07 PM
Tiny
SHANNON_PRIV
  • MEMBER
  • 1 POST
Thanks for the help on this problem. I had to have the dealer replace me BCM cost me $560.00 I wish I saw this post earlier.
Was this
answer
helpful?
Yes
No
Monday, September 24th, 2018 AT 2:22 PM
Tiny
BOUVIAT
  • MEMBER
  • 15 POSTS
My son is having the same problem, no power to the radio and the blinkers don't make a noise, but they work. There was no fuse for the radio, so I put one in and it only fixed the cigarette lighter (wasn't working either). Any suggestions?
Was this
answer
helpful?
Yes
No
-1
Friday, June 17th, 2022 AT 2:31 PM
Tiny
JACOBANDNICKOLAS
  • MECHANIC
  • 110,192 POSTS
Hi,

Is your vehicle the same year, make, and model as the original one listed?

If it isn't, I need you to start a new thread with the correct information. Just copy and paste your question to a new thread. Here is the link to get you started.

https://www.2carpros.com/questions/new

As far as not hearing the blinkers, many vehicles provide that sound through the audio system. So, if there is no power to the radio, that is likely why it's happening.

Let me know.

Take care,

Joe
Was this
answer
helpful?
Yes
No
-1
Friday, June 17th, 2022 AT 7:26 PM
Tiny
BOUVIAT
  • MEMBER
  • 15 POSTS
My son is I having the same problem with no power to the radio and the blinkers don't make a noise but they work. There was no fuse for the radio, so I put one in and it only fixed the cig lighter (wasn't working before). Any suggestions?
Was this
answer
helpful?
Yes
No
Friday, June 17th, 2022 AT 9:54 PM
Tiny
JACOBANDNICKOLAS
  • MECHANIC
  • 110,192 POSTS
Hi,

If this is the same year make and model as the vehicle listed, there is a radio fuse that is located on the left side of the center console.

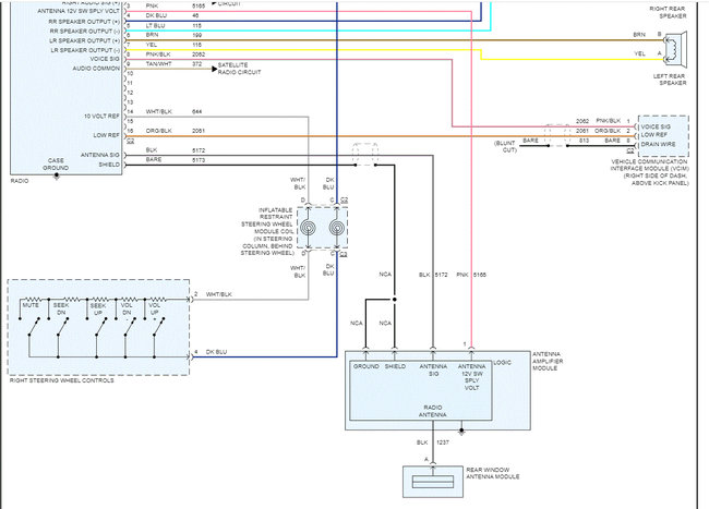
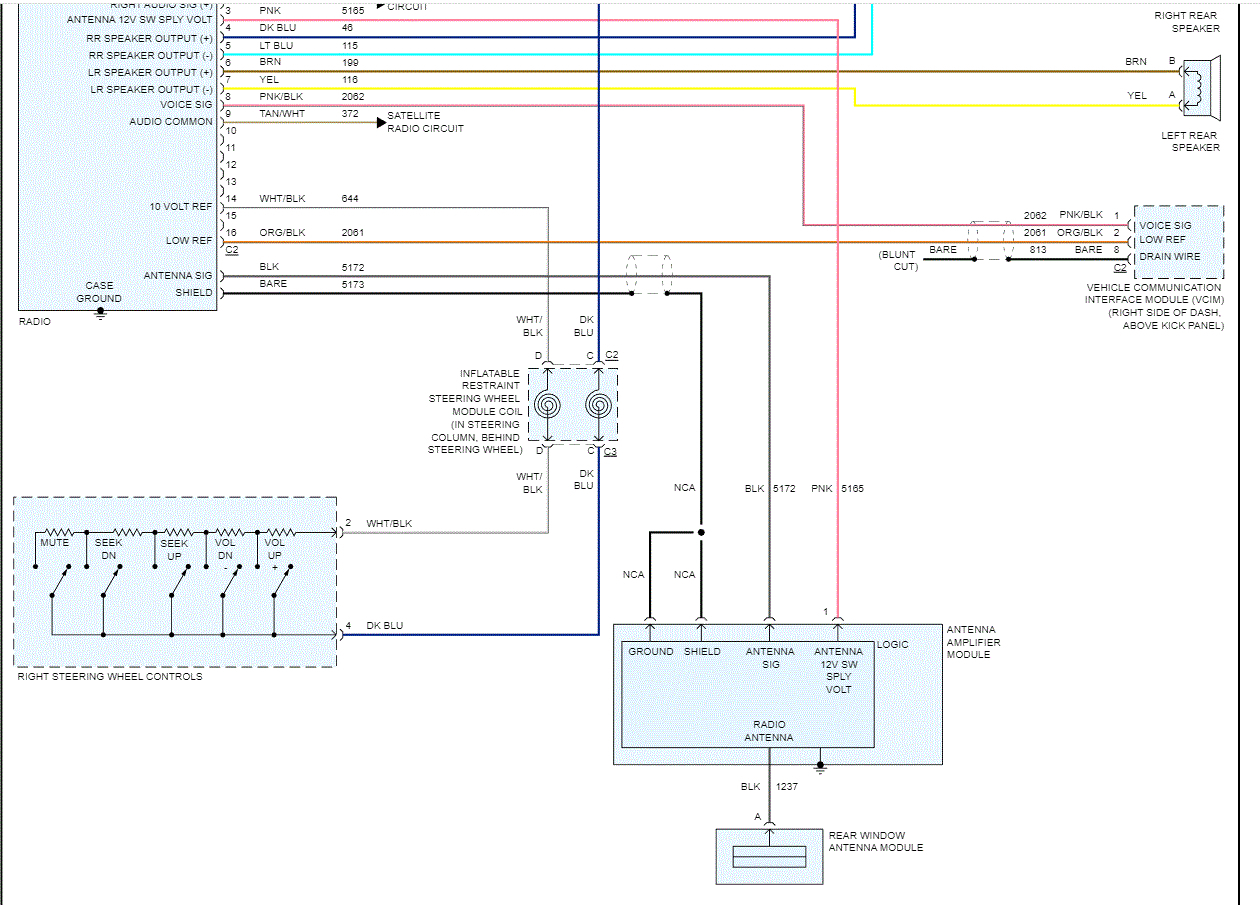
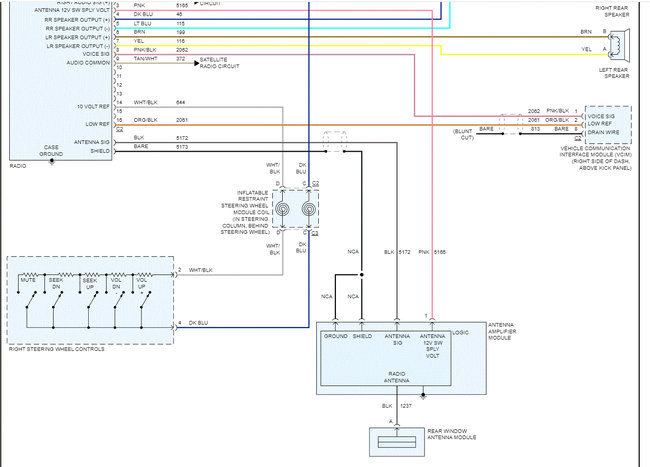
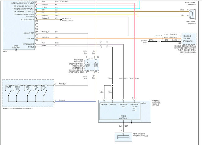
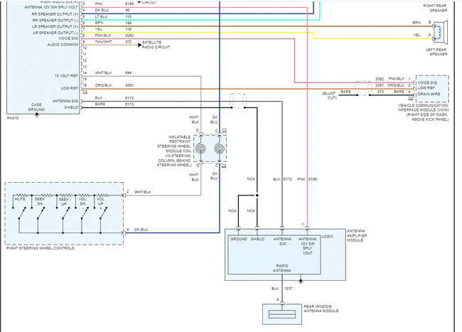
I attached a wiring schematic for a standard radio for this vehicle. If you check the fuse, it's important to also check if there is power to and from it. Here is a link you may find helpful:

https://www.2carpros.com/articles/how-to-check-a-car-fuse

If you look at pic 3, it shows the fuse location in the box. Please keep in mind, this info is for a 2007 Saturn Aura. If you have something different, this won't be relevant.

Let me know if this helps or if you have other questions.

Take care,

Joe

See pics below.
Was this
answer
helpful?
Yes
No
Saturday, June 18th, 2022 AT 10:11 PM
Tiny
BOUVIAT
  • MEMBER
  • 15 POSTS
My son has a 2007 Saturn Aura.
Was this
answer
helpful?
Yes
No
-1
Sunday, June 19th, 2022 AT 10:29 AM
Tiny
BOUVIAT
  • MEMBER
  • 15 POSTS
I checked the radio fuse and there wasn't a fuse there. So, I put one in and all it fixed was the lighter. I also checked the amp fuse in the trunk, it looked fine. I can try getting new ones to see if that changes anything.
Was this
answer
helpful?
Yes
No
Sunday, June 19th, 2022 AT 10:30 AM
Tiny
BOUVIAT
  • MEMBER
  • 15 POSTS
I'm not sure I understand how to do the wiring diagrams. Is that what you're supposed to trace through the car? I know they have three fuse boxes, 1 in the engine bay 1 passenger seat and 1 in the trunk. Is there anything I should check besides the radio and the amp?
Was this
answer
helpful?
Yes
No
Sunday, June 19th, 2022 AT 10:38 AM
Tiny
JACOBANDNICKOLAS
  • MECHANIC
  • 110,192 POSTS
Hi,

The schematic simply shows how everything ties together. To answer your question, yes, I would identify the wire and its color, and then I could go to the two different locations it runs to for testing.

Am I correct that the radio fuse in the vehicle center console is good? Also, keep in mind that the fuse could be good but there is no power to it. Also, if this system has a remote amp, it doesn't sound like the base system. See options below.

Let me know what you have. At that point, I will tell you what wire to look for at the amp and radio to check for power.

Let me know.

Joe
Was this
answer
helpful?
Yes
No
Sunday, June 19th, 2022 AT 7:49 PM
Tiny
BOUVIAT
  • MEMBER
  • 15 POSTS
How do I find out what sound system I have? There is a radio fuse in the passenger fuse box and there's a amp fuse in the trunk.
Was this
answer
helpful?
Yes
No
Monday, June 20th, 2022 AT 7:11 AM
Tiny
JACOBANDNICKOLAS
  • MECHANIC
  • 110,192 POSTS
Hi,

There will be an RPO list (which should be under the spare tire) that identifies what the vehicle came with from the factory. RPO stands for regular production options.

Once you locate the list, which will consist of three characters, letters, and numbers. What I need you to do is see which of the RPO codes I attached below and listed for your vehicle.

Let me know.

Joe
Was this
answer
helpful?
Yes
No
Monday, June 20th, 2022 AT 9:53 PM
Tiny
BOUVIAT
  • MEMBER
  • 15 POSTS
I took the spare tire out there is no sticker there. I'm reading the manual and it says it should be in the glove box and I'm going to check now, but I don't think it's there. Any other place it could be?
Was this
answer
helpful?
Yes
No
Tuesday, June 21st, 2022 AT 1:02 PM
Tiny
BOUVIAT
  • MEMBER
  • 15 POSTS
Okay, found it is US8.
Was this
answer
helpful?
Yes
No
Tuesday, June 21st, 2022 AT 1:08 PM
Tiny
JACOBANDNICKOLAS
  • MECHANIC
  • 110,192 POSTS
Hi,

That is the basic stereo. The wiring schematic I posted before is correct. The power wire at the radio is red with a white tracer.

Here is a link you may find helpful:

https://www.2carpros.com/articles/how-to-check-wiring

Let me know what you find.

Joe
Was this
answer
helpful?
Yes
No
Tuesday, June 21st, 2022 AT 3:36 PM
Tiny
BOUVIAT
  • MEMBER
  • 15 POSTS
Well, what should I do now? Should I take the stereo out?
Was this
answer
helpful?
Yes
No
Tuesday, June 21st, 2022 AT 4:15 PM
Tiny
BOUVIAT
  • MEMBER
  • 15 POSTS
I don't know how to do all this wiring stuff. We're just going to have to take it to a dealership. What if I install a new stereo would that work, or would I have the same problem do you think?
Was this
answer
helpful?
Yes
No
Tuesday, June 21st, 2022 AT 4:19 PM
Tiny
JACOBANDNICKOLAS
  • MECHANIC
  • 110,192 POSTS
Hi,

If there is a power issue, replacing the radio won't help. If you disconnect the connector off the rear of the stereo, there will be a connector with pins that make contact when the connector is plugged in.

If you could locate the red/white wire in the harness, identify which pin it goes to, and using a test lamp or a voltmeter, see if there is power present when the key is on.

I totally understand if you are not comfortable, but I'm here if you need help or have questions.

If you do choose to take it for repair, the dealership would likely be the most expensive. You may want to contact a shop that only works on car audio. Chances are they would know exactly what to check and it should be less expensive.

Regardless, if you do take it to a shop, could you let me know what they find? I'm interested in knowing. Or, if you want to give it a try, I will help as much as I can from here.

Take care and let me know.

Joe
Was this
answer
helpful?
Yes
No
Tuesday, June 21st, 2022 AT 8:30 PM
Tiny
JACOBANDNICKOLAS
  • MECHANIC
  • 110,192 POSTS
Hi,

Since nothing happens with the stereo, that is where I would start. You should mention that the fuse is good and has power to and from it. If there is power to the radio, then the radio itself is the likely problem.

Let me know what you find or if I can help.

Take care,

Joe
Was this
answer
helpful?
Yes
No
Tuesday, June 21st, 2022 AT 10:30 PM

Please login or register to post a reply.