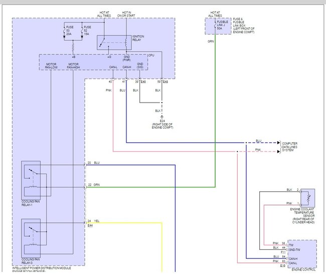
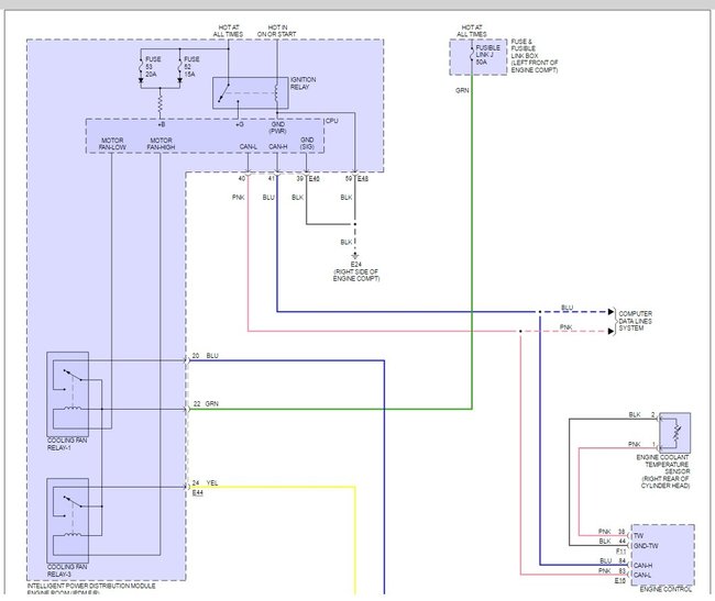
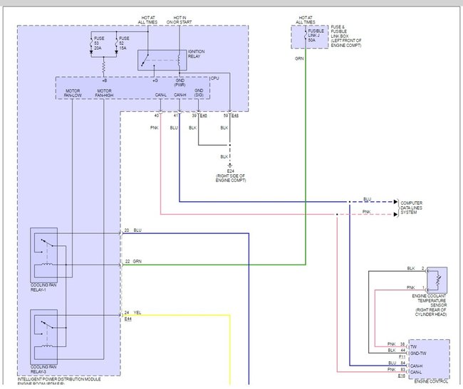
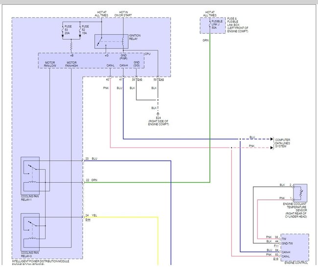
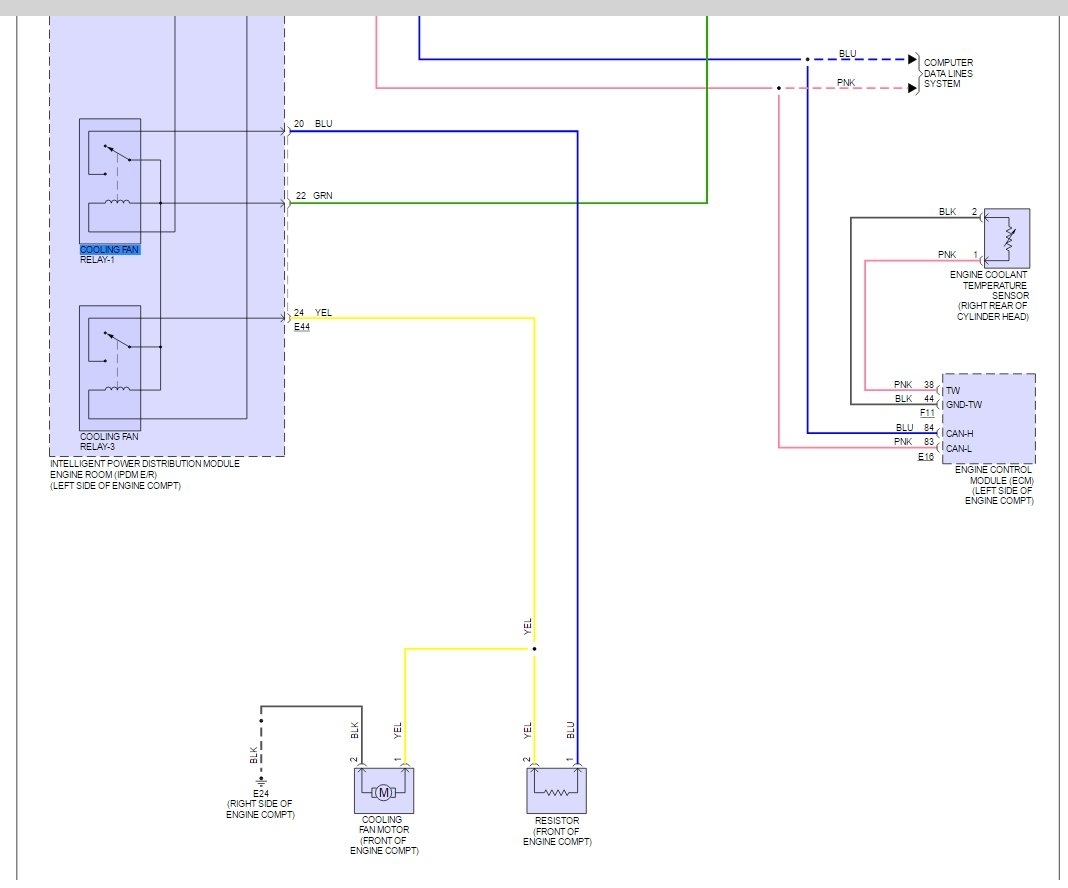
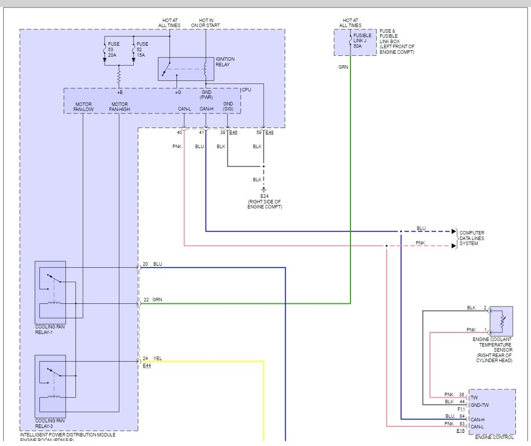
Wednesday, August 7th, 2013 AT 11:59 AM
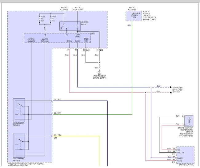
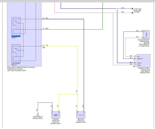
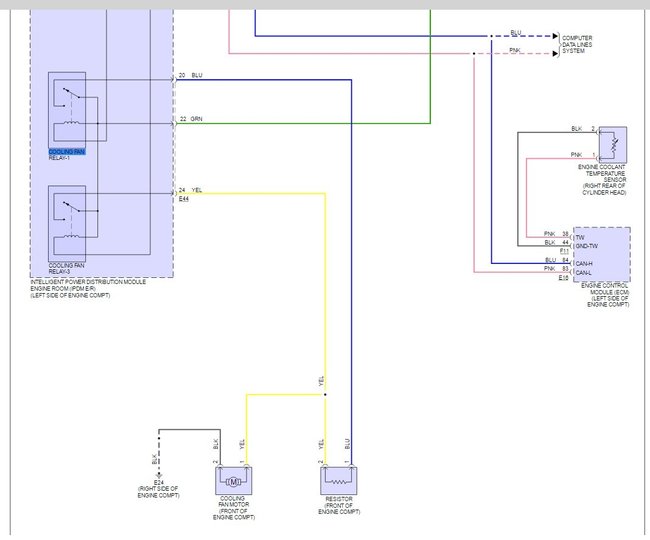
Check engine light on, code is p1652. What does this means? The vehicle will not give a continuous rev above 2,500 rpm. While driving the vehicle whenever you reach 2,500 rpm the vehicle stutters and cut its speed until you take your foot off the acceleration pedal.




