how to active A/C without Cooling fan Module?

2007 MAZDA 3
1.9L • 6 CYL • FWD • AUTOMATIC
Avatar
TANSETIADI
  • MEMBER
  • 1 POST
how to active A/C without Cooling fan Module , Note: I have bypass Fan electric, without cooling Fan Module
Feb 25, 2015 at 8:13 AM
Advertisement
Avatar
HMAC300
  • CAR REPAIR CONTRIBUTOR
  • 48,601 POSTS
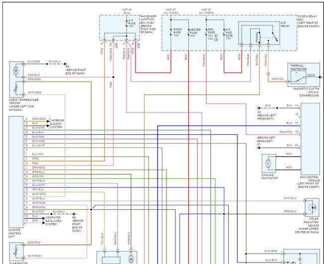
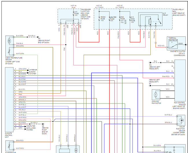
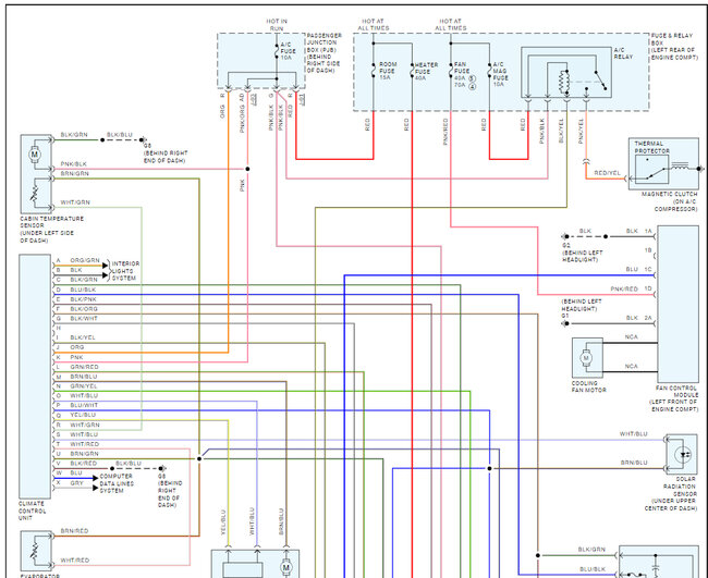
you can't bypass module on a/c, the system is integrated to work together, I would repair the wiring, here is a guide to help and the AC wiring diagrams below so you can see how the system works and where the wires go.

https://www.2carpros.com/articles/how-to-check-wiring

Check out the images (below). Please let us know what happens.

Feb 25, 2015 at 9:54 AM
Advertisement
Advertisement
Repair Safety Notice: This information is for general instructional purposes only. Vehicle repair can be dangerous. Verify all information, follow manufacturer service procedures, use proper tools and safety equipment, and consult a qualified repair shop when needed.