Thursday, September 9th, 2021 AT 1:46 PM
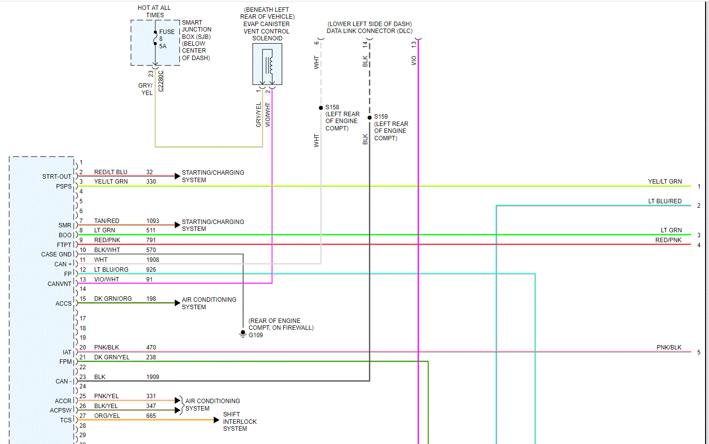
My vehicle has an issue that very sporadically it just does not start. It may go for months without a problem, but then does not start. The dash lights do not work when this occurs but all other power seems to work. In the past, I have been able to pull out the far left module under the hood right under the windshield. There are 3 of them and I disconnect the one closest to the passenger side. I have left it unplugged for a few hours, came back and plug it back in and then it started right up. I have replaced the battery, had the keys reprogrammed, replaced the key cylinder and verified the starter and alternator are okay. Any other suggestions?





