Headlights, brake lights and turn signals are not working?

Tiny
ITSJEFF
  • MEMBER
  • 2007 HONDA CIVIC
  • 1.8L
  • 4 CYL
  • 2WD
  • AUTOMATIC
  • 165 MILES
My car's head lights, brake lights, and turn signals won't turn on. I already replaced the light bulbs and replaced the relay. Now even my airbag light on the dashboard is on.
Wednesday, June 7th, 2023 AT 1:32 PM

1 Reply

Tiny
KEN L
  • MASTER CERTIFIED MECHANIC
  • 55,499 POSTS
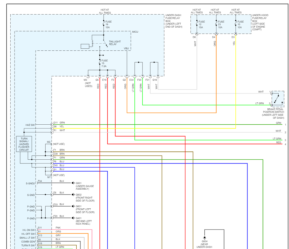
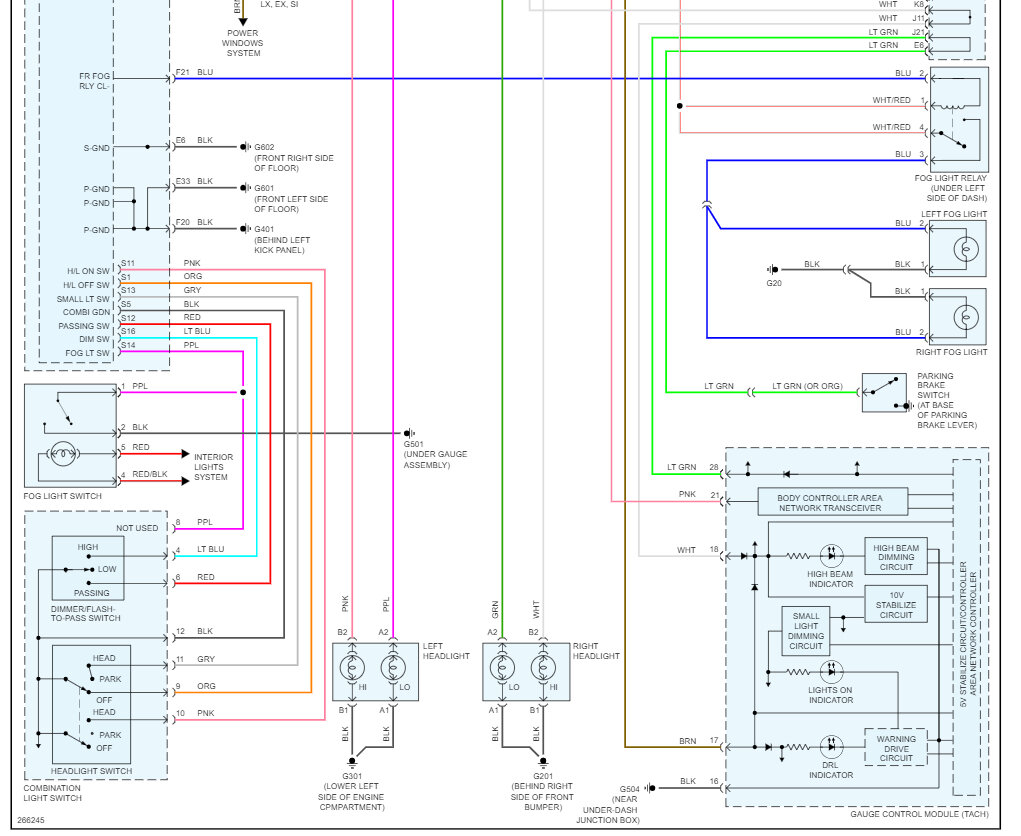
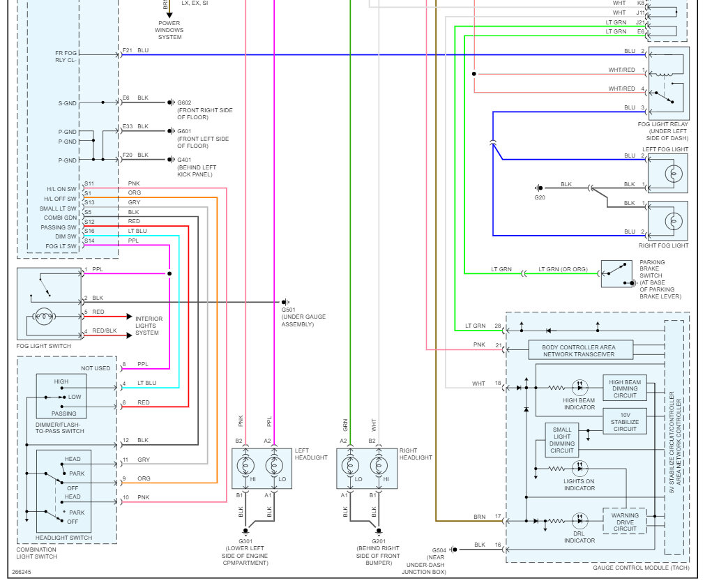
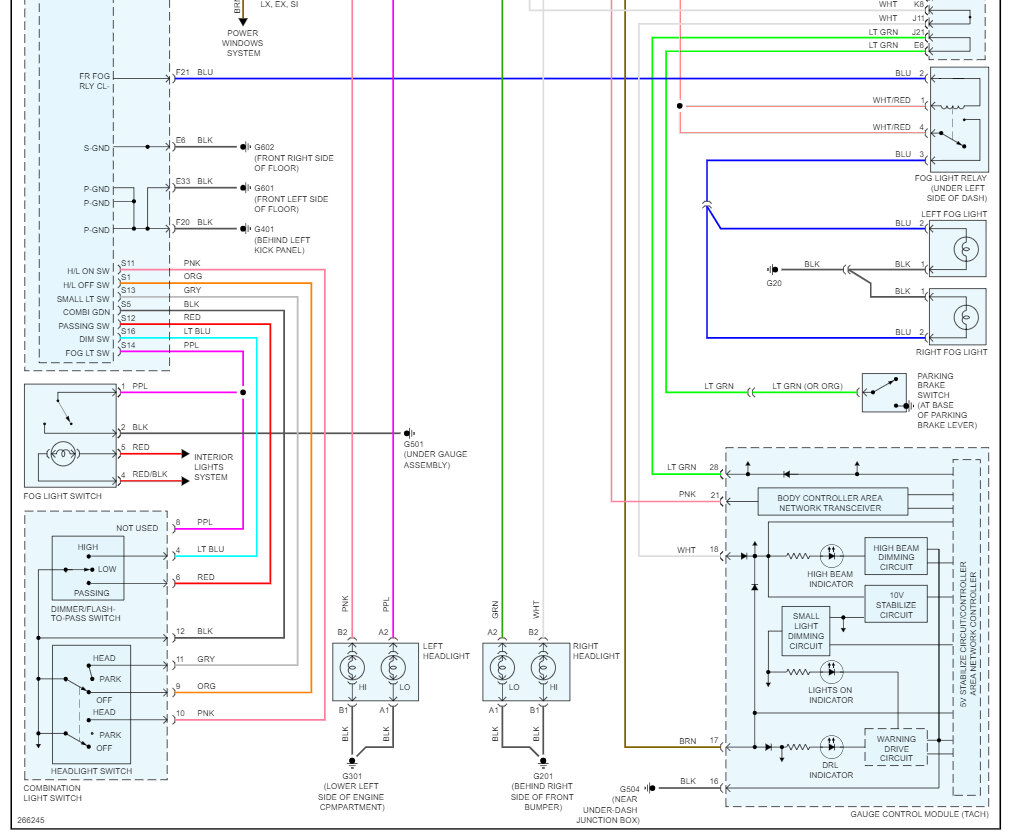
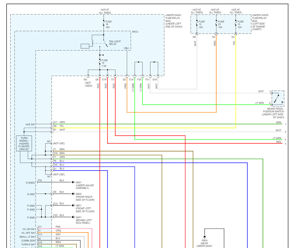
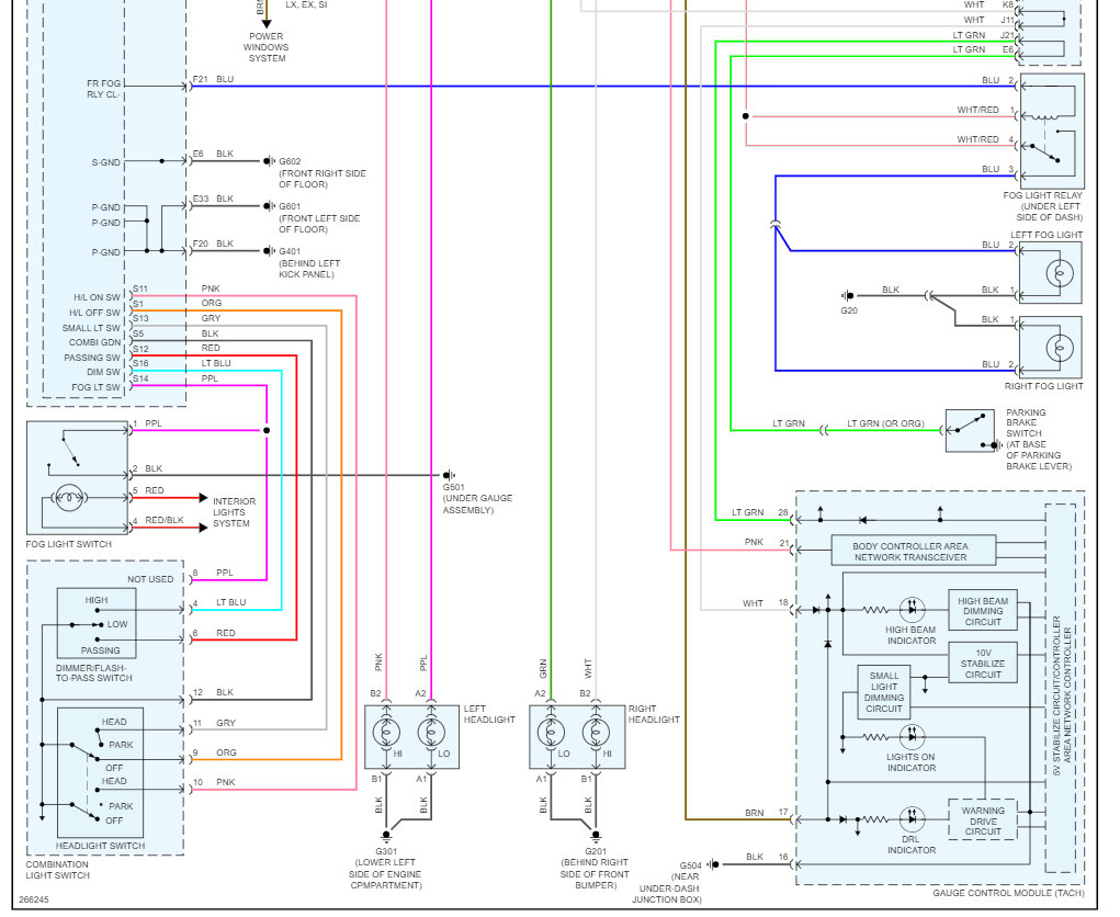
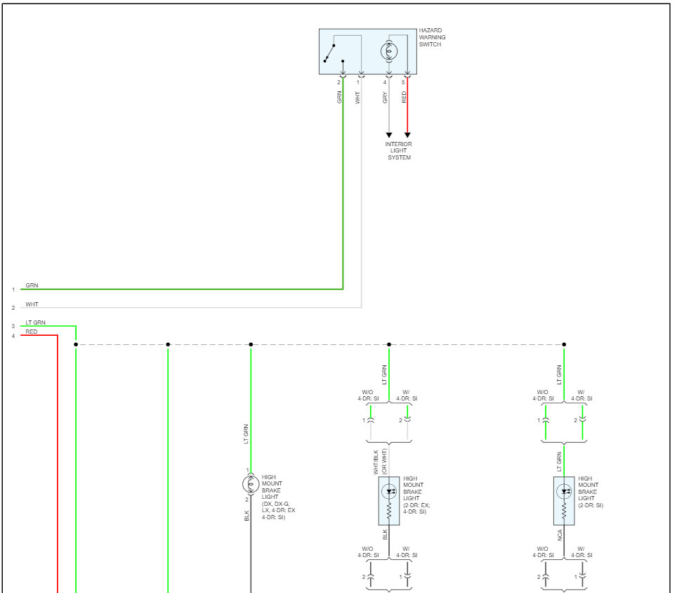
The first thing you need to do is check the fuses under the hood and on the interior fuse panel, here is a guide that will help, have the lights on when testing. If the fuses are good, chances are the MICU went out which is common here is the headlamp and running light wiring diagrams so you can see how the system works and how to change out the MICU. To help confirm the failure you can perform a CAN scan which should confirm the MICU failure.

You can get a CAN scanner (Controller Area Network) which will work on most cars from Amazon.

Here is a video to show you how:

https://youtu.be/u-4syLc-ifQ

Check out the images (below). Please let us know what you find.
Was this
answer
helpful?
Yes
No
Wednesday, June 7th, 2023 AT 4:26 PM

Please login or register to post a reply.