Blinkers are not working

2007 HYUNDAI GETZ
65,000 MILES • 4 CYL • 2WD • MANUAL
Avatar
SUE
  • MEMBER
  • 1 POST
Hyundai Getz 2007, hazards are working but car indicators are not?
Jul 26, 2011 at 5:38 AM
Repair Safety Notice: This information is for general instructional purposes only. Vehicle repair can be dangerous. Verify all information, follow manufacturer service procedures, use proper tools and safety equipment, and consult a qualified repair shop when needed.
Advertisement
Avatar
STRAILER
  • CAR REPAIR CONTRIBUTOR
  • 54,199 POSTS
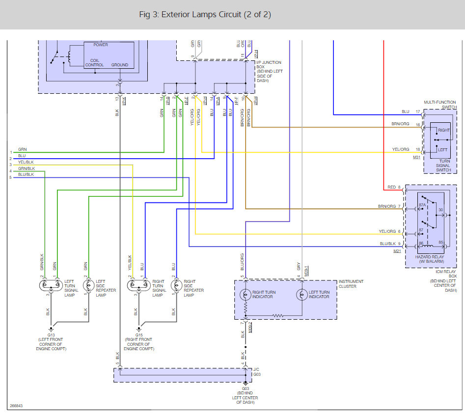
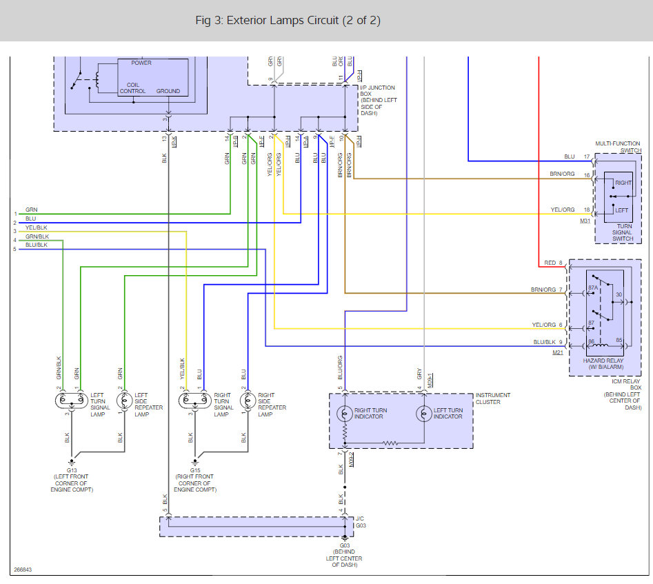
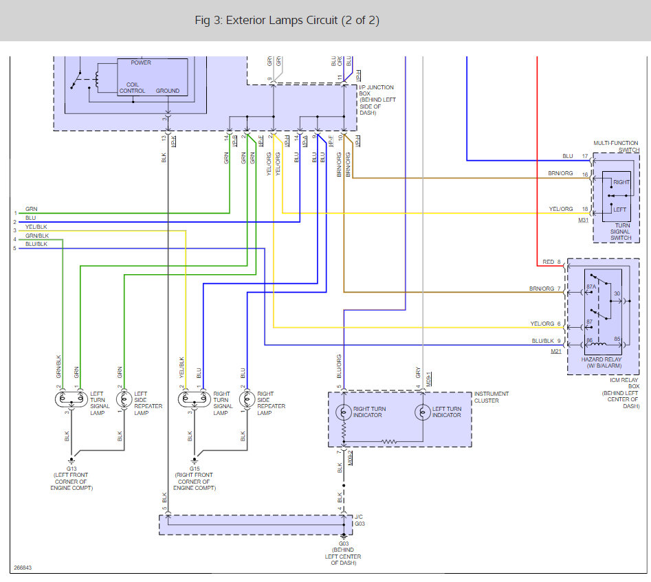
It sounds like you have a flasher assembly that needs to be replaced but to be sure here are some blinker wiring diagrams and a guide to help you get the job fixed.

https://www.2carpros.com/articles/how-to-use-a-test-light-circuit-tester

and

https://www.2carpros.com/articles/how-to-check-a-car-fuse'

Please let us know what happens so it will help others.

Cheers, Ken
Aug 21, 2017 at 8:37 PM
Advertisement