Sunday, August 28th, 2022 AT 6:54 PM
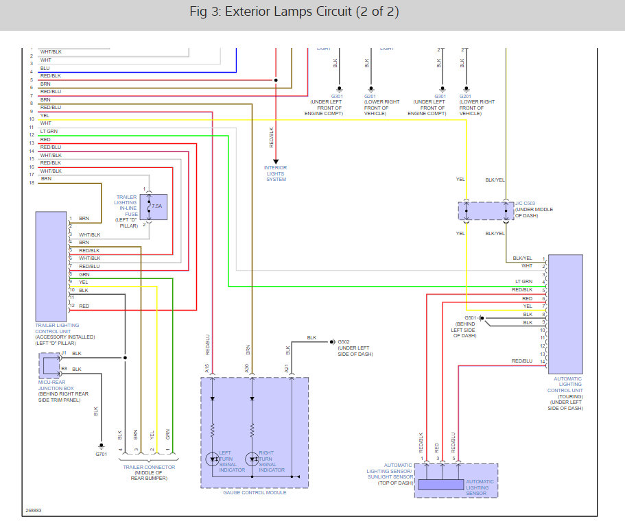
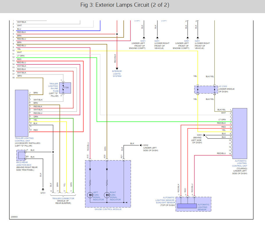
I have a huge safety issue with my van. The front headlights, fog lights and the left and right brake lights work fine. Literally no other light on the outside of the vehicle works. The turn signals, taillights, back up lights, and the brake light on the upper part of the tailgate are not lighting up. I am at a loss and I have tried to figure out what fuses might be out, but they all seem to be fine. Any help would be appreciated.











