2007 Ford Focus clicking noise

Tiny
CHARNWOODROSE
  • MEMBER
  • 2007 FORD FOCUS
  • 2.0L
  • 4 CYL
  • TURBO
  • MANUAL
Broke down a week ago due to broken alternator ( AA advise ) we have put a new battery a new alternator and a new starter motor on the car the reason for new starter motor as because when we put the new alternator on the engine management came on again, the car seemed to be running fine for a coupe of days then died we then put the starter motor on as there was a clicking noise however the car still wont start and the clicking noise remains we're totally out of ideas, might it be electrical? As I'm recovering from cancer and don't get sick pay we honestly don't have the funds to take it to a garage any advise will be very much appreciated thanks for your time

Lou & Pete Clarke
Friday, February 21st, 2014 AT 8:38 AM

5 Replies

Tiny
HMAC300
  • MECHANIC
  • 48,601 POSTS
If you disconnected the battery the anti theft has to be reset if no manual check on line how to do it. Then it should start.
Was this
answer
helpful?
Yes
No
Friday, February 21st, 2014 AT 9:42 AM
Tiny
CHARNWOODROSE
  • MEMBER
  • 8 POSTS
Hi thank you very much for your advice however the battery has been disconnected twice before once when the alternator was mended and of course when we had a new battery and the car stared straight away both times it was around 3 days later the engine light came on and the clicking noise started then it died so changed the starter motor yes again we disconnected the battery but this time it remains dead and the noise is still there what do you think should we still try your advice.

Thanks a million

Lou & Pete
Was this
answer
helpful?
Yes
No
Friday, February 21st, 2014 AT 9:59 AM
Tiny
HMAC300
  • MECHANIC
  • 48,601 POSTS
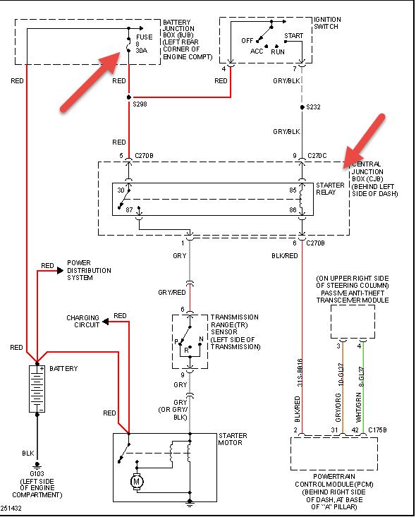
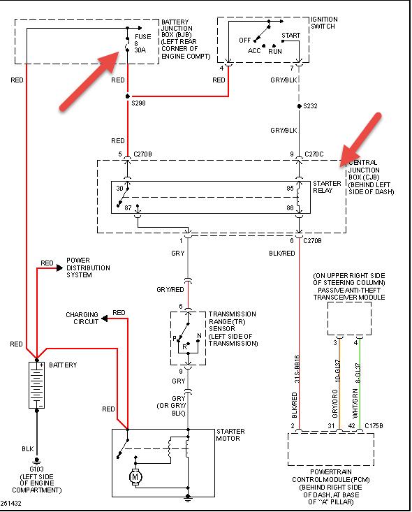
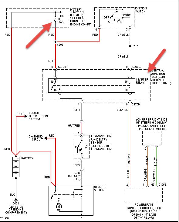
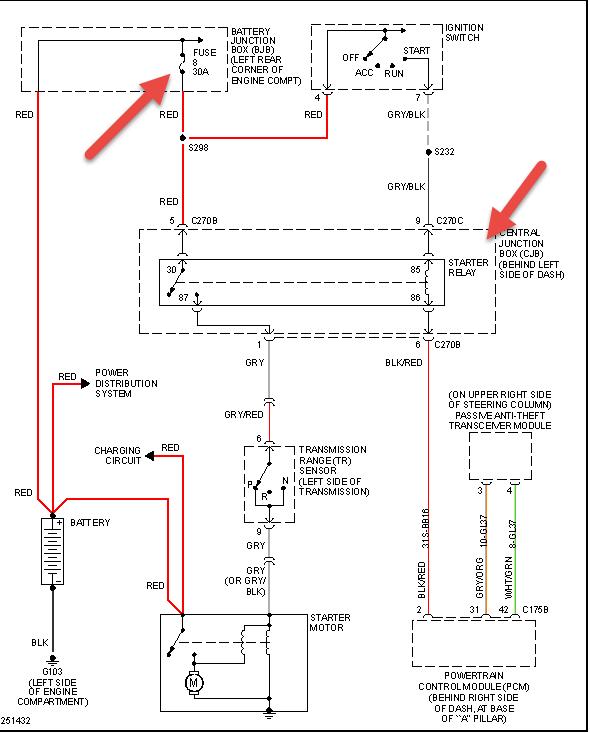
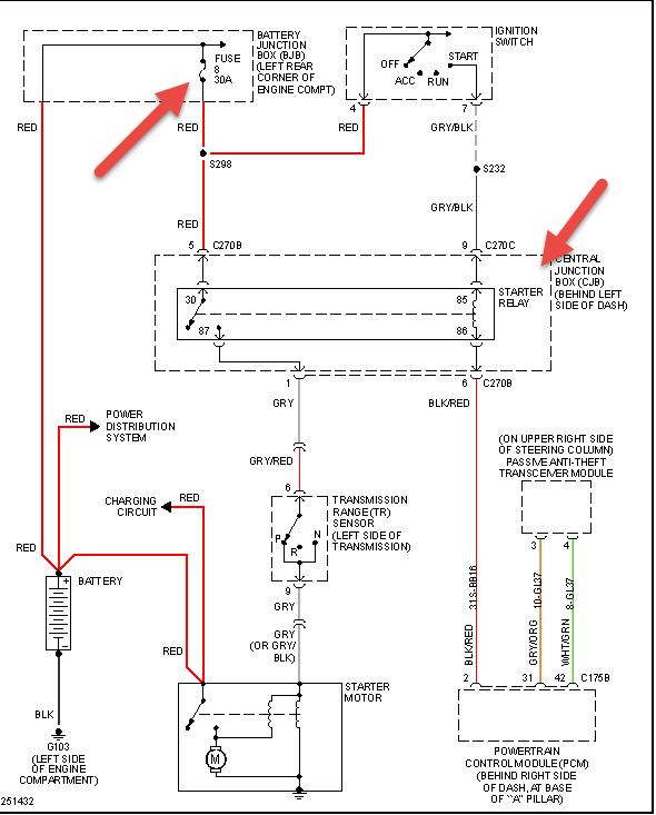
Try resetting anti theft then check battery for condtion includling load test. Also check the things I've pointed out in first pic. Then check the two items in the second pic. For the relay switch with another like relay to see If it makes a difference.
Was this
answer
helpful?
Yes
No
Friday, February 21st, 2014 AT 10:26 AM
Tiny
CHARNWOODROSE
  • MEMBER
  • 8 POSTS
Once again thank you so very much we will try out your advice tomorrow i'll let you know how we get on :-D

thanks

Lou & Pete
Was this
answer
helpful?
Yes
No
Friday, February 21st, 2014 AT 10:53 AM
Tiny
CHARNWOODROSE
  • MEMBER
  • 8 POSTS
Hi took your advise however car still wont start we give up think we'll have to bite the bullet and get someone to come had put a diagnostic thing on it as we're totally out of ideas wont hurt it to stand idle for a few more weeks thanks for trying to help

Pete & Lou
Was this
answer
helpful?
Yes
No
Saturday, February 22nd, 2014 AT 8:53 AM

Please login or register to post a reply.