Dash lights not working

Tiny
MRSHACKWORTH
  • MEMBER
  • 2007 DODGE CALIBER
  • 4 CYL
  • 2WD
  • AUTOMATIC
  • 84,000 MILES
No dash lights but others still work maybe its a bad fuse or semething
Sunday, February 16th, 2014 AT 10:29 AM

12 Replies

Tiny
HMAC300
  • MECHANIC
  • 48,601 POSTS
Hello,

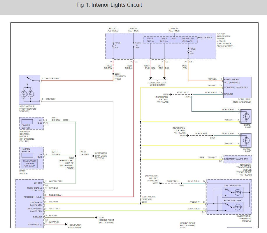
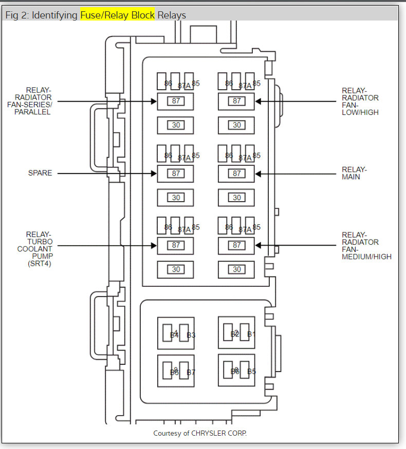
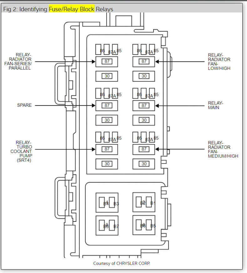
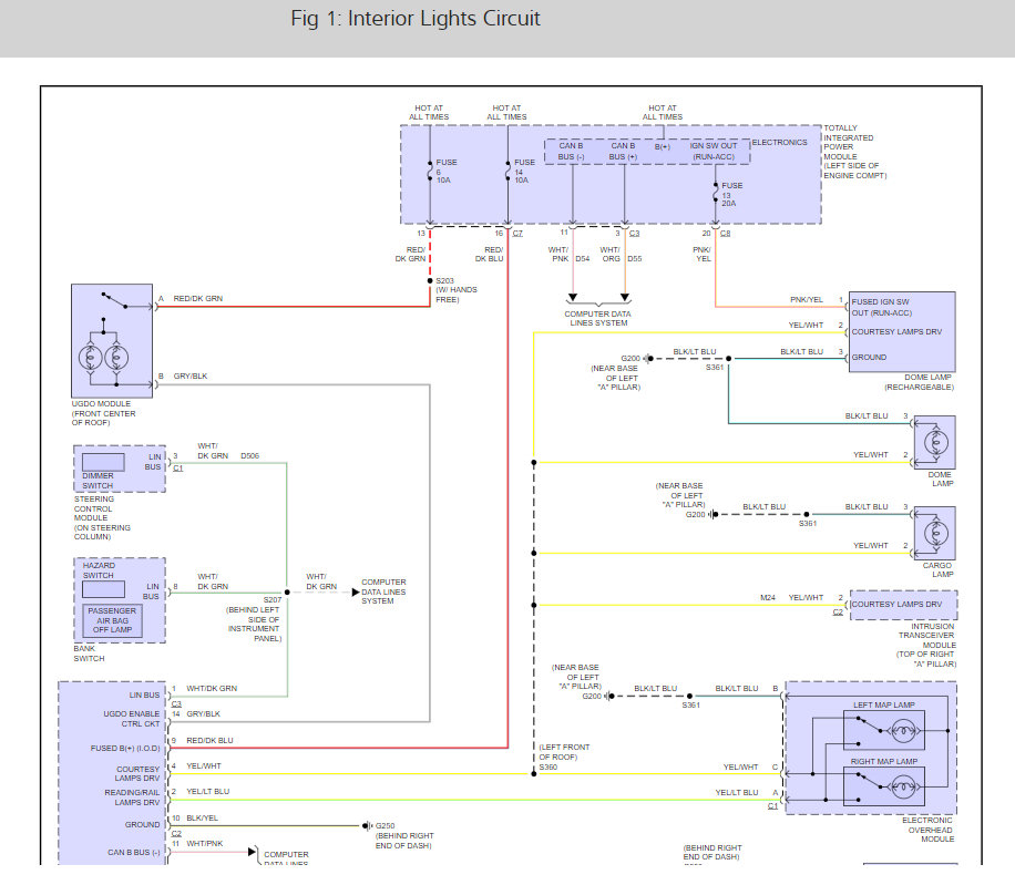
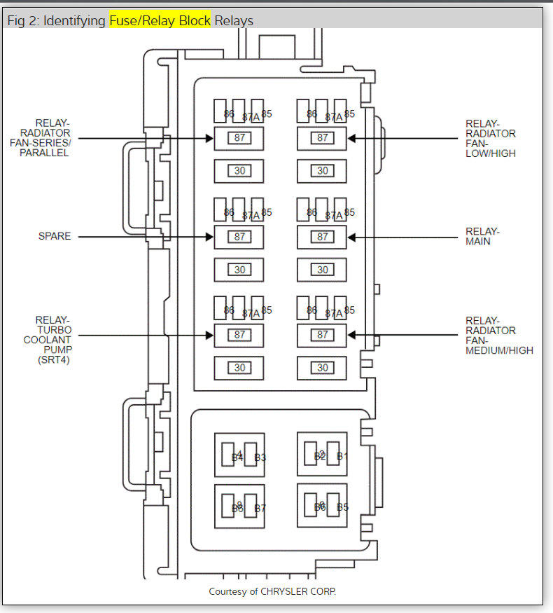
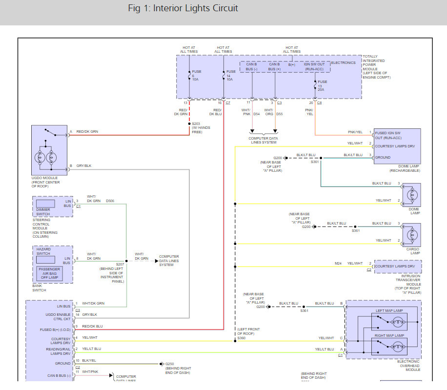
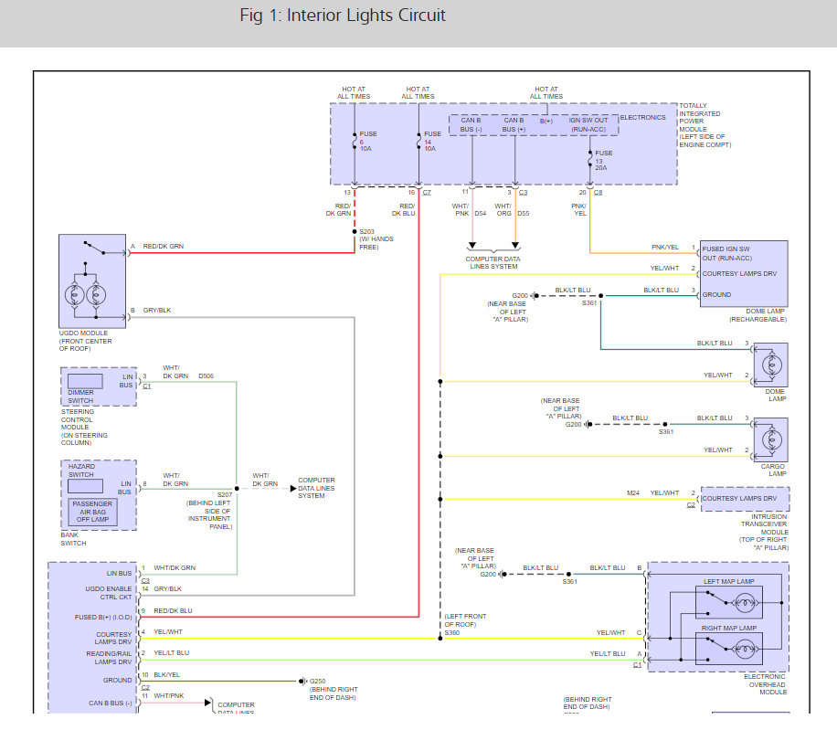
We need to check fuse #14 in the under hood fuse box. Here is a guide to help you step by step with the fuse location and dash wiring diagrams below so you can see how the system works.

https://www.2carpros.com/articles/how-to-check-a-car-fuse

Check out the diagrams (Below). Please let us know what you find. We are interested to see what it is.
Was this
answer
helpful?
Yes
No
+1
Sunday, February 16th, 2014 AT 10:35 AM
Tiny
BOOPERIII
  • MEMBER
  • 1 POST
Thank you for this post I had the same problem and had to replace the fuse all fixed!
Was this
answer
helpful?
Yes
No
+1
Wednesday, January 2nd, 2019 AT 2:00 PM
Tiny
BKUKMAN
  • MEMBER
  • 1 POST
  • 2007 DODGE CALIBER
  • 4 CYL
  • FWD
  • AUTOMATIC
  • 57,000 MILES
Two of my dash lights have gone out. The rest of the interior lights work. I have been told be several people that it isn't a fuse issue. What could it be? The dealership wants to charge me to look at the issue because my basic warranty is up on the car. I don't want to pay to have them look at it to find out it's something that my husband can fix.
Was this
answer
helpful?
Yes
No
-1
Wednesday, January 2nd, 2019 AT 2:00 PM (Merged)
Tiny
JACOBANDNICKOLAS
  • MECHANIC
  • 110,192 POSTS
If it is only two of them, chances are the bulbs are burned out. If they aren't, then the circuit board in the cluster may be bad.
Was this
answer
helpful?
Yes
No
+1
Wednesday, January 2nd, 2019 AT 2:00 PM (Merged)
Tiny
EZONMENOW
  • MEMBER
  • 21 POSTS
  • 2007 DODGE CALIBER
  • 95,000 MILES
Trying to figure out what the dash light thats a lighting bolt in red means. Its some about throttle control. It runs really ruff when its on and flashing
Was this
answer
helpful?
Yes
No
Wednesday, January 2nd, 2019 AT 2:01 PM (Merged)
Tiny
WRENCHTECH
  • MECHANIC
  • 20,761 POSTS
There are trouble codes stored that need to be read but you may not be able to do it with a regular code reader. You have to get into the factory side of the system.
Was this
answer
helpful?
Yes
No
Wednesday, January 2nd, 2019 AT 2:01 PM (Merged)
Tiny
EZONMENOW
  • MEMBER
  • 21 POSTS
Ok I have a solace scanner Iv run all codes and there are none But I will look agian to see if there is any other sides of the date lines I can get in to Let you know what I find Thnx agian
Was this
answer
helpful?
Yes
No
Wednesday, January 2nd, 2019 AT 2:01 PM (Merged)
Tiny
WRENCHTECH
  • MECHANIC
  • 20,761 POSTS
Do you mean you have a Snap-on "Solus".
What version software is it running?
Was this
answer
helpful?
Yes
No
Wednesday, January 2nd, 2019 AT 2:01 PM (Merged)
Tiny
EZONMENOW
  • MEMBER
  • 21 POSTS
Yes thats what I meant lol Not sure what version Know its up to 2010
Was this
answer
helpful?
Yes
No
Wednesday, January 2nd, 2019 AT 2:01 PM (Merged)
Tiny
WRENCHTECH
  • MECHANIC
  • 20,761 POSTS
It's 2 year old software and likely isn't updated for what you need.
Was this
answer
helpful?
Yes
No
-1
Wednesday, January 2nd, 2019 AT 2:01 PM (Merged)
Tiny
SERUWAGI
  • MEMBER
  • 1 POST
  • 2006 DODGE CALIBER
  • 2.0L
  • 2WD
  • MANUAL
  • 91,000 MILES
Hi I have a Dodge Caliber 2006 model 2.0L manual Diesel, my parking lights won't turn on and the dash board lights, but the front head lights turn on, the hazard lights and the brake lights turn On. I have checked all the fuse and they all seem to be working. Can anyone help me please as people can see my rear parking lights at night and my dash board lights.
Thank you
Was this
answer
helpful?
Yes
No
-1
Wednesday, January 2nd, 2019 AT 2:01 PM (Merged)
Tiny
HMAC300
  • MECHANIC
  • 48,601 POSTS
Have it scanned the tpim module may be bad also check fuses and relay underhood
Was this
answer
helpful?
Yes
No
-1
Wednesday, January 2nd, 2019 AT 2:01 PM (Merged)

Please login or register to post a reply.