Dome light!

Tiny
THEMANOFMEANS
  • MEMBER
  • 2007 CHRYSLER PT CRUISER
  • 2WD
  • AUTOMATIC
  • 18,000 MILES
How do you turn on the dome light with no switch on a Chrysler PT Cruiser?
Monday, April 4th, 2011 AT 4:44 PM

13 Replies

Tiny
KEN L
  • MASTER CERTIFIED MECHANIC
  • 55,488 POSTS
Hello,

There is a dome light switch located on the overhead console are it is integrated into the headlight dimmer selector. Roll it all the way to the right and the dome lights will come on.

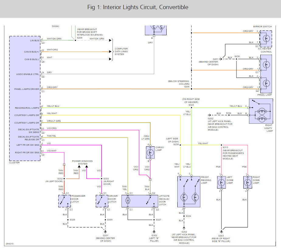
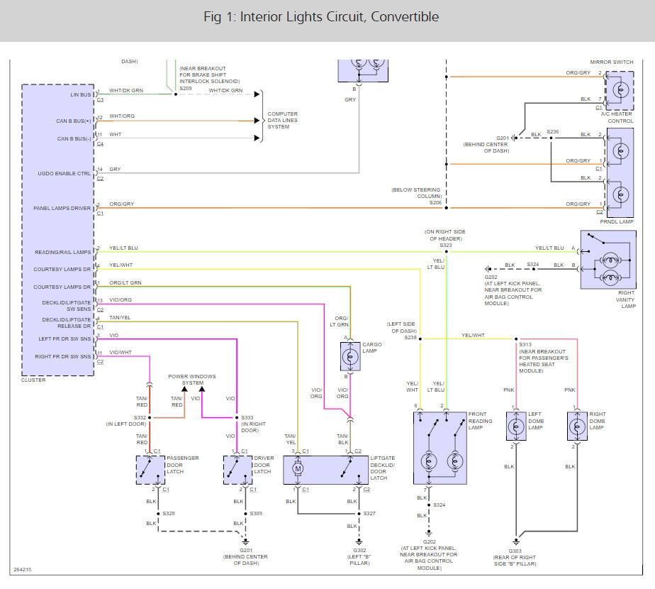
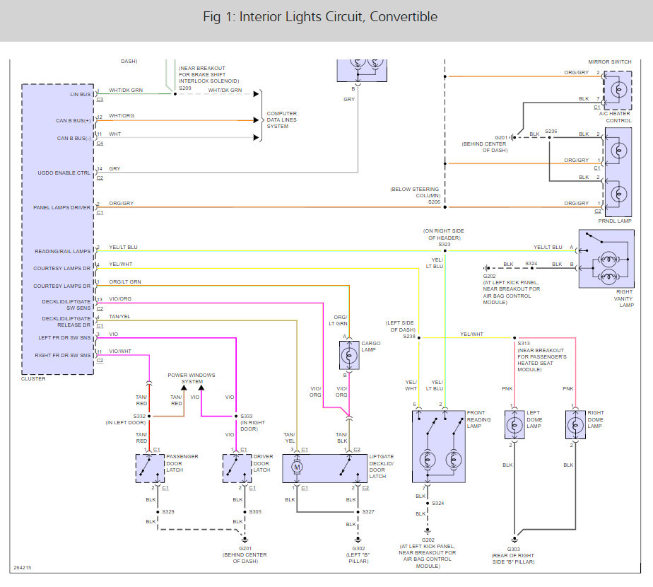
If they are not working you should check the fuses to make sure everything is working. Here is a guide and wiring diagrams so you can run a easy test to make sure everything is working as it should. Fuses #17, 33 and 21

https://www.2carpros.com/articles/how-to-check-a-car-fuse

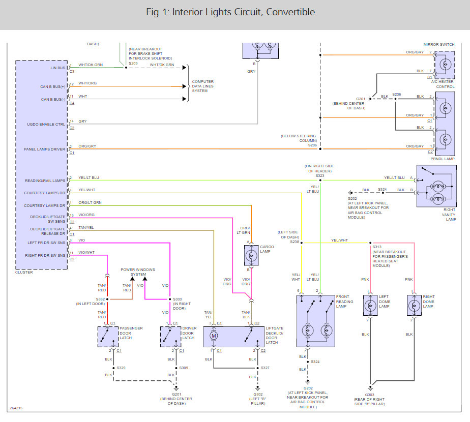
Check out the diagrams (Below) Please let us know what happens.

Cheers, Ken

(IF THIS DOESN'T HELP PLEASE TELL US WHY IN THE VOTE TOOL - UPLOAD PIC IF YOU CAN)
Was this
answer
helpful?
Yes
No
+2
Friday, December 1st, 2017 AT 7:27 PM
Tiny
SYNKRNCTY
  • MEMBER
  • 2 POSTS
  • 2004 CHRYSLER PT CRUISER
  • MANUAL
  • 60,000 MILES
My dome light will not shut off, and it is getting pretty hot. Aside from removing the bulb (temporary fix) is there a fuse I can pull for just that light? I do not want it to wear down the battery until I can track down the actual issue (door sensor, short, etc.).
Was this
answer
helpful?
Yes
No
+1
Sunday, June 28th, 2020 AT 12:18 PM (Merged)
Tiny
CARADIODOC
  • MECHANIC
  • 34,489 POSTS
The best suspect is a rear door switch that is out of adjustment. Open just one door at a time, then press the switch to see if the dome light goes off. If it does, describe the switch, then I will tell you how to fix it.

The dome light is fed from fuse 13, a ten-amp in the dash fuse box, but it also feeds the cargo lamp and the visor vanity lamps. The visor lamps are on their own circuit with their own switches. The cargo lamp, however, is grounded along with the dome light, so both should be on at the same time.

The wiring diagram shows the circuit being grounded to turn the lights on, but there is no way to tell which of the two computer modules does that. There is an "overhead console module" and the instrument cluster.

The door switches are inputs to the Instrument cluster, then it appears the cluster sends a signal to the overhead console module. I cannot find the location of the module, but I did find the pin-out drawing of the connector. Use that to verify when you think you have found that module. What I think I would do is unplug the module. If the dome light does not tun off, suspect the instrument cluster or a stuck door switch. If the lights do turn off, we will need to take some voltage readings on the back of the instrument cluster to determine if a front door switch is stuck. Those are built int the latch assemblies.

Before we get to the instrument cluster, you may be able to get a hint by opening and closing the front doors. Watch for even the slightest flickering when the doors are being moved or when the door is latched and unlatched. That would indicate whatever you're doing is affecting the problem, and is pointing to the suspect.
Was this
answer
helpful?
Yes
No
-2
Sunday, June 28th, 2020 AT 12:18 PM (Merged)
Tiny
CARADIODOC
  • MECHANIC
  • 34,489 POSTS
I looked up the door switches and only found a reference to front door switches, and they are not in the latch assemblies. Is your car a two-door, and do you have regular door switches?
Was this
answer
helpful?
Yes
No
Sunday, June 28th, 2020 AT 12:18 PM (Merged)
Tiny
SYNKRNCTY
  • MEMBER
  • 2 POSTS
It's a four door with manual locks. Not sure what you mean by switches. I pulled the bulb out of the overhead lamp, that saved the battery but now where the trip meter is, there's a flashing message that says "no fuse". I didn't remove any fuses, unless that "bulb" was a fuse with a lighting filament. Thanks for the replies, Caradiodoc
Was this
answer
helpful?
Yes
No
Sunday, June 28th, 2020 AT 12:18 PM (Merged)
Tiny
CARADIODOC
  • MECHANIC
  • 34,489 POSTS
All cars have door switches that turn on the interior lights. On a few models, the engineers have built them into the latch assemblies so they can't be serviced separately. That saves them time on the assembly line but makes repairs more expensive for the car owners.

You have individual inexpensive switches on the front doors. They look like little black teardrops. I added a photo of one with some nifty arrows.

Did you do the test I mentioned in the first paragraph of my first reply? That would identify if one of these switches is causing the light to stay on. If you press a switch and the light goes off, that switch has become over-adjusted. The blue arrow is pointing to the round head of what looks like a giant plastic nail. The cylinder it slides into is the actual switch. The first time the door is closed, that cylinder gets pushed in as far as it can go, then that "nail" gets forced into the cylinder as far as necessary, by the door. With enough slamming, the door can close too far, then bounce back out a little from the foam weatherstrip, but by that time the nail got pushed in too far. That prevents it from pushing the cylinder in far enough to turn the switch off.

The immediate fix is to pull that nail out about 1/4". The red arrow is pointing to one of two tiny notches where you can insert a pick to pry the nail out. Once you do that, it will self-adjust when you close the door. That will solve the light-staying-on problem, but it is likely to happen again over time. To prevent that, pull that nail all the way out, slide three M5 metric lock washers onto it, then install the nail that way. Those will prevent the nail from over-adjusting. For a professional touch, when I do that repair, I paint the washers with black touch-up paint so the silver doesn't stick out like a sore thumb.
Was this
answer
helpful?
Yes
No
+5
Sunday, June 28th, 2020 AT 12:18 PM (Merged)
Tiny
MTRDUDE
  • MEMBER
  • 51 POSTS
  • 2003 CHRYSLER PT CRUISER
  • 4 CYL
  • FWD
  • AUTOMATIC
  • 53,000 MILES
I replaced the battery but accidentally hooked it up wrong. Turned the battery around and hooked it up right then started the car and all seemed ok. I checked inside and found I had no dome lights, radio or power door locks. The dash lights, power windows & other items work. I have the service manual on disc so I downloaded the schematics and checked all the obvious items. The fuses mounted in the dash are all good, also all fuses in the power distribution box under the hood are good. All relays seem good, none of the relays are related to my problem according to the schematics. I checked for fusible links and couldn't find any; pulled the power box free and looked underneath to try and find any burnt wires but didn't see any. Could really use some help here because I don't want to take it to the dealer.
Was this
answer
helpful?
Yes
No
Sunday, June 28th, 2020 AT 12:18 PM (Merged)
Tiny
JDL
  • MECHANIC
  • 16,098 POSTS
Did you use a voltage tester on the fuse circuits. Even if fuse is good, if no voltage, the circuit is dead. Some circuits are hot all the time, some go hot when you turn on the key. Voltage, Some of the lamps are wired in series, if a bulb is burned out, that may kill all the lamps? Check ground, also.


https://www.2carpros.com/forum/automotive_pictures/170934_pt_cruiser_interior_lamp_1.jpg

Was this
answer
helpful?
Yes
No
Sunday, June 28th, 2020 AT 12:18 PM (Merged)
Tiny
MTRDUDE
  • MEMBER
  • 51 POSTS
I used a test light on all the fuses, they all lit good on both sides of all fuses. I pulled the lighting system fuses out and visually inspected, good as well. I have the service manual schematics and tried tracing the wires to find either a bad one or see if there was a fusible link somewhere. Do you know of any fusible links in this system? I checked what grounds I could find but they were all good.
Was this
answer
helpful?
Yes
No
Sunday, June 28th, 2020 AT 12:18 PM (Merged)
Tiny
MTRDUDE
  • MEMBER
  • 51 POSTS
Car runs good, no problems. Customer's car and don't want to have to take it to dealer so really could use some help, today if possible.
Was this
answer
helpful?
Yes
No
Sunday, June 28th, 2020 AT 12:18 PM (Merged)
Tiny
2 LINSEY
  • MECHANIC
  • 287 POSTS
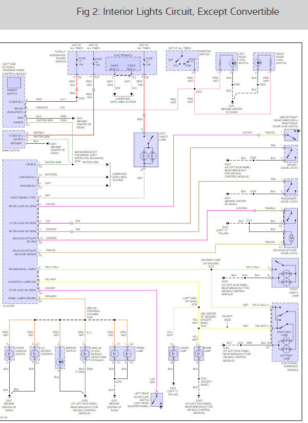
If all fuses check good with a test light you may have done damage to the instrument cluster which looks like it has the drivers for the interior lights programmed into it

See the wiring diagram below
Was this
answer
helpful?
Yes
No
Sunday, June 28th, 2020 AT 12:18 PM (Merged)
Tiny
CORYMARTELCA
  • MEMBER
  • 1 POST
  • 2003 CHRYSLER PT CRUISER
  • 4 CYL
  • 2WD
  • AUTOMATIC
  • 60,000 MILES
Starting today my wifes Cruiser (when driving down the highway) started having the cluster and radio lights go dim and then bright again. When they would go dim the interior dome light would not turn on. The headlights and vehicle perfomace were not affected by this issue.

On a side note, less than two weeks ago we had a computer flash done on the car, and two O2 sensors replaced.
Was this
answer
helpful?
Yes
No
Sunday, June 28th, 2020 AT 12:19 PM (Merged)
Tiny
JACOBANDNICKOLAS
  • MECHANIC
  • 110,194 POSTS
Hi:
If they are flickering dim and very bright, have the voltage regulator checked. If they co dim wait and then get back to the normal brightness, have the Body Control Module checked (BCM).
Was this
answer
helpful?
Yes
No
Sunday, June 28th, 2020 AT 12:19 PM (Merged)

Please login or register to post a reply.