Suburban cranks a long time then starts

Tiny
GUSTAFA75
  • MEMBER
  • 2007 CHEVROLET SUBURBAN
  • 120,000 MILES
I have a 07 Chevy Suburban and when I go to start it for the first time after it sits for a while, it sits and turns over for like 8 seconds then starts. If I shut it off and restart it is less time but still does not fire right up. It does not have any check engine lights. About a month ago, the battery went dead one night when we were camping in the mountains, so I took it to Autozone and they said that the battery and alternator were good but I needed to clean my battery. Thinking the starting issue going dead was the same thing so I cleaned the corroded battery terminals with no help. Any suggestions? Thanks ahead of time!

Gus
Monday, July 23rd, 2012 AT 11:45 PM

19 Replies

Tiny
RASMATAZ
  • MECHANIC
  • 75,992 POSTS
Hello,

This sounds like a typical fuel pump issue. Check the pressure by following this guide.

It should be between 56 and 62 psi.

https://www.2carpros.com/articles/how-to-check-fuel-system-pressure-and-regulator

This guide can help as well

https://www.2carpros.com/articles/engine-cranks-excessively-before-starting

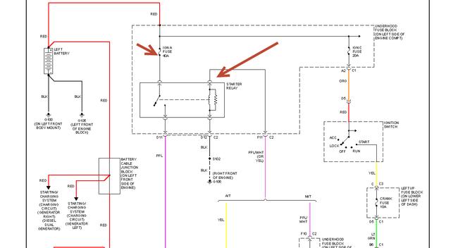
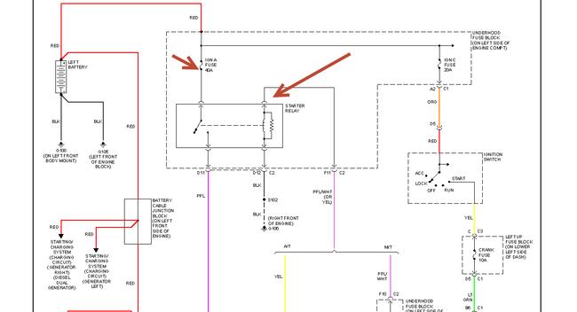
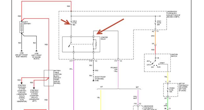
If weak here is how you change the pump out, below. Check out the diagrams (Below). Please let us know what you find. We are interested to see what it is.

Cheers
Was this
answer
helpful?
Yes
No
Monday, July 23rd, 2012 AT 11:57 PM
Tiny
RENECOCOM
  • MEMBER
  • 1 POST
Thank you so much for this post I got a new pump on Amazon for $230.00 and installed it, car never has run better! I love this site.
Was this
answer
helpful?
Yes
No
+1
Monday, November 5th, 2018 AT 4:42 PM
Tiny
GARY IN ARIZONA
  • MEMBER
  • 3 POSTS
  • 2002 CHEVROLET SUBURBAN
Engine Performance problem
2002 Chevy Suburban V8 Two Wheel Drive Automatic

How do I check the fuel injectors on a 2002 suburban to see if they are leaking? When the truck sets for a while, it takes a long time to start. Cycling the ignition on & off a few times to build pressure helps but it still cranks for a while. I just want to eliminate the injectors (or anything else) before I replace the fuel pump.
Was this
answer
helpful?
Yes
No
Monday, November 5th, 2018 AT 4:43 PM (Merged)
Tiny
DOCFIXIT
  • MECHANIC
  • 18,828 POSTS
Check fuel pressure 50-66 psi
Was this
answer
helpful?
Yes
No
-1
Monday, November 5th, 2018 AT 4:43 PM (Merged)
Tiny
GARY IN ARIZONA
  • MEMBER
  • 3 POSTS
Fuel pressure is 0. I attached a plastic line to the test port, push in the needle valve and get no flow when cranking engine. I disconnected the fuel line before the fuel filter and get no flow after cycling the ignition 5-6 times. You can hear the fuel pump run for 3 sec when cycling ignition which results in a "dribble" of gas.

Dropped the tank, pulled the pump & tested it in a bucket of water. It runs, pumps water and appears to have good pressure (did not measure).? Dried it off and reinstalled it. I now have fuel flow at the filter (didn't have that before) - reconnected the fuel line and the truck starts & runs fine. I did notice some fine black particles pumped out with the gas when testing the pump right after I reinstalled it.

What now? Is it fixed, Was it just clogged, will it die again as soon as I hang the tank back up and bolt everything down. Intermittent problems are always the worst, you are never sure if it is fixed or just started to work again for a while. What now?
Was this
answer
helpful?
Yes
No
Monday, November 5th, 2018 AT 4:43 PM (Merged)
Tiny
GREGRITTER
  • MEMBER
  • 1 POST
  • 2000 CHEVROLET SUBURBAN
  • V8
  • 4WD
  • AUTOMATIC
  • 187,000 MILES
My 2000 suburban is hard to re-start after I turn it off. I have to hold down on the gas while cranking for several seconds to get it to start. When it starts back up it will "diesel" for a few seconds then run fine.
Was this
answer
helpful?
Yes
No
Monday, November 5th, 2018 AT 4:43 PM (Merged)
Tiny
JDL
  • MECHANIC
  • 16,098 POSTS
Welcome to the forum, use a gage and check fuel pressure, key on engine off, 60--66 psi.

If that checks out, take the throttle-body off and clean it. Any trouble codes? Some of the national brand autostores will check codes for free.
Was this
answer
helpful?
Yes
No
Monday, November 5th, 2018 AT 4:43 PM (Merged)
Tiny
BOWMAN1075
  • MEMBER
  • 2 POSTS
  • 2002 CHEVROLET SUBURBAN
  • 174,000 MILES
If I try an start it by turning the key forward and after about 3 seconds turn the key all the way it starts fine. But if I turn the key all the way right away it cranks fine but it takes about 3-4 seconds before it starts. I have changed the fuel pressure regulator, the fuel filter and the fuel pump relay, with nothing helping. What else should I check before I go to the extreme of the dreaded fuel pump? I haven't checked the pressure on the fuel line port.
Was this
answer
helpful?
Yes
No
Monday, November 5th, 2018 AT 4:43 PM (Merged)
Tiny
HMAC300
  • MECHANIC
  • 48,601 POSTS
Dont' know why you would change a fuel regulator for a starting problem'. First check to see if relay in underhood block is getting power immediately or the delay then see if starter is doing the same. Have the battery checked for condition including load test. Auto parts do it for free. Then start by going backwards as it could be a bad ignition switch
Was this
answer
helpful?
Yes
No
+1
Monday, November 5th, 2018 AT 4:43 PM (Merged)
Tiny
BOWMAN1075
  • MEMBER
  • 2 POSTS
Figured if the regulator wasn't holding pressure that could be a reason for not starting right away. Battery is 1 yr old not sure bout the starter but it cranks fine. How do you check if the relay isn't getting power immediately?
Was this
answer
helpful?
Yes
No
-1
Monday, November 5th, 2018 AT 4:44 PM (Merged)
Tiny
HMAC300
  • MECHANIC
  • 48,601 POSTS
Pull the relay out an d put a tester in it. One will be hot the other will be ground and one of them will light the tester when you turn thekey check the fuse and relay for corrosion as well. You wont' be able to see the wires but it may be the way in position like pic is. It cold also be a pcm wire problem/connection or neutral safety switch problem.
Was this
answer
helpful?
Yes
No
Monday, November 5th, 2018 AT 4:44 PM (Merged)
Tiny
LARRYCUZHD1
  • MEMBER
  • 2 POSTS
  • 2001 CHEVROLET SUBURBAN
Electrical problem
2001 Chevy Suburban V8 Four Wheel Drive Automatic

battery is at 12.5 volts cold it sounds weak when I go to start it after I run it till it gets hot it starts right up do u think battery should be holding more volts
Was this
answer
helpful?
Yes
No
Monday, November 5th, 2018 AT 4:44 PM (Merged)
Tiny
JDL
  • MECHANIC
  • 16,098 POSTS
With a cold start-up, my first thought is to check fuel pressure, key on engine off. 55-60 psi.

Leave the meter leads across the battery posts, engine cranking, what is the reading, usually shouldn't drop below 10 volts.

That 12.5 volt spec wasn't engine running?
Was this
answer
helpful?
Yes
No
Monday, November 5th, 2018 AT 4:44 PM (Merged)
Tiny
LARRYCUZHD1
  • MEMBER
  • 2 POSTS
No engine is not runningbattery is a 12.5 when running 13.6 13.7 but once motor is warmed up it starts just fine could it be starter dragging till it warm? No its not fuel pressure. It slow crank's when cold
Was this
answer
helpful?
Yes
No
-1
Monday, November 5th, 2018 AT 4:44 PM (Merged)
Tiny
JDL
  • MECHANIC
  • 16,098 POSTS
You may have to check for voltage drop at the starter itself. Gasoline engine? Some of the national brand autostores will test the starter for you. Also, mechanical issue might be putting too much load on the starter, with cold start?
Was this
answer
helpful?
Yes
No
Monday, November 5th, 2018 AT 4:44 PM (Merged)
Tiny
DEV8ED
  • MEMBER
  • 1 POST
  • 2001 CHEVROLET SUBURBAN
  • V8
  • 2WD
  • AUTOMATIC
  • 120,000 MILES
From a cold start, if I just turn the key the engine will turn over and over then it will eventualy start. If I turn the key on but do not attempt to start and let it sit for a few seconds the engine starts and runs fine. I suspected the fuel pump but it has been doing this for several months and has not failed.
Was this
answer
helpful?
Yes
No
+1
Monday, November 5th, 2018 AT 4:44 PM (Merged)
Tiny
RASMATAZ
  • MECHANIC
  • 75,992 POSTS
Check and test the coolant temperature sensor and the fuel pump relay if both okay you could be dealing with a failing fuel pump or your ignition switch is acting up
Was this
answer
helpful?
Yes
No
Monday, November 5th, 2018 AT 4:44 PM (Merged)
Tiny
BACK2MAC
  • MEMBER
  • 1 POST
  • 2002 CHEVROLET SUBURBAN
  • V8
  • 4WD
  • AUTOMATIC
  • 110,000 MILES
About once a week the suburban won't start. When I turn the key everything comes on but the engine doesn't even try to turn over. There is no sound not even any clicking. When I come back the next morning it starts right up. I have a feeling it has something to do with security but nothing I try works. Do you have any ideas?
Was this
answer
helpful?
Yes
No
Monday, November 5th, 2018 AT 4:45 PM (Merged)
Tiny
MERLIN2021
  • MECHANIC
  • 17,250 POSTS
Most owners manuals explain how to reprogram the key. If not click on the link in my sig file, and look up your vehicle!
Was this
answer
helpful?
Yes
No
+1
Monday, November 5th, 2018 AT 4:45 PM (Merged)

Please login or register to post a reply.