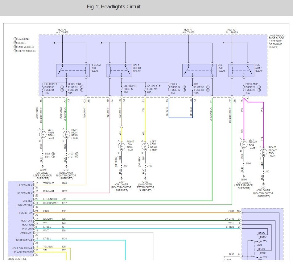
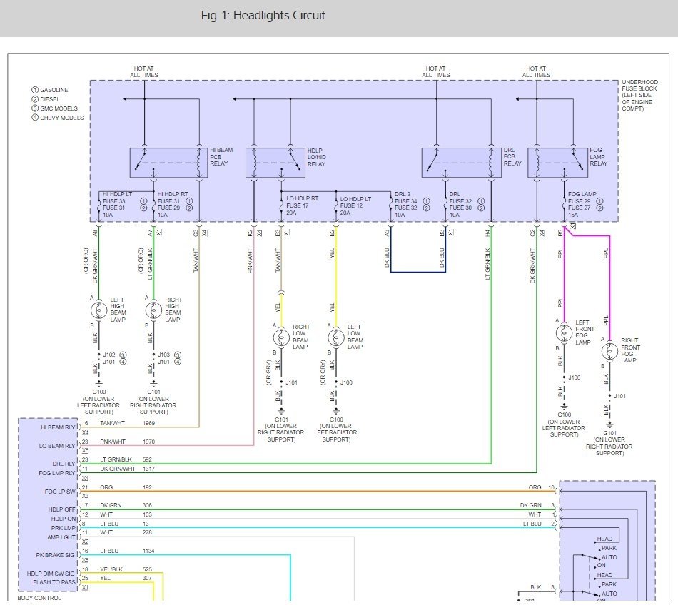
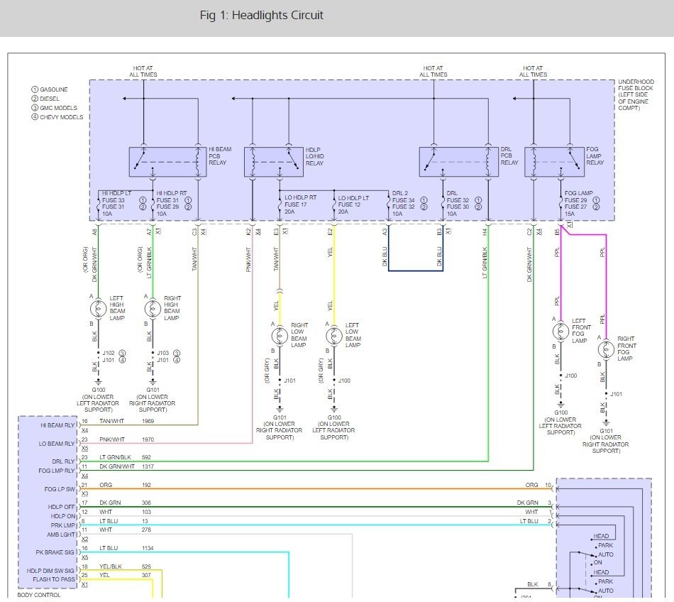
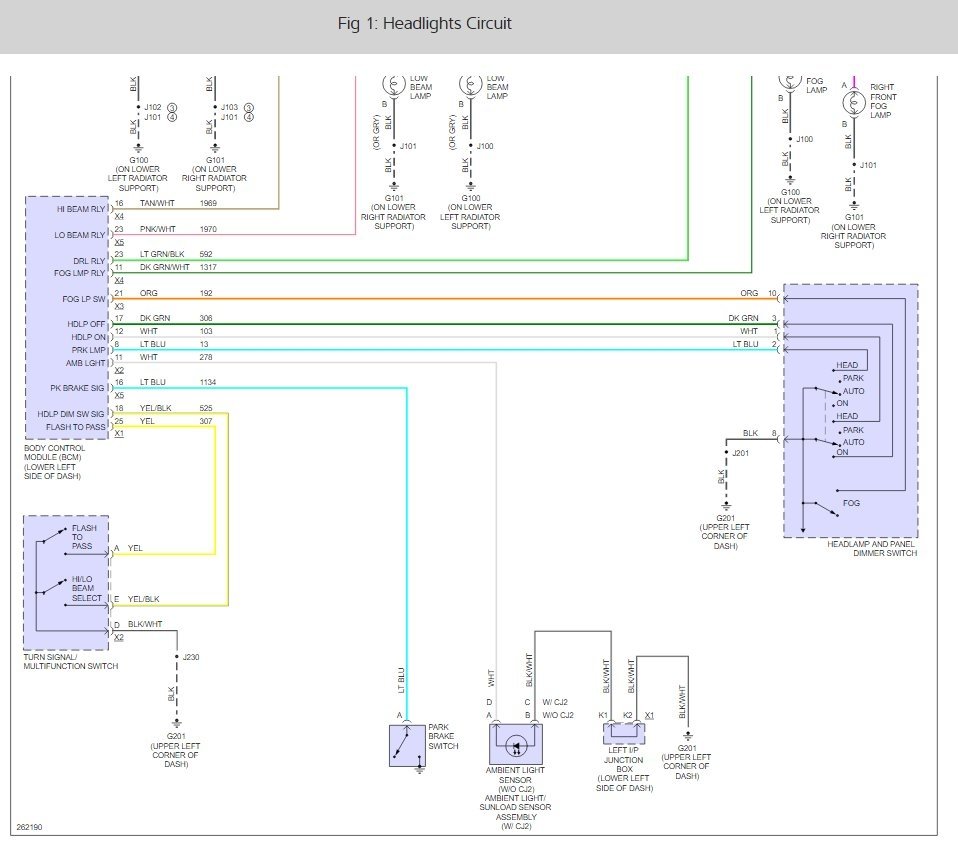
It is just the passenger side that is out. I have checked the 20 amp fuse in the panel and it is good too.
The number seventeen fuse has has power to both sides of the fuse with the low beams on. The black ground wire for the lamp has 0.1 ohms. With the low beams on and the light bulb out of the connector, the yellow wire reads 11.8. When I plug the bulb in and turn the lights on the yellow bulb reads 0.00 nothing.
I have three bulbs here and I am able to power them up and get them working if I jump it with my power probe. It is when the circuit is completed by plugging in the bulb it looses power. In the fuse panel, I did switch the hi/lo rely with another from the panel and still have the same results.
I am able to jump it and get the bulb to come on. Help please and thank you.
Friday, March 30th, 2012 AT 12:14 AM














