Thursday, November 18th, 2010 AT 6:53 PM
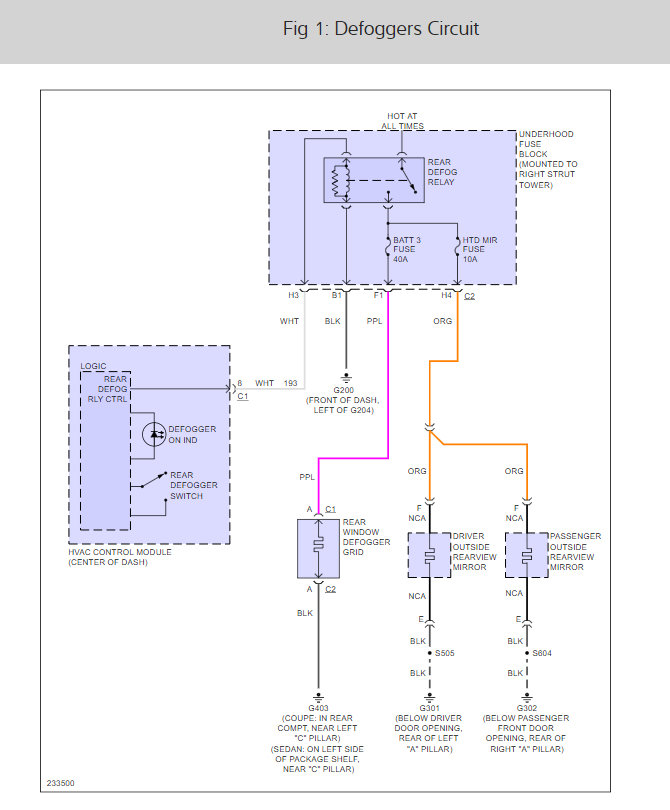
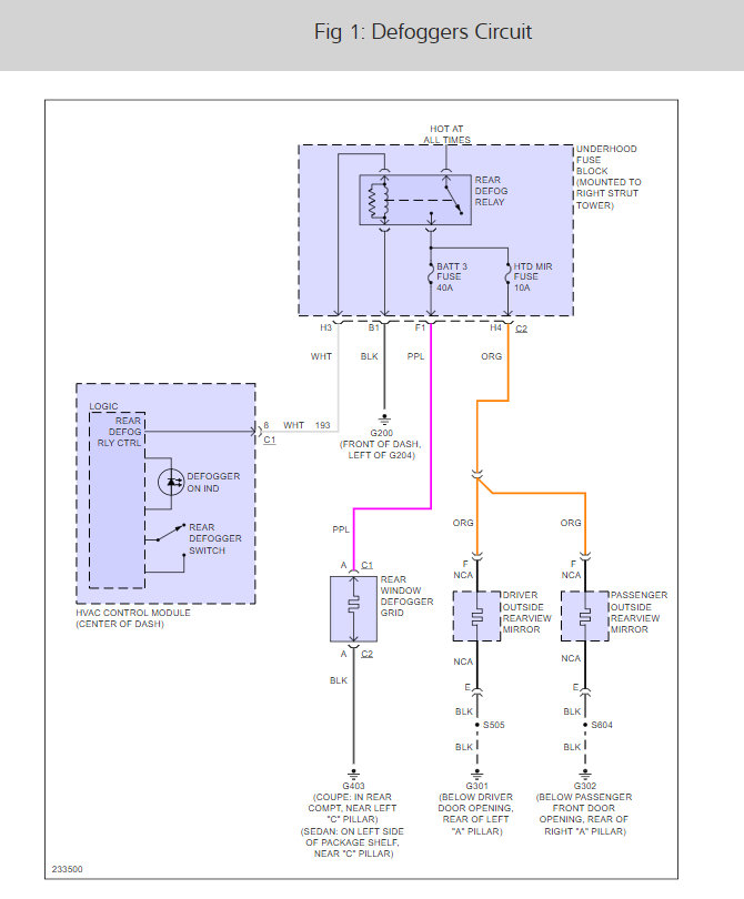
I have a 2007 Monte Carlo. The rear defroster doesn't work. The light on the switch works, it has power to the grid, continuity through the grid, however it doesn't clear the window.












