brakes have a rapping noise from the dash it goes away when I put the brakes?

2007 CHEVROLET IMPALA
59,500 MILES • 3.9L • V6 • 2WD • AUTOMATIC
Avatar
VE77ER
  • MEMBER
  • 2 POSTS
the brakes have a rapping noise from the dash it goes away when I put the brake on do I need rotors?
Feb 25, 2014 at 3:25 AM
Repair Safety Notice: This information is for general instructional purposes only. Vehicle repair can be dangerous. Verify all information, follow manufacturer service procedures, use proper tools and safety equipment, and consult a qualified repair shop when needed.
Advertisement
Avatar
JACOBANDNICKOLAS
  • CAR REPAIR CONTRIBUTOR
  • 110,190 POSTS
Hi,

Replacing front brakes isn't too hard to do. You can expect to get approximately 25,000 miles from a set of pads, but that is based on the driver.

First, here is a link that shows how to replace brakes and rotors in general. You can use this as a guide.

https://www.2carpros.com/articles/how-to-replace-front-brake-pads-and-rotors-fwd

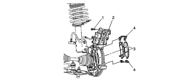
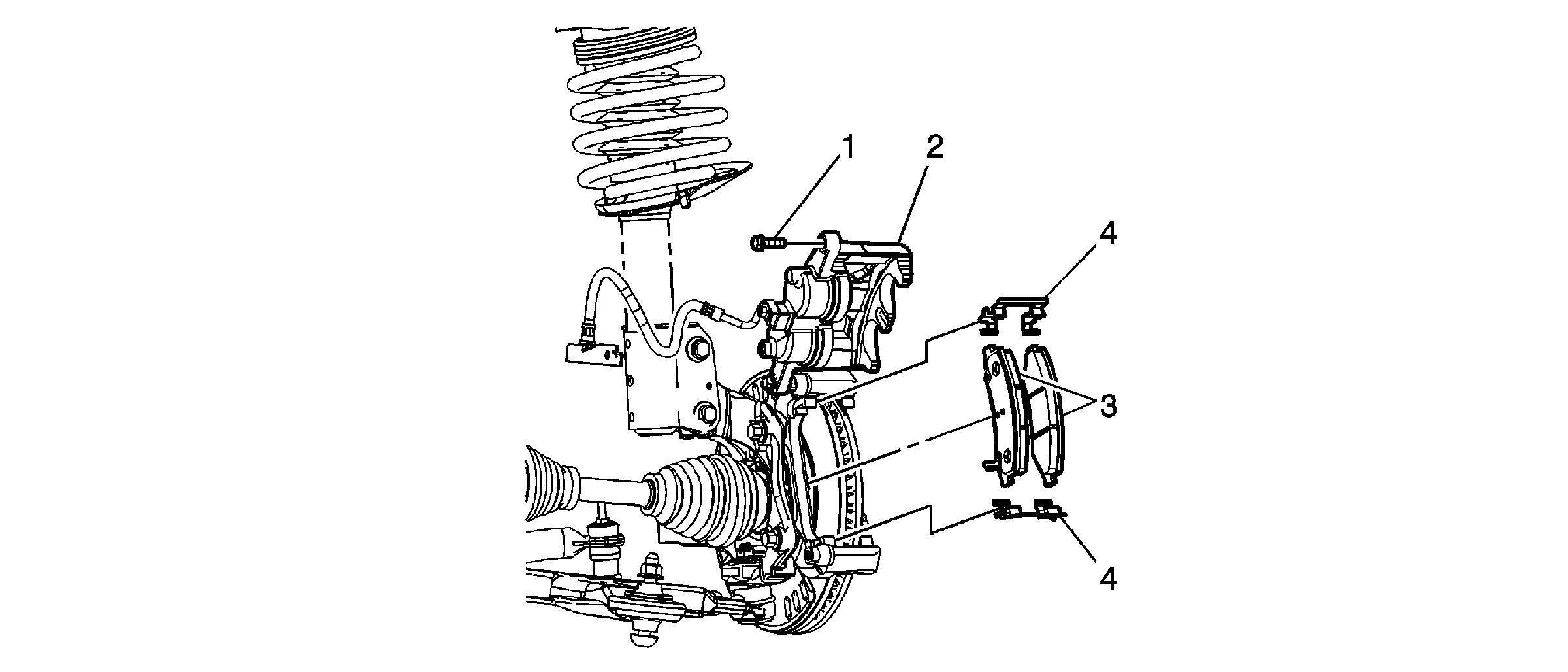
Here are the directions specific to your vehicle. The attached pics correlate with the directions.
Mar 29, 2021 at 12:28 PM
Advertisement