No Blower High Speed

Tiny
JIMMIEZ
  • MEMBER
  • 2007 CHEVROLET HHR
  • 4 CYL
  • FWD
  • AUTOMATIC
  • 88,300 MILES
A/C blower only blows low and intermediate speeds, not high speed. What is likely cause and repair/replace instructions.
Tuesday, October 18th, 2011 AT 6:09 PM

14 Replies

Tiny
FIXITMR
  • MECHANIC
  • 9,990 POSTS
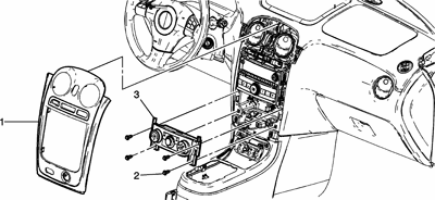
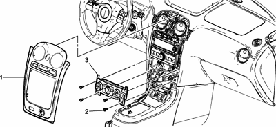
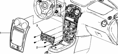
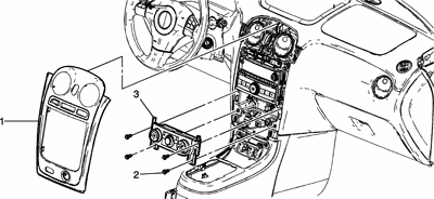
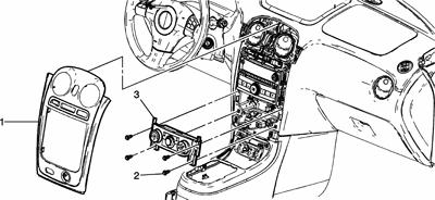
Probably the switch itself. It connects different degrees of grounding to the blower. Take center panel apart(trim just pops off/out unscrew plate with switch) and unplug blower switch. Connect black and orange wires with jumper. This is HIGH connection to blower. If it works its the switch.
Was this
answer
helpful?
Yes
No
+3
Tuesday, October 18th, 2011 AT 7:42 PM
Tiny
FIXITMR
  • MECHANIC
  • 9,990 POSTS
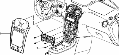
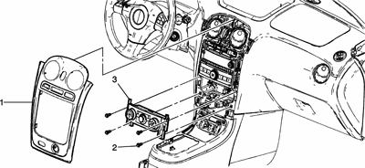
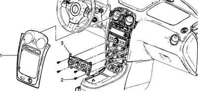
Here's a couple pics
Was this
answer
helpful?
Yes
No
+6
Tuesday, October 18th, 2011 AT 8:02 PM
Tiny
FIXITMR
  • MECHANIC
  • 9,990 POSTS
If ya need a switch try ebay or salvage yard.
Was this
answer
helpful?
Yes
No
+2
Tuesday, October 18th, 2011 AT 8:05 PM
Tiny
BARBARA1963
  • MEMBER
  • 99 POSTS
  • 2006 CHEVROLET HHR
  • 2.4L
  • AUTOMATIC
I have replaced the blower motor on this vehicle, checked all the fuses and replaced the hvac relay, I can hear the compresser but the blower seems to not be getting any power to it because I ran a straight wire and the blower worked, do you have any advice
Was this
answer
helpful?
Yes
No
+1
Tuesday, July 9th, 2019 AT 11:39 AM (Merged)
Tiny
HMAC300
  • MECHANIC
  • 48,601 POSTS
Check bcm fuse 3 under hood it's a 30amp fuse then check to see if power is transferring through hvac relay or if relay is any good switch with a like relay. if still no power then have it scanned for codes. blower should work on high if resistor is bad resistor is by blower motor. this may be a body module as well as the blower goes through that. To be sure here is the blower wiring diagrams and a guide to check for power to confirm the failure.

https://www.2carpros.com/articles/how-to-use-a-test-light-circuit-tester

Check out the diagrams (Below). Please let us know what happens.
Was this
answer
helpful?
Yes
No
+1
Tuesday, July 9th, 2019 AT 11:39 AM (Merged)
Tiny
VERNON NELSON
  • MEMBER
  • 3 POSTS
I had this problem and had to replace the HVAC controller cost me $254.00, all set. I love this site.
Was this
answer
helpful?
Yes
No
Tuesday, July 9th, 2019 AT 11:39 AM (Merged)
Tiny
DECKHART
  • MEMBER
  • 1 POST
  • 2006 CHEVROLET HHR
  • 4 CYL
  • FWD
  • AUTOMATIC
  • 35,000 MILES
My heater and air conditioner fan only high speed and no lower speeds. What would be the cause and the fix?
Was this
answer
helpful?
Yes
No
+1
Tuesday, July 9th, 2019 AT 11:39 AM (Merged)
Tiny
DOCFIXIT
  • MECHANIC
  • 18,828 POSTS
This sounds like you have a blower motor resistor that is out Here is a guide t help you get it replaced along with the diagrams of how the job is done on your car

https://www.2carpros.com/articles/blower-fan-motor-works-on-high-speed-only

Check out the diagrams (Below). Please let us know if you need anything else to get the problem fixed.

Cheers
Was this
answer
helpful?
Yes
No
Tuesday, July 9th, 2019 AT 11:39 AM (Merged)
Tiny
SH7552
  • MEMBER
  • 1 POST
  • 2006 CHEVROLET HHR
  • 4 CYL
  • FWD
  • AUTOMATIC
  • 45,700 MILES
2006 chevy hhr. Fan motor for AC will not run.
Was this
answer
helpful?
Yes
No
+1
Tuesday, July 9th, 2019 AT 11:39 AM (Merged)
Tiny
WRENCHTECH
  • MECHANIC
  • 20,761 POSTS
First check all the fuses and then try jumping power and ground directly to the motor to test it. If the motor is good, then determine if it's power or ground that it's lacking.
Was this
answer
helpful?
Yes
No
Tuesday, July 9th, 2019 AT 11:39 AM (Merged)
Tiny
MEESPY
  • MEMBER
  • 2 POSTS
  • 2007 CHEVROLET HHR
  • 4 CYL
  • FWD
  • AUTOMATIC
  • 26,937 MILES
I have on several occasions had the blower fan kick on, sometime while, while the air or the heat is on, other times when its turned off, I have even had it go on, when the keys are not even in the ignigtion, and engine not running, can you explain this to me, its kinda creeepy when its happens, I just wonder how often it happens when the car is parked. It only runs for a few seconds and then quites, but sometime does it 3 or 4 times in a row. Seconds apart. No one seems to know why. Help.
Was this
answer
helpful?
Yes
No
+1
Tuesday, July 9th, 2019 AT 11:39 AM (Merged)
Tiny
RASMATAZ
  • MECHANIC
  • 75,992 POSTS
Check if the blower motor relay is sticking
Was this
answer
helpful?
Yes
No
+2
Tuesday, July 9th, 2019 AT 11:39 AM (Merged)
Tiny
MEESPY
  • MEMBER
  • 2 POSTS
And where would I locate the blower motor relay switch?
Was this
answer
helpful?
Yes
No
Tuesday, July 9th, 2019 AT 11:39 AM (Merged)
Tiny
RASMATAZ
  • MECHANIC
  • 75,992 POSTS
Instead of the BMR check the HVAC relay in the body control module at no.30


https://www.2carpros.com/forum/automotive_pictures/12900_hvac_relay_1.jpg

Was this
answer
helpful?
Yes
No
-2
Tuesday, July 9th, 2019 AT 11:39 AM (Merged)

Please login or register to post a reply.