Rear liftgate won't open

Tiny
TOMMYO
  • MEMBER
  • 2007 CHEVROLET EQUINOX
  • 75,000 MILES
All doors unlock, but I can't get the liftgate to open. Also my rear wiper does not work.
Wednesday, October 19th, 2011 AT 5:00 PM

1 Reply

Tiny
KEN L
  • MASTER CERTIFIED MECHANIC
  • 55,158 POSTS
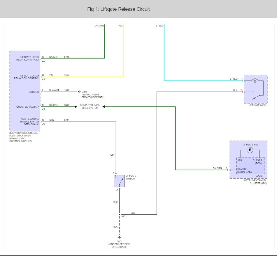
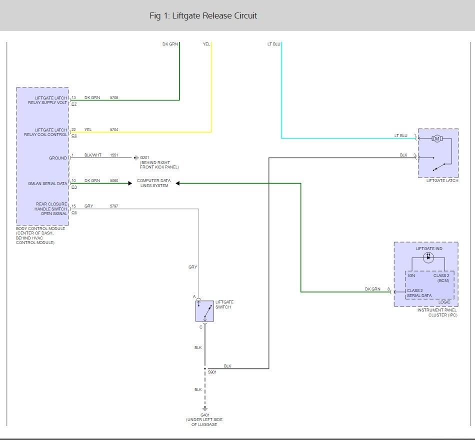
It sounds like you have a fuse or a relay that is out I have pulled up the wiring diagrams for you so you can do some testing. Here is a guide to show you how to get started.

https://www.2carpros.com/articles/how-to-use-a-test-light-circuit-tester

and

https://www.2carpros.com/articles/how-to-check-wiring

Please run some tests and get back to us so we can continue helping you.

Cheers, Ken
Was this
answer
helpful?
Yes
No
Saturday, April 22nd, 2017 AT 7:17 PM

Please login or register to post a reply.