Heated seats

Tiny
CADIEMAN
  • MECHANIC
  • 3,544 POSTS
Each seat has 3 lower and 1 back elements. These seats heated systems have a problem with the elements. This is a problem for cadillac. They released a option before they properly testing it.
Was this
answer
helpful?
Yes
No
Friday, November 9th, 2018 AT 1:19 PM (Merged)
Tiny
BOBDAILEY
  • MEMBER
  • 1 POST
  • 2003 CADILLAC ESCALADE
  • V8
  • 4WD
  • AUTOMATIC
The driver seat of my 2003 Cadillac esclade stopped movement adjustment & heater controll doesn't work
Was this
answer
helpful?
Yes
No
Friday, November 9th, 2018 AT 1:19 PM (Merged)
Tiny
FACTORYJACK
  • MECHANIC
  • 4,159 POSTS
Check the connector at the rear of the seat, the seat connection to body harness. There may be a meltdown from high resistance and poor connection.
Was this
answer
helpful?
Yes
No
Friday, November 9th, 2018 AT 1:19 PM (Merged)
Tiny
MELANIE_R22
  • MEMBER
  • 1 POST
  • 2007 CADILLAC ESCALADE
  • 99,000 MILES
If the fuse for my heated seats are not burnt out then what would be considered another cause of this?
Was this
answer
helpful?
Yes
No
Friday, November 9th, 2018 AT 1:20 PM (Merged)
Tiny
DRCRANKNWRENCH
  • MECHANIC
  • 3,380 POSTS
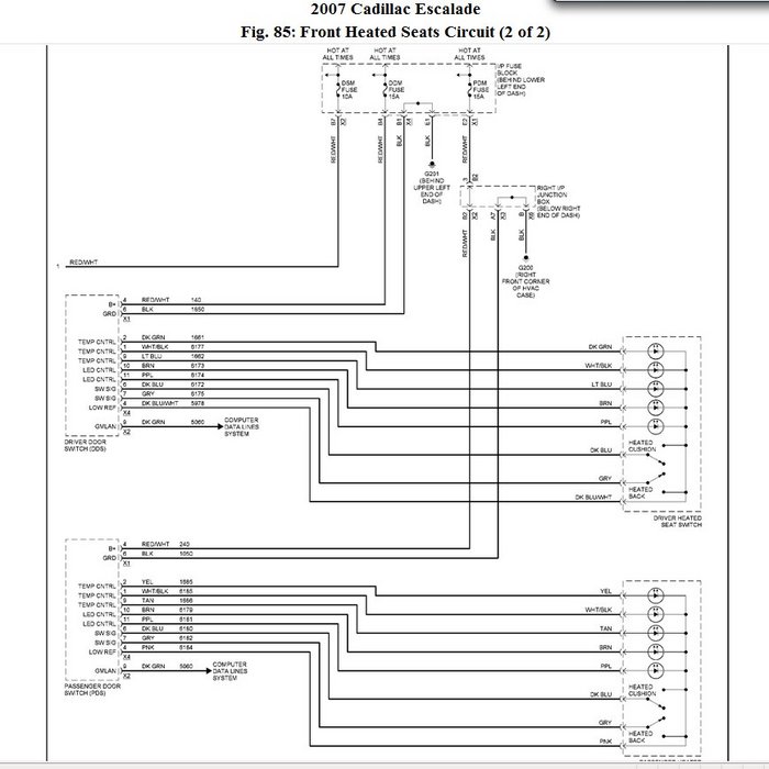
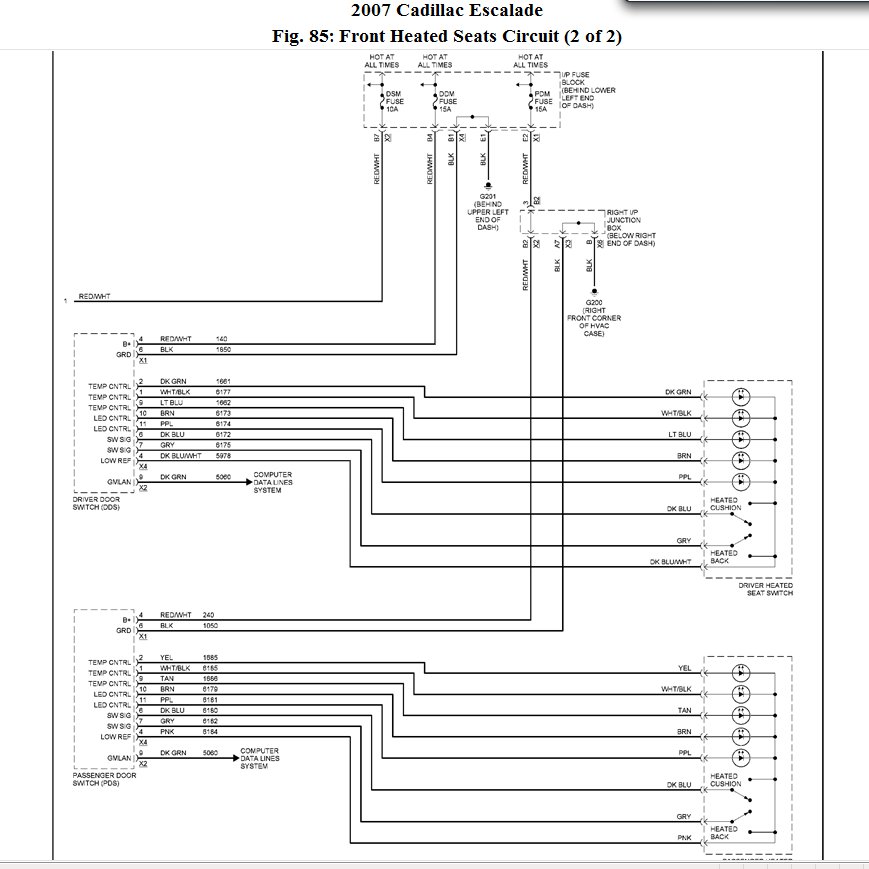
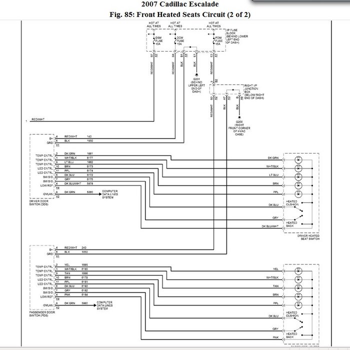
I am providing you with the wiring diagrams for the seat heater circuits. They are 2 pages labeled 1of2 and 2of2. The #1 diagram will be to the left of the #2 diagram to make a complete picture. There is a red and white wire, I believe it is red and white but I have it closed not, and you can see where the wire goes off the page to the right in diagram #1 and comes into the left side of page in diagram #2. It looks like the diagrams are cut off bottom and top but I do this to make the image as large as possible so you can read the color of the wires.

There is one thing that will make tracing the problem different. Notice n daigram #1 that the seatback heater element is seperate from the cushion element in part of the circuit. If only one of them works, you will be looking at the wires for tha element and the possibility that the elemnt has failed instead of the whole circuit.

The possible failed components are as follows;

Memory Seat Module, not a very likely candidate as it has other controls as you will see and they would fail as well in most cases.

The Heater Element in the seat has a resistor or the sensor for the temperature of the seat that could be faulty.

In Diagram #2, it may be hard to read but there is a part under the fuse box to the right called the, "Right I/P Junction". Check it for terminal connection being connected and the ground both being free from corrosion as well.

Driver's door control switch could have failed, just the heated seat control can fail without losing other functions.

Heated seat switch. This acts like a relay but it has diodes in it so it is called a switch. There are 2 signals from the control module to check and sometimes diodes fail which would require the switch to be replaced.

Check all the grounfs as shown in diagrams as wires terminating in an arrow head shape and denoted with a capital, "G" followed by a number. Check for corrosion and contact with bare metal.

To go through the circuit and test what might be wrong if visual inspection fails. If you follow the circuits from the hot wire power source you can read it with a multi meter at different point to check for 12 Volts. This is done by checking if 12 volts is available to each part in the circuit and seeing if the 12 volts passes through the part on the other side. You follow the pathof the voltage in series by tracing the path of the vaoltage from fuse box to ground. Some components liek the Memory Control Module and the Heater Switch with the temp sensor in it will not always have a 12 volt signal as there must be certain conditions me to trigger the signal. For instance, the temp sensor must sense that the temp is below whatever setting you chose for the seat and it turns off the volatage when that threshold is broken to keep the seat at the set temp.
They are also circuit wores that have to have other requirements me, like the ignition switch has to be in the, "ON" position or the switch in the drivers door must be on and you must be checking the correct wires for whatever position you put it in and you should check every position.
You can also check wires that you cannot see by using continutiy or resistance to see if there is a break in the wire.
Let me knwo if you have any questions or need anything else in regards to this issue.
Was this
answer
helpful?
Yes
No
Friday, November 9th, 2018 AT 1:20 PM (Merged)

Please login or register to post a reply.