Tuesday, July 28th, 2015 AT 11:07 PM
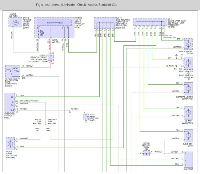
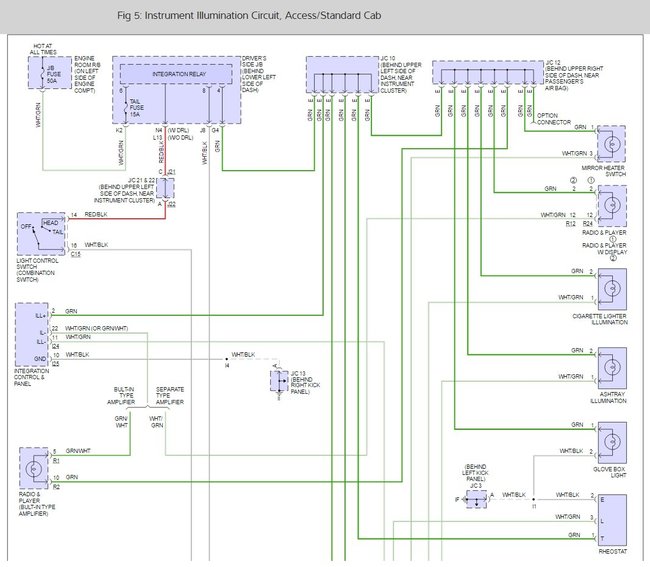
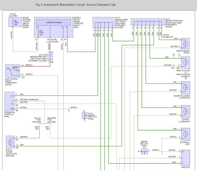
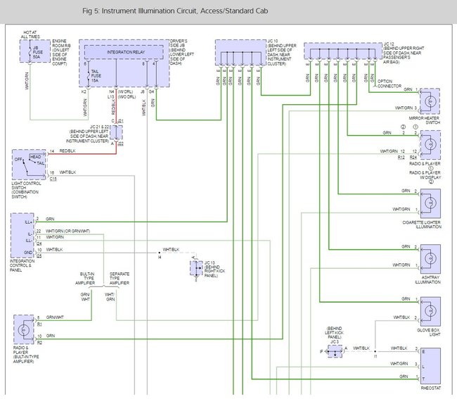
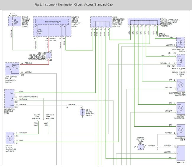
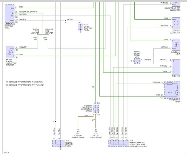
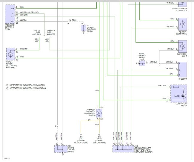
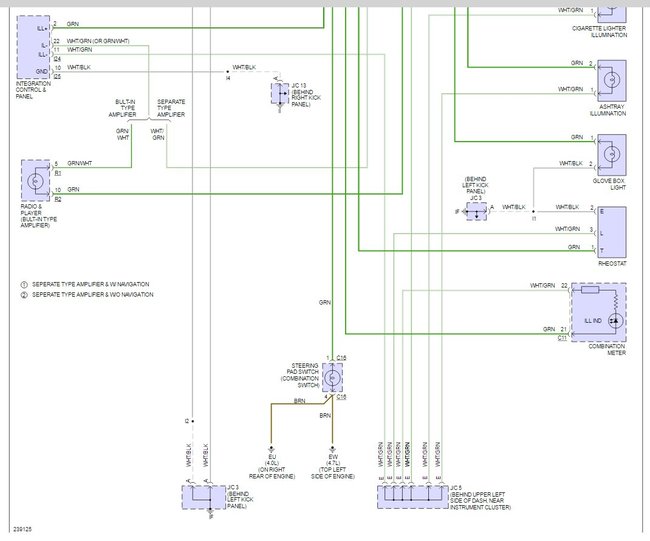
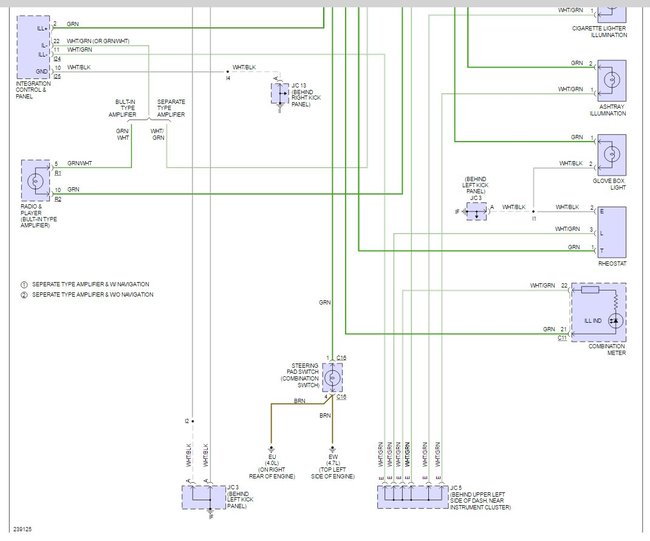
The back light for the gauges on my dash, as well as the knobs for my A/C are completely out. I tried turning the dimmer, nothing. I tried checking the fuses, all work fine. I tried uninstalling my new radio, nothing. I have no idea what to do and am freaking out because I cannot see how fast I am driving in the evening and do not want a speeding ticket. I would also like for my car to pass inspection, and with those lights out it surely will fail.



