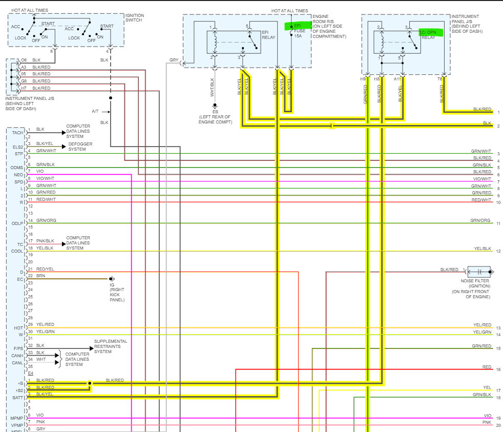
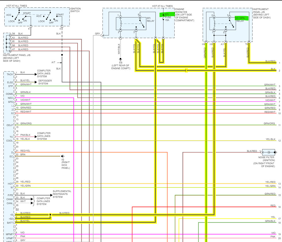
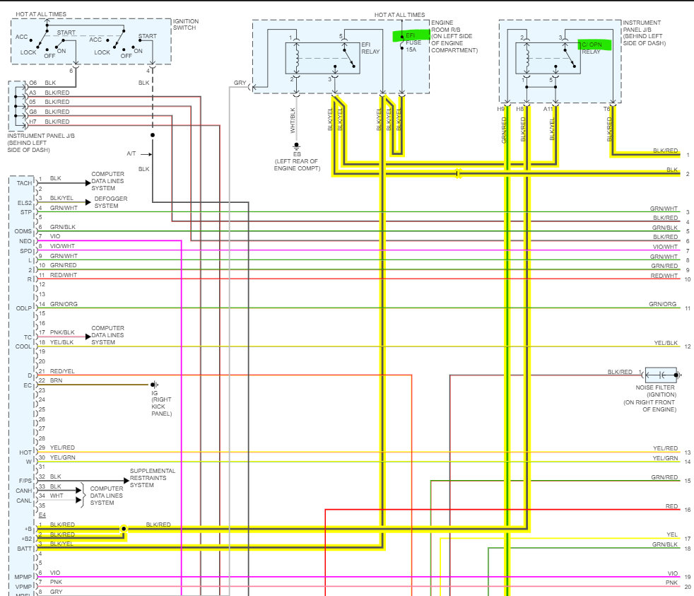
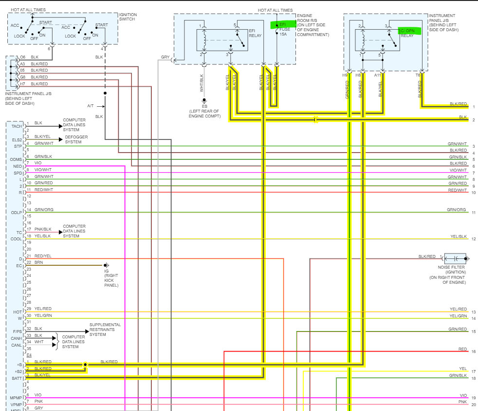
I put in a new blower motor but now the A/C doesn’t kick on at all.
Now this morning, out of the blue, it shut off while driving down the road. I pulled over checked the fuses, found the one for the fuel pump was blown. I switched it out, but I can’t hear the fuel pump run and tapping on the tank, it sounds empty, but I just put half a tank in it.
And now it cranks but won't start, and the check engine light flashes in sequence with a ticking noise from somewhere in the engine compartment, what's that about?
Tuesday, May 24th, 2022 AT 11:51 PM










