Heater core?

Tiny
ANONYMOUS
  • MEMBER
  • 2006 PONTIAC MONTANA
I've been trying' to fix my wife's heater. But to no prevail, my last resource is to disconnect heater core and flush it. Blows good air, changed cabin filters, thermostat, the door works good, core gets hot to touch.
Tuesday, October 30th, 2012 AT 10:26 PM

10 Replies

Tiny
HMAC300
  • MECHANIC
  • 48,601 POSTS
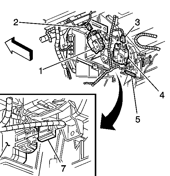
Check to see if power is going to actuators on heater box itself. Onedirects temp the other direction. Pic enclosed.
Was this
answer
helpful?
Yes
No
+1
Tuesday, October 30th, 2012 AT 10:36 PM
Tiny
HMAC300
  • MECHANIC
  • 48,601 POSTS
Its item 1 &4 on drawing
Was this
answer
helpful?
Yes
No
Tuesday, October 30th, 2012 AT 10:36 PM
Tiny
DCOLE4
  • MEMBER
  • 1 POST
  • 2003 PONTIAC MONTANA
  • 6 CYL
  • FWD
  • AUTOMATIC
  • 197,045 MILES
How do you replace the heater core in a 2003 Pontiac Montana 3.4. Where is it and how long does it take to change.
Was this
answer
helpful?
Yes
No
Tuesday, December 31st, 2019 AT 5:25 PM (Merged)
Tiny
BMRFIXIT
  • MECHANIC
  • 19,053 POSTS
Heater Core Cover Replacement
Removal Procedure
Remove the floor air outlet duct.
If equipped, disconnect the DVD wiring harness from the I/P support bracket.
Remove the screws retaining the heater core cover.
Remove the heater core cover.

Heater Core Replacement
Tools Required
J 38185 Hose Clamp Pliers.
Removal Procedure
Drain the cooling system.
Remove the left wiper arm linkage nuts.
Reposition the left wiper arm linkage for access.
Disconnect the vacuum hose from the brake booster and reposition.
Remove the air cleaner cover and intake tube.
Important: Disconnect the throttle and cruise control cables to prevent bending the cable housings.
Disconnect the throttle and cruise control cables from the TBI mounting bracket.
Remove the transmission fluid filler tube.
Disconnect both of the heater hose clamps at the heater core using the J 38185.
Remove the heater hoses from the heater core.
Important: Cap off the heater core inlet and outlet pipes to prevent coolant spilling inside of the vehicle.
Cap off the heater core pipes.
Remove the heater core cover.
Remove the heater core pipe retaining clamp screw.
Remove the heater core from the HVAC module.

Installation Procedure
Install the heater core to the HVAC module.
NOTE:Refer to FASTENER NOTICE in Cautions and Notices.

Install the heater core pipe retaining clamp screw.
Tighten
Tighten the screw to 1.6 N.M (14 lb in).
Fig. 341: Installing Heater Core Pipe Retaining Clamp Screw
Courtesy of GENERAL MOTORS CORP.
Install the heater core cover.
Install the heater hoses to the heater core.
Reposition the heater hose clamps to secure the hoses using the J 38185.
Install the transmission fluid filler tube.
Install the air cleaner cover and intake hose.
Connect the throttle and cruise control cables to the TBI mounting bracket.
Connect the vacuum hose to the brake booster.
Install the left wiper arm linkage.
Install the left wiper arm linkage nuts.
Tighten
Tighten the nuts to 5 N.M (44 lb in).
Fill the coolant

Installation Procedure
Install the heater core cover.
NOTE:Refer to FASTENER NOTICE in Cautions and Notices.

Install the heater core cover retaining screws.
Tighten
Tighten the screws to 1.6 N.M (14 lb in).
If equipped, connect the DVD wiring harness to the I/P support bracket.
Install the floor air outlet duct
Was this
answer
helpful?
Yes
No
+12
Tuesday, December 31st, 2019 AT 5:25 PM (Merged)
Tiny
02MONTANA
  • MEMBER
  • 1 POST
  • 2002 PONTIAC MONTANA
Would anybody be able to give me detailed instructions on how to change the heater core in the 2002 Pontiac Montana?
Was this
answer
helpful?
Yes
No
Tuesday, December 31st, 2019 AT 5:25 PM (Merged)
Tiny
2CARPRO JACK
  • MECHANIC
  • 11,533 POSTS
On the forun main page there is a link at the very bottom. Tech info, it is Mitchell on demand. The info you need should be in there, be warned the entire dash may have to be removed to gain access to the plenum
Was this
answer
helpful?
Yes
No
Tuesday, December 31st, 2019 AT 5:25 PM (Merged)
Tiny
NICHOLEHOYT
  • MEMBER
  • 1 POST
  • 2002 PONTIAC MONTANA
  • 3.0L
  • V6
  • 2WD
  • AUTOMATIC
  • 180,000 MILES
I have had no heat for about 1 month. I have replaced the thermostat. No heat. I then had the heater core replaced. I will get luke warm air from vents but nothing but cold air from defrost and floor. What is wrong with my van? I would like to stop spending money on my van.
Was this
answer
helpful?
Yes
No
Tuesday, December 31st, 2019 AT 5:25 PM (Merged)
Tiny
HMAC300
  • MECHANIC
  • 48,601 POSTS
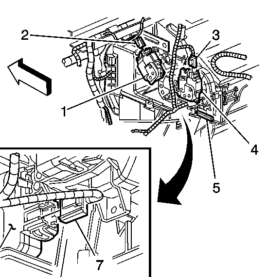
Try pulling your hvac fuse for 60 seconds with the key on then reinstalling. sometimes the actuators will reset. if not then remove the actuator and see if it is getting power or the door is broken. see pic. i't on pass side.

This guide can help as well

https://www.2carpros.com/articles/replace-heater-hoses
Was this
answer
helpful?
Yes
No
+1
Tuesday, December 31st, 2019 AT 5:25 PM (Merged)
Tiny
BANGORFC
  • MEMBER
  • 1 POST
  • 2000 PONTIAC MONTANA
  • 3.4L
  • 6 CYL
  • 2WD
  • AUTOMATIC
  • 16,000 MILES
I see lots of questions about 200 Montana heating but after trying blowing out heater hoses and checking blower which work fine I still get symptom's that a lot of other users report.
Blows cold air and after a while milder then cold again, I am puzzled because the rear heater is working great. I have check the cabin filters and they are clean.
The front and rear heaters are separate but if rear is ok, Does that mean the heater core is ok.
Is there a relay or vacuum to replace?
Was this
answer
helpful?
Yes
No
Tuesday, December 31st, 2019 AT 5:25 PM (Merged)
Tiny
HMAC300
  • MECHANIC
  • 48,601 POSTS
Try pulling hvac fuse inside car with key on for 60 seconds sometimes the actuator will reset otherwise check actuator for power. There may be two actuators as you didn't say whether or not you have dual zone. See pic
Was this
answer
helpful?
Yes
No
Tuesday, December 31st, 2019 AT 5:25 PM (Merged)

Please login or register to post a reply.