Tuesday, April 7th, 2015 AT 12:52 PM
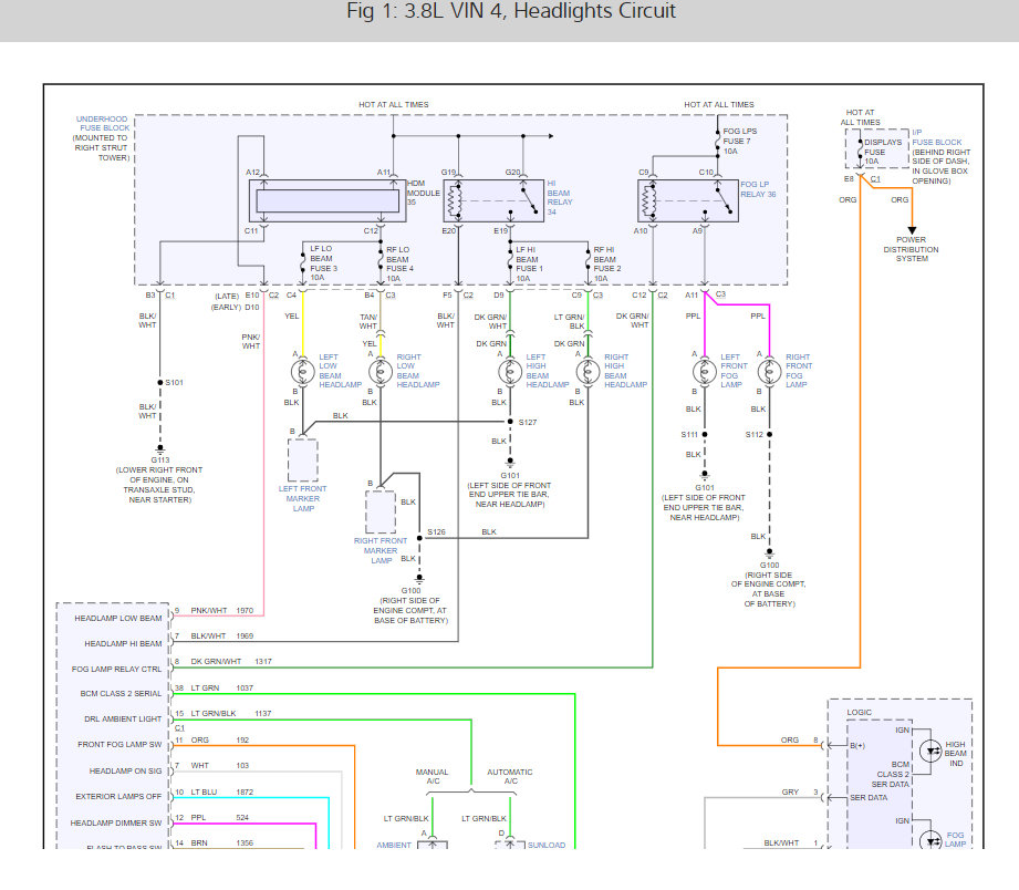
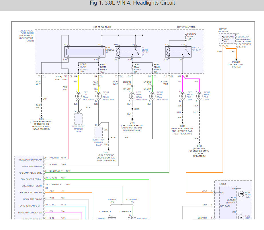
I'm having an issue with my headlights not coming on. I checked my fuses (good) the bulbs were burnt out, but the lights still won't come on. I was told at an auto parts store that it could be my relay. I need to know a price range to go by so I won't be taken, since I'm a woman.


