HOME
ASK A QUESTION
REPAIR GUIDES
BECOME A MEMBER
LOG IN
Login with Facebook
OR
Remember me
NOT A MEMBER?
FORGOT PASSWORD?
CONTACT US
PRIVACY POLICY
TERMS AND CONDITIONS
☰
Home
Mercury
Milan
Exterior Light
Turn Signal
Stay On
Mercury Interior and outside door lights will not turn off. How do I reset them?
DRCDAN
MEMBER
2006 MERCURY MILAN
70,000 MILES
Lights usually turn off after a delay. Now they just stay on
Saturday, February 18th, 2012 AT 2:31 AM
1 Reply
KEN L
MASTER CERTIFIED MECHANIC
55,030 POSTS
Hey DRCDAN,
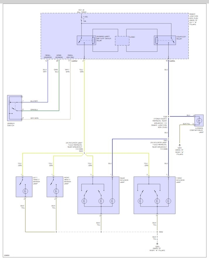
There is a relay that is stuck on and needs replacement. Here is a wiring diagram to help you get the problem fixed.
https://www.2carpros.com/articles/how-to-check-an-electrical-relay-and-wiring-control-circuit
Best, Ken
Image (Click to make bigger)
Was this
answer
helpful?
Yes
No
-1
Wednesday, February 8th, 2017 AT 2:44 AM
Please
login
or
register
to post a reply.
Ask a Car Question. It's Free!
Turn Signals Blink Fast
How to Use a Test Light
Headlight Dim or Dull