AC amplifier pin out (male, PCB side)

2006 TOYOTA LANDCRUISER
150,000 MILES • 4.7L • V8 • 4WD • AUTOMATIC
Avatar
JERRYWB
  • MEMBER
  • 3 POSTS
My AC amplifier is Toyota part number 88650-60B80. I have the field service volumes and the papar EWD book, and I have spare wires that I know go in there. So I am looking all over. It has three connector slots, 40 pin, 22 pin and 18 pin

Thank you
Jan 11, 2018 at 4:03 PM
Repair Safety Notice: This information is for general instructional purposes only. Vehicle repair can be dangerous. Verify all information, follow manufacturer service procedures, use proper tools and safety equipment, and consult a qualified repair shop when needed.
Advertisement
Avatar
STRAILER
  • CAR REPAIR CONTRIBUTOR
  • 54,191 POSTS
Hello,

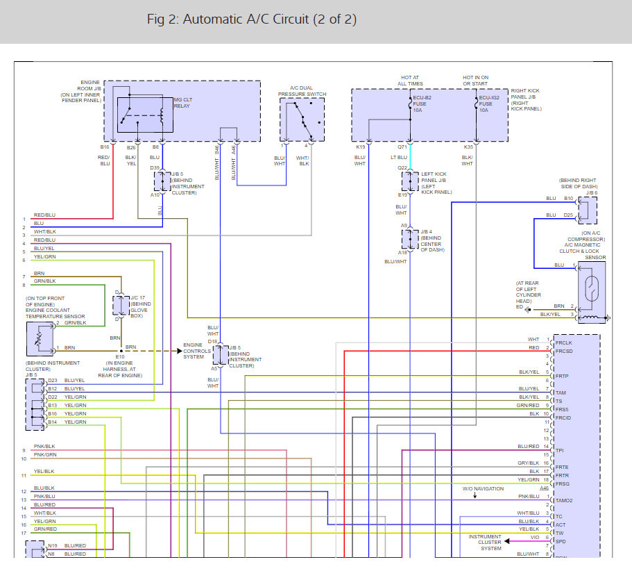
I found the wiring diagrams for both the front and rear air conditioners. Here is a guide to help you do testing to help find the problem:

https://www.2carpros.com/articles/how-to-check-wiring

Check out the diagrams (below).

Please let us know if you need anything else to get the problem fixed.

Cheers, Ken
Jan 12, 2018 at 5:45 PM
Advertisement
Avatar
JERRYWB
  • MEMBER
  • 3 POSTS
Thank you very much Sir.
Jan 12, 2018 at 7:23 PM
Avatar
STRAILER
  • CAR REPAIR CONTRIBUTOR
  • 54,191 POSTS
Use 2CarPros anytime, we are here to help. Please tell a friend.

Cheers, Ken
Jan 13, 2018 at 6:43 PM