Starter replacement

Tiny
72AL
  • MEMBER
  • 2006 HYUNDAI ELANTRA
  • 62,000 MILES
Where and how hard is it to change the starter?
Saturday, July 16th, 2011 AT 4:27 AM

15 Replies

Tiny
KHLOW2008
  • MECHANIC
  • 41,814 POSTS
Hello,

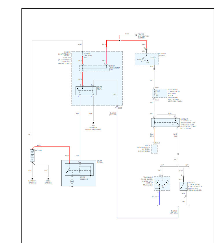
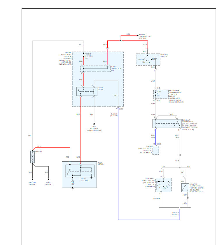
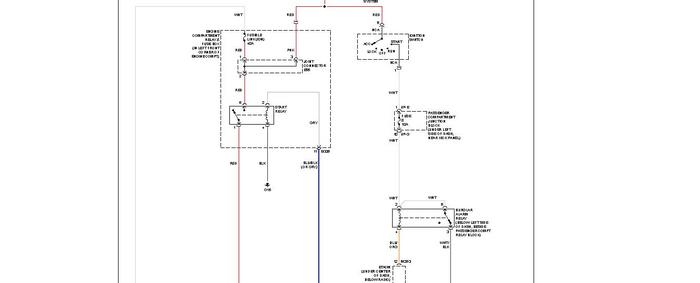
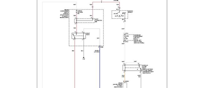
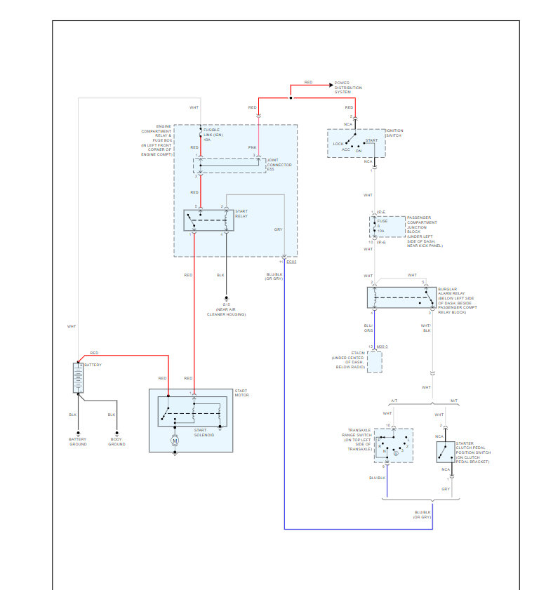
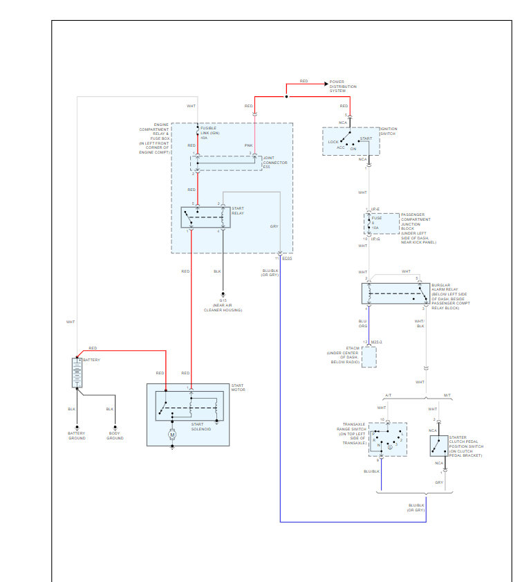
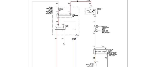
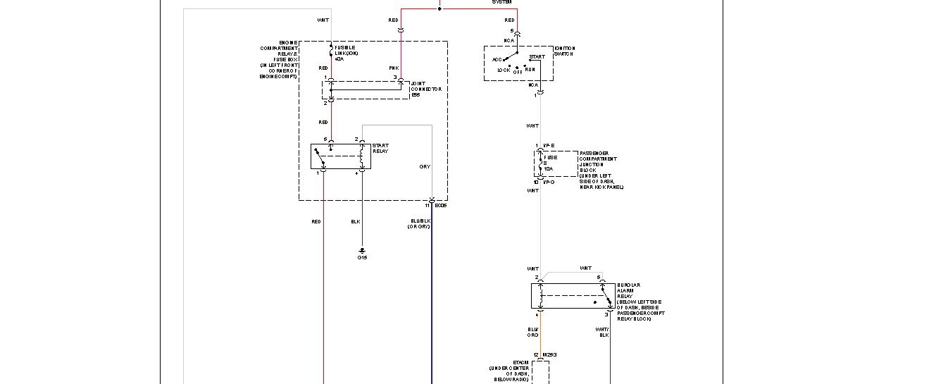
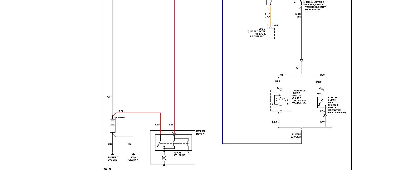
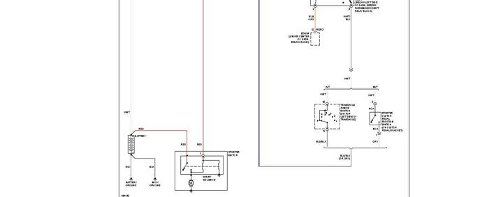
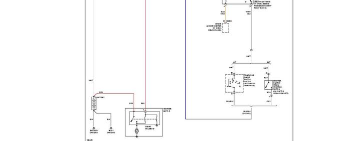
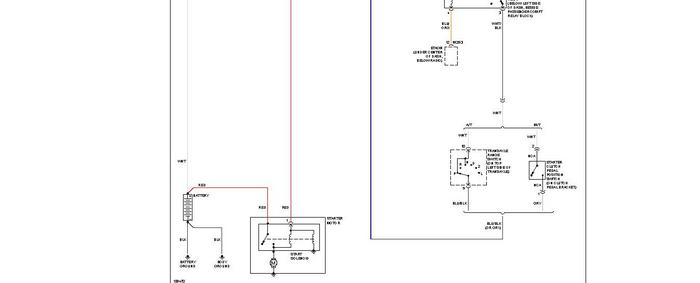
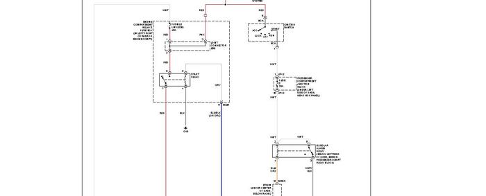
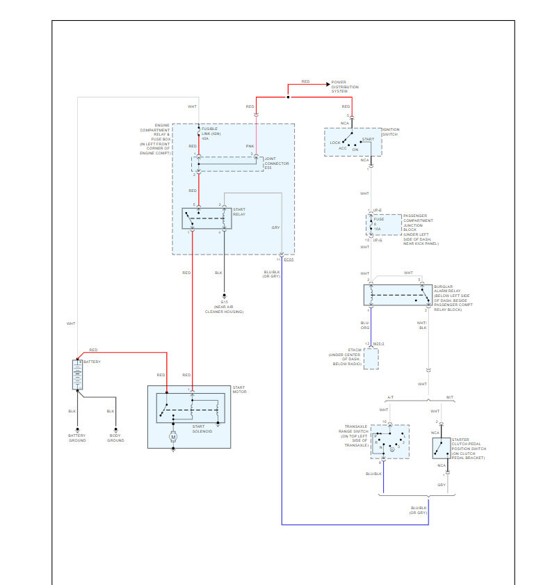
It is not too bad the change out the starter motor here is a guide to help walk you through the steps with instructions in the diagrams below to show you how on your car.

https://www.2carpros.com/articles/how-to-replace-a-starter-motor

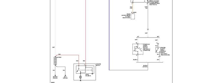
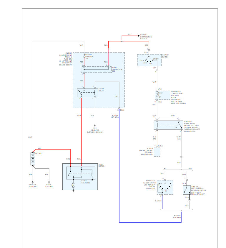
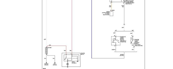
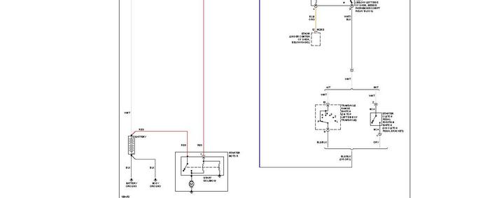
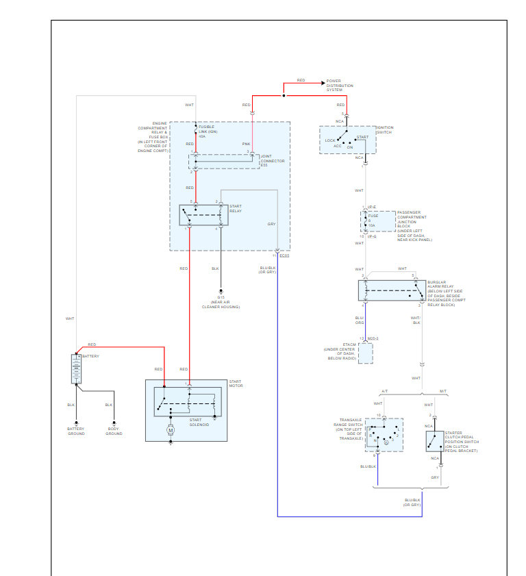
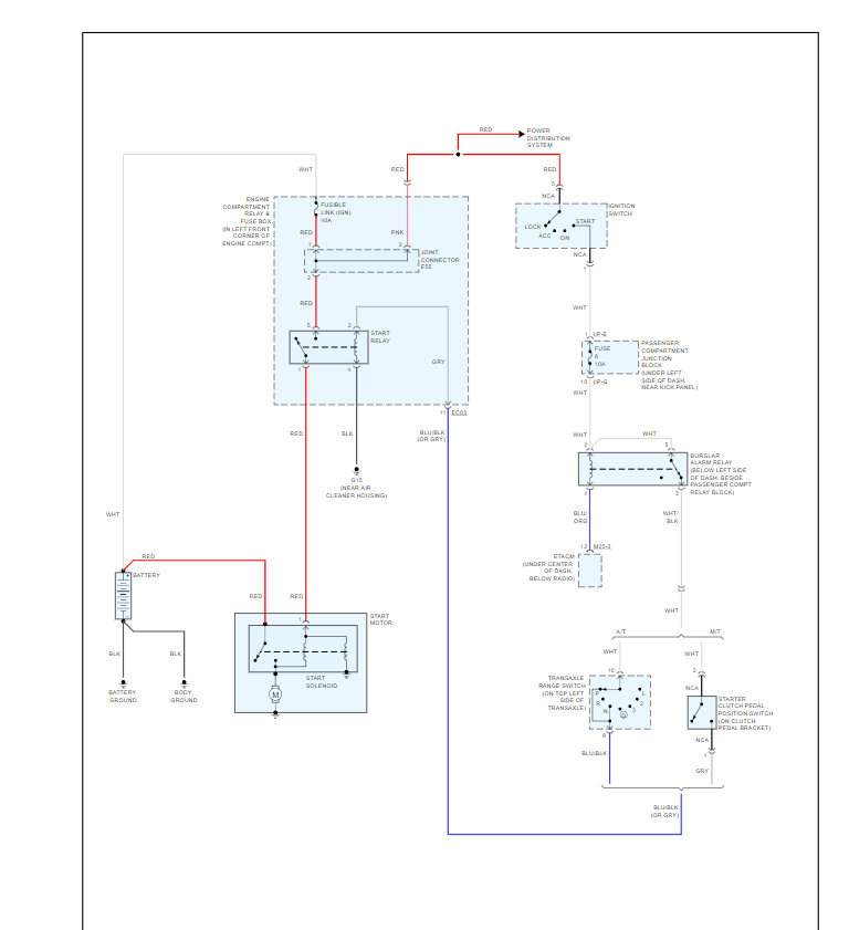
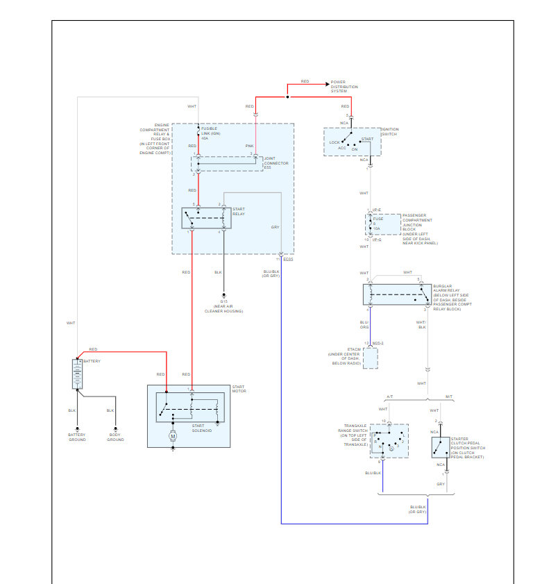
They give you .5 hours in the book. Check out the diagrams (Below). Please let us know if you need anything else to get the problem fixed.

Was this
answer
helpful?
Yes
No
Saturday, July 16th, 2011 AT 1:05 PM
Tiny
DON517
  • MEMBER
  • 3 POSTS
  • 2004 HYUNDAI ELANTRA
  • 140 MILES
Starter not cranking engine. Want to check if starter is bad. Or ign. Sw, ns sw, connecting wiring, relay. How do you check for open circuit or grounded wire? I was use meter to check conntinuity? But first I need to access starter. Was just replaced. And NS switch. And section of wiring harness. Very costly!
Was this
answer
helpful?
Yes
No
Saturday, April 25th, 2020 AT 2:24 PM (Merged)
Tiny
RASMATAZ
  • MECHANIC
  • 75,992 POSTS
See below
Was this
answer
helpful?
Yes
No
-1
Saturday, April 25th, 2020 AT 2:24 PM (Merged)
Tiny
RASMATAZ
  • MECHANIC
  • 75,992 POSTS
STARTER
Removal & Installation
Disconnect negative battery cable.
Remove speedometer cable and shift cable.
Disconnect starter motor electrical connector, solenoid battery cable terminal nut and remove cable.
Remove starter motor retaining bolts and remove starter motor
Was this
answer
helpful?
Yes
No
Saturday, April 25th, 2020 AT 2:24 PM (Merged)
Tiny
DON517
  • MEMBER
  • 3 POSTS
Thanks for your input! The wiring images were too blurry to read. Can you send clearer wiring diagrams. Thanks. I still need to know what components I have to remove to access the starter. Would you respond to that question?
Was this
answer
helpful?
Yes
No
Saturday, April 25th, 2020 AT 2:24 PM (Merged)
Tiny
RIVERMIKERAT
  • MECHANIC
  • 6,110 POSTS
Don, click on the thumbnail to expand the image. Then right click the image and select 'Save Image As." And save the image to your hard drive. You can then expand or print the image.
Was this
answer
helpful?
Yes
No
Saturday, April 25th, 2020 AT 2:24 PM (Merged)
Tiny
DON517
  • MEMBER
  • 3 POSTS
Thanks rivermikerat ! Expanding the image is not the problem. The image itself is blurry-blurry. You can not read it. Perhaps, you can resend it. Thanks. Don. Or suggest where I can find this wiring diagram?
Was this
answer
helpful?
Yes
No
Saturday, April 25th, 2020 AT 2:24 PM (Merged)
Tiny
RIVERMIKERAT
  • MECHANIC
  • 6,110 POSTS
Don, did you get this figured out yet?
Was this
answer
helpful?
Yes
No
Saturday, April 25th, 2020 AT 2:24 PM (Merged)
Tiny
INSTIFUL
  • MEMBER
  • 1 POST
  • 2003 HYUNDAI ELANTRA
  • 4 CYL
  • FWD
  • AUTOMATIC
  • 16,500 MILES
Could you please help me locate the starter on the above car?
Was this
answer
helpful?
Yes
No
Saturday, April 25th, 2020 AT 2:24 PM (Merged)
Tiny
BLUELIGHTNIN6
  • MECHANIC
  • 16,542 POSTS
Lower front left side on the engine block. All you have to do is follow the positive battery cable to the starter
Was this
answer
helpful?
Yes
No
+1
Saturday, April 25th, 2020 AT 2:24 PM (Merged)
Tiny
JOSHUASHELTON
  • MEMBER
  • 1 POST
  • 2002 HYUNDAI ELANTRA
  • 4 CYL
  • 2WD
  • AUTOMATIC
  • 90,000 MILES
I'm trying to fix the starter on my car but I cant locate it. Is it underneath? I hope not. Please help
Was this
answer
helpful?
Yes
No
Saturday, April 25th, 2020 AT 2:24 PM (Merged)
Tiny
BLUELIGHTNIN6
  • MECHANIC
  • 16,542 POSTS
If you have trouble locating starter motor, just follow the battery positive cable and it will go to the alternator and starter motor.
Was this
answer
helpful?
Yes
No
Saturday, April 25th, 2020 AT 2:24 PM (Merged)
Tiny
WILLIAM1221
  • MEMBER
  • 1 POST
  • 2000 HYUNDAI ELANTRA
  • 4 CYL
  • 2WD
  • MANUAL
I can not find my starter on my 2000 hyndai elantra
Was this
answer
helpful?
Yes
No
Saturday, April 25th, 2020 AT 2:24 PM (Merged)
Tiny
BLUELIGHTNIN6
  • MECHANIC
  • 16,542 POSTS
Easiest way to find starter is just follow the positive battery cable from battery terminal down through engine compartment, it will lead straight to the starter which will be mounted underneath front of vehicle near rear of engine.
Was this
answer
helpful?
Yes
No
+1
Saturday, April 25th, 2020 AT 2:24 PM (Merged)
Tiny
KASEKENNY
  • MECHANIC
  • 18,907 POSTS
I attached the process on how to replace the starter on this vehicle. This includes a location view to help find where it is. Please let us know if you need more info. Thanks
Was this
answer
helpful?
Yes
No
Saturday, April 25th, 2020 AT 5:05 PM

Please login or register to post a reply.