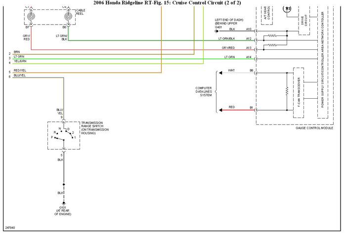
Friday, January 28th, 2011 AT 10:24 PM
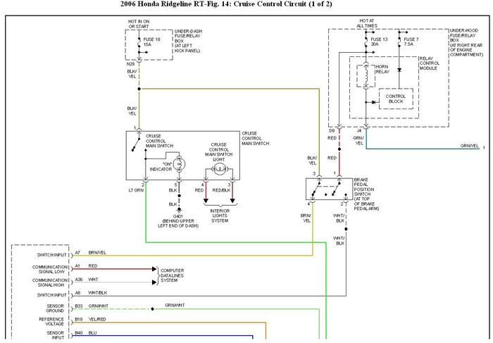
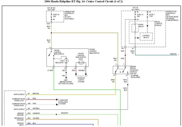
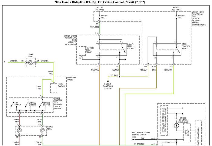
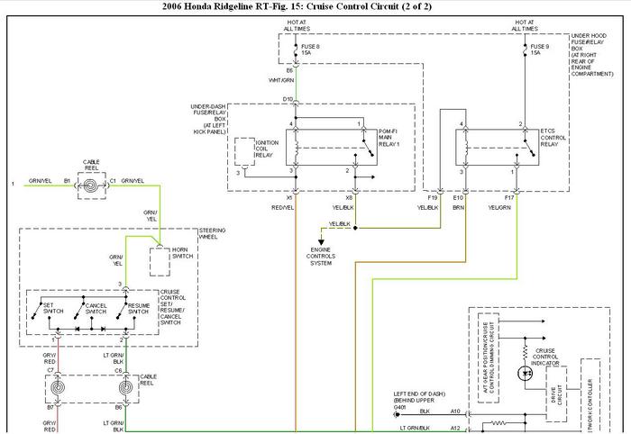
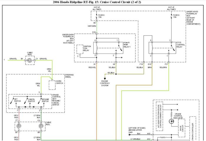
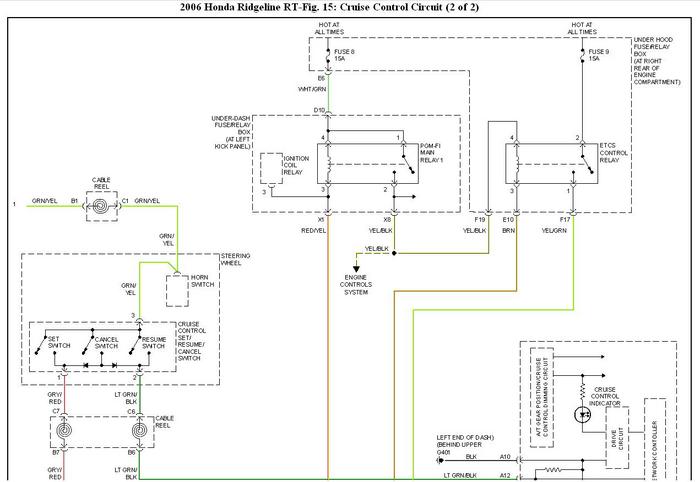
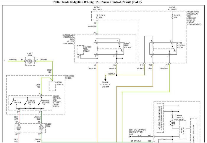
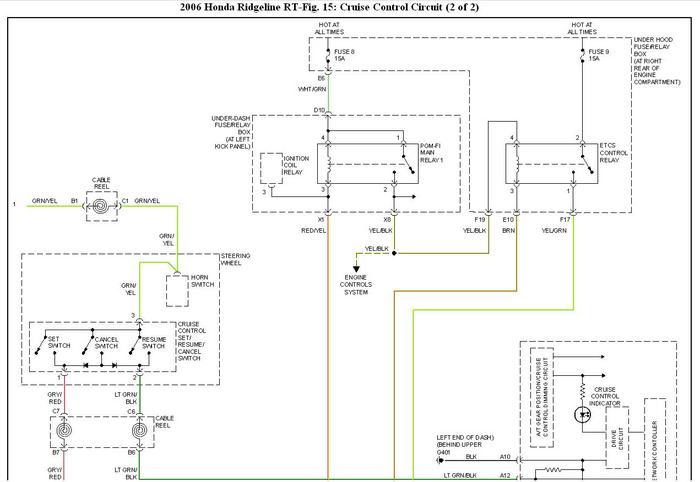
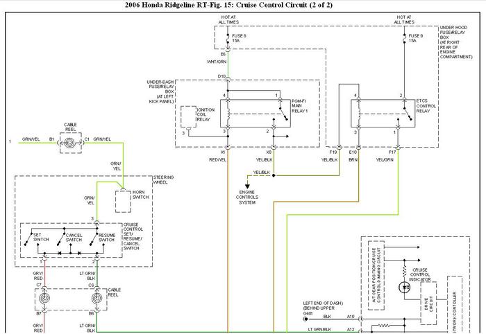
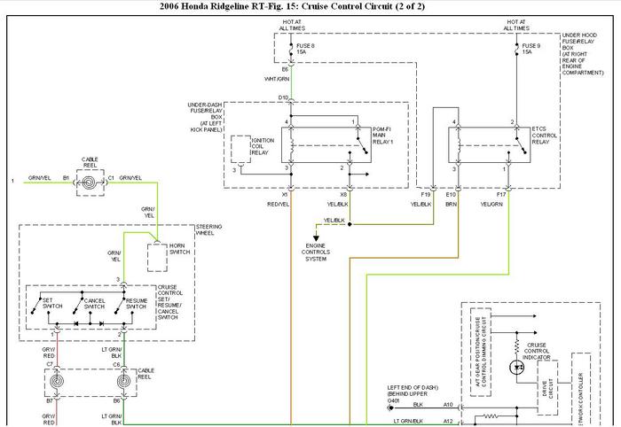
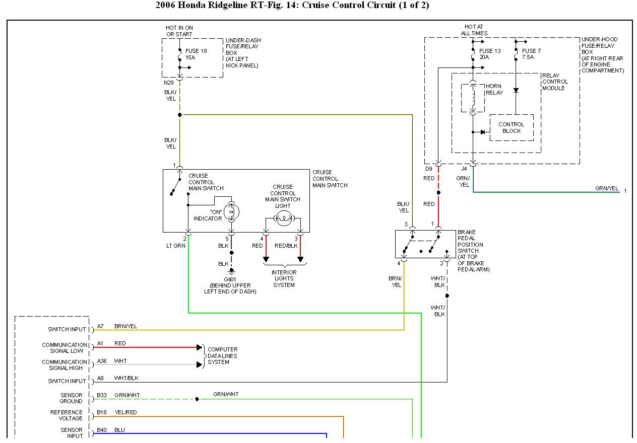
My 2006 Honda ridgeline cruise control will not engage. If I hold the (on) button in while pressing the activation button on the steering wheel the cruise control sets and holds until I release the on button. I dont see a bad fuse. I believe there is a relay problem. Where would I find the relay?






