Where are the relays and fuses

Tiny
2MCH4U2HNDL
  • MEMBER
  • 2006 FORD EXPEDITION
Where are the relays and fuses for the temperture control for heater
Wednesday, January 9th, 2013 AT 12:38 PM

8 Replies

Tiny
ASEMASTER6371
  • MECHANIC
  • 52,796 POSTS
There is a blend door motor in the center of the dash that is common for failing. as far as the rest. a fuse in the fuse box, test all with a test light. does the blower work??

This guide will help you check the fuse with the fuse panel diagrams below.

https://www.2carpros.com/articles/how-to-check-a-car-fuse

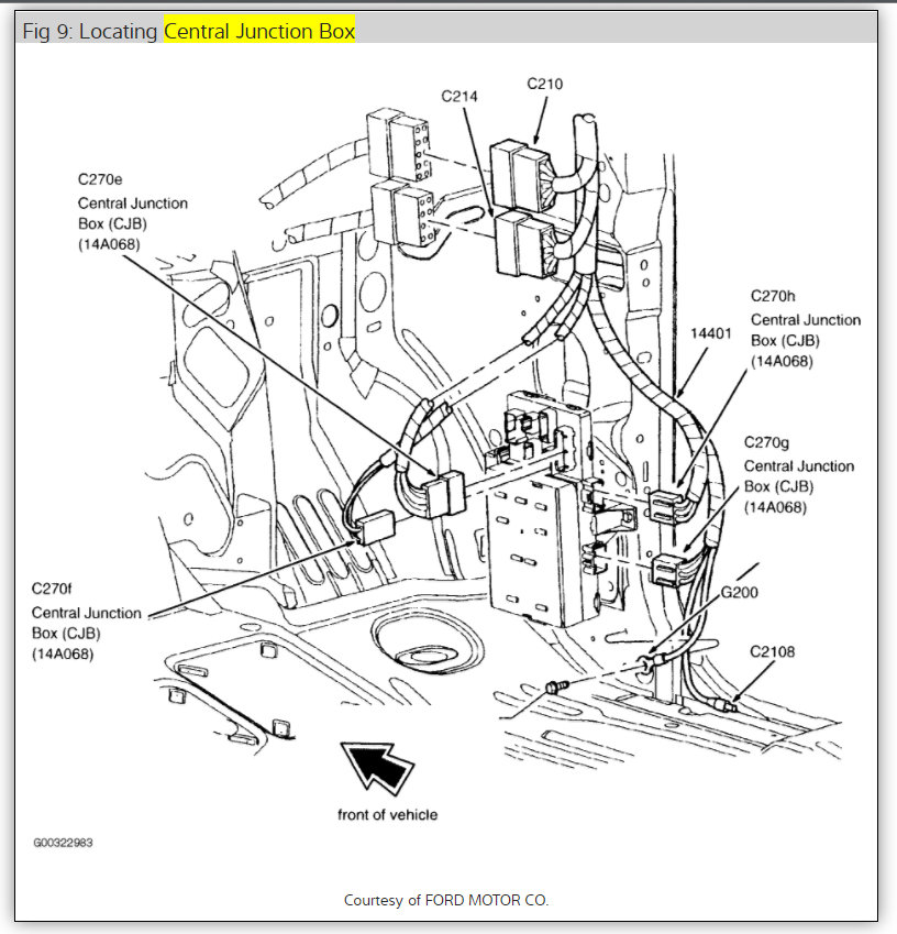
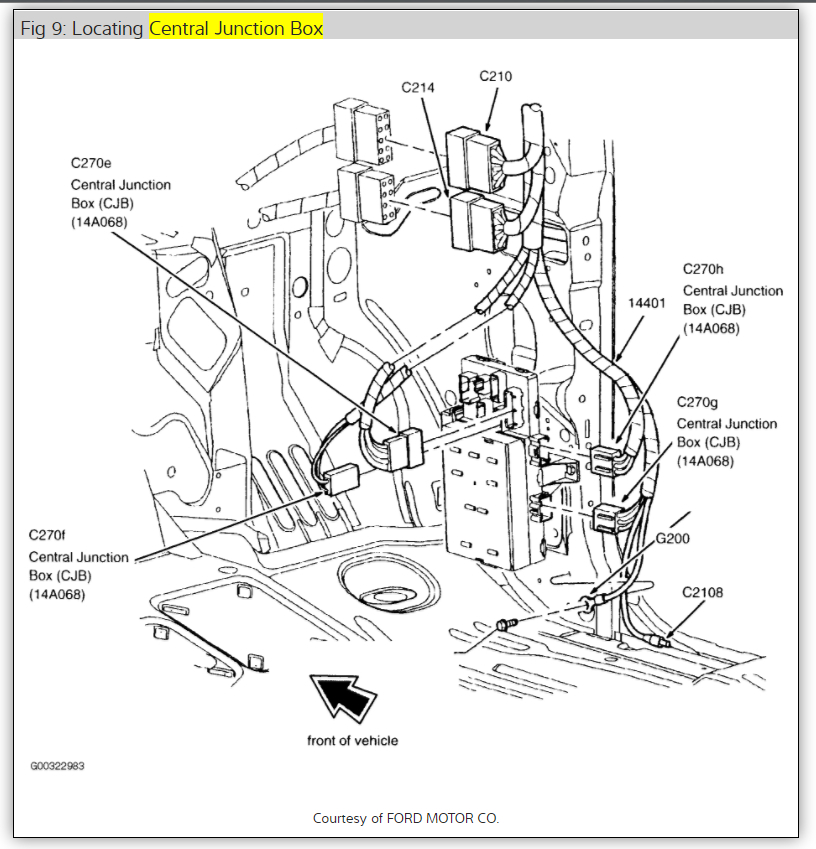
Check out the diagrams (Below). Please let us know what you find. We are interested to see what it is.
Was this
answer
helpful?
Yes
No
Wednesday, January 9th, 2013 AT 12:42 PM
Tiny
2MCH4U2HNDL
  • MEMBER
  • 4 POSTS
Yes the blower works. But it is not blowing out heat. The blend door was stuck open by objects removed that but still no heat
Was this
answer
helpful?
Yes
No
-1
Wednesday, January 9th, 2013 AT 12:57 PM
Tiny
ASEMASTER6371
  • MECHANIC
  • 52,796 POSTS
Those objects may have damaged the blend door actuator

Roy
Was this
answer
helpful?
Yes
No
Wednesday, January 9th, 2013 AT 1:06 PM
Tiny
2MCH4U2HNDL
  • MEMBER
  • 4 POSTS
So where is that and how do I fix it or how would I find that out if that's what wrong
Was this
answer
helpful?
Yes
No
-1
Wednesday, January 9th, 2013 AT 1:11 PM
Tiny
2MCH4U2HNDL
  • MEMBER
  • 4 POSTS
Would that cause it to not blow out heat tho. Or would there be another reason why it's not blowing heat
Was this
answer
helpful?
Yes
No
Wednesday, January 9th, 2013 AT 1:15 PM
Tiny
ASEMASTER6371
  • MECHANIC
  • 52,796 POSTS
The blend door motor controls the heat mode door. Common failure

Roy
Was this
answer
helpful?
Yes
No
Wednesday, January 9th, 2013 AT 2:05 PM
Tiny
QUWANDA PARKS
  • MEMBER
  • 1 POST
  • 2005 FORD EXPEDITION
  • 6 CYL
  • 2WD
  • AUTOMATIC
I need the location of the cigarette lighter fuse.
Was this
answer
helpful?
Yes
No
Saturday, November 23rd, 2019 AT 11:00 AM (Merged)
Tiny
WRENCHTECH
  • MECHANIC
  • 20,761 POSTS
It is powered by a 20amp fuse in the under dash box at the driver's side and the fuse is marked F2.41.

This guide will help you test for power check out the guides below

https://www.2carpros.com/articles/how-to-check-a-car-fuse

Check out the diagrams (Below). Please let us know if you need anything else to get the problem fixed.
Was this
answer
helpful?
Yes
No
+3
Saturday, November 23rd, 2019 AT 11:00 AM (Merged)

Please login or register to post a reply.