Wednesday, February 8th, 2012 AT 7:20 PM
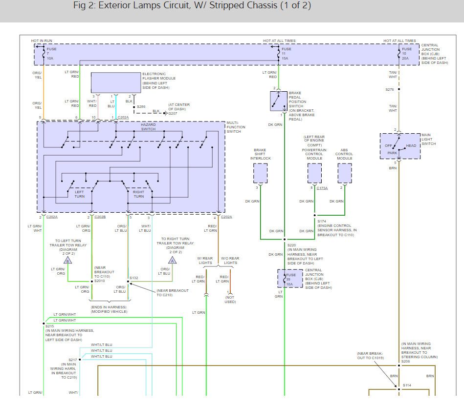
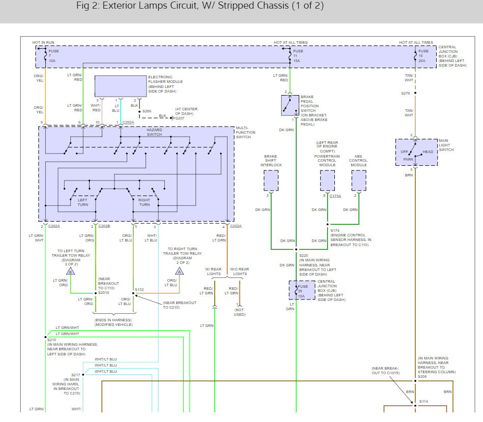
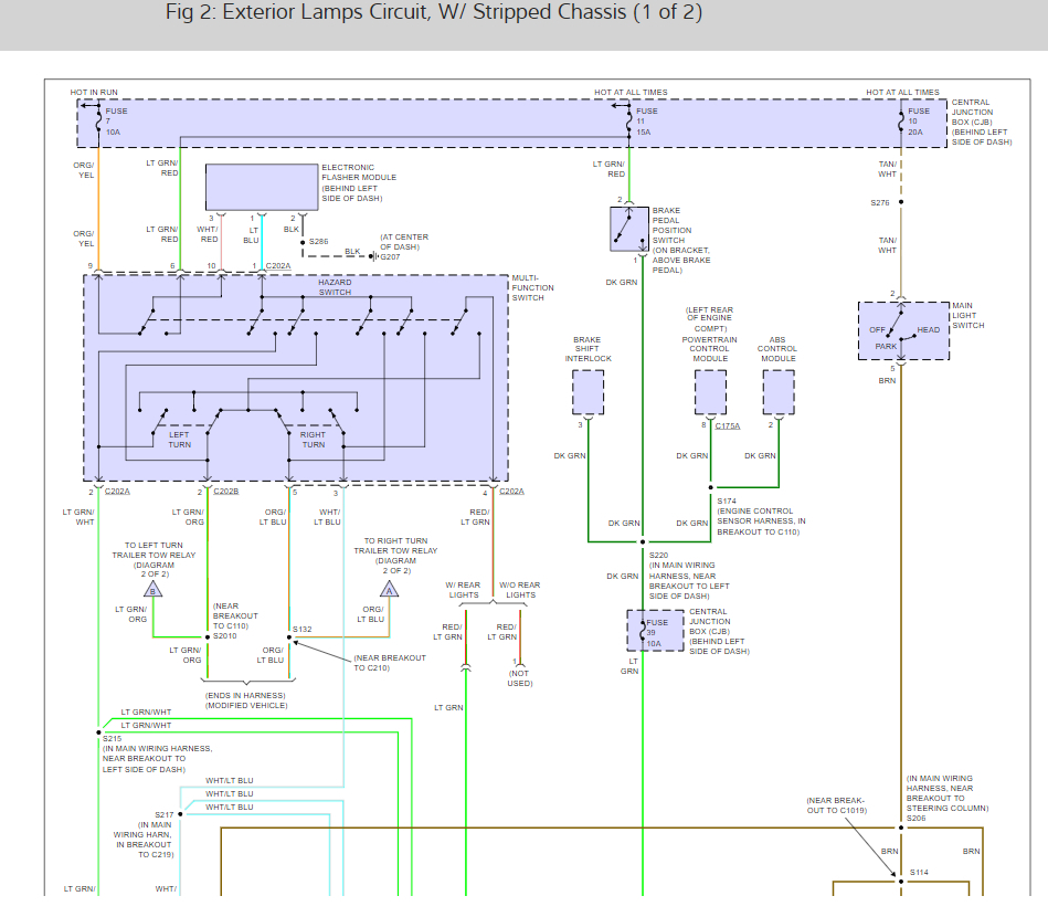
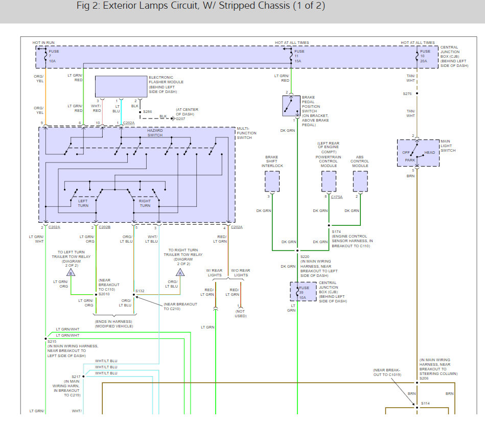
I have a E-250 Cargo Van that the dash lights went out. The illuminated gauge needles still light up but other than that there are no other dash lights. Recently I rented a moving truck that was roughly the same year/make/model, and it was having the same problem. All the fuses are good, I just cannot see all the lights except the needle lights going out at once. Is this a common problem?

















