Battery light?

Tiny
RHONDAHURLEY1030
  • MEMBER
  • 2006 FORD FIVE HUNDRED
  • 10,300 MILES
Battery light and check charging system is coming on. Replaced battery and alternator, both warning lights are coming on and going off and the car is dead.
Monday, April 23rd, 2012 AT 12:16 AM

9 Replies

Tiny
ASEMASTER6371
  • MECHANIC
  • 52,796 POSTS
Hello,

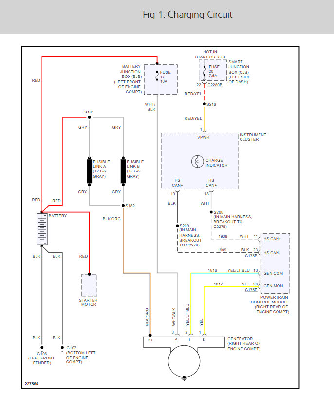
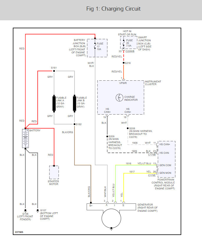
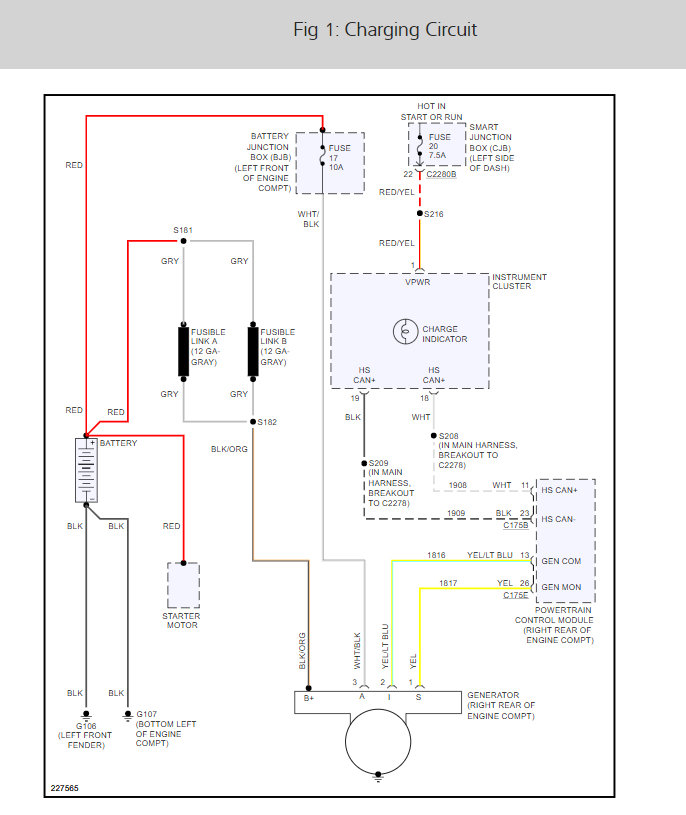
There is a fuse #5 and # 20 in the fuse panel we need to check for power. Here is a guide to help you with the fuse location along with the alternator wiring diagrams so you can see how the system works.

https://www.2carpros.com/articles/how-to-check-a-car-fuse

Check out the diagrams (Below). Please let us know what you find. We are interested to see what it is.
Was this
answer
helpful?
Yes
No
Monday, April 23rd, 2012 AT 12:17 AM
Tiny
RHONDAHURLEY1030
  • MEMBER
  • 2 POSTS
Checked fuses and #5 was popped, all fixed thanks for your help. I love this site.
Was this
answer
helpful?
Yes
No
+1
Monday, April 23rd, 2012 AT 12:29 AM
Tiny
ASEMASTER6371
  • MECHANIC
  • 52,796 POSTS
Nice work, we are here to help, please use 2CarPros anytime.
Was this
answer
helpful?
Yes
No
-1
Monday, April 23rd, 2012 AT 12:35 AM
Tiny
GAOSPRING
  • MEMBER
  • 1 POST
  • 2005 FORD FIVE HUNDRED
  • 6 CYL
  • FWD
  • AUTOMATIC
  • 75,000 MILES
The battery light stays on while the car is running. I have my car checked at Advanced Auto Parts and it shows that battery, starter and the charging system are all working fine. So what could be the problem?
Was this
answer
helpful?
Yes
No
+1
Friday, August 23rd, 2019 AT 4:30 PM (Merged)
Tiny
RASMATAZ
  • MECHANIC
  • 75,992 POSTS
Have it checked if the computer controls the alternator field generation-I have no reference on this yr/model
Was this
answer
helpful?
Yes
No
-1
Friday, August 23rd, 2019 AT 4:30 PM (Merged)
Tiny
VICTORIA2001TAURUS
  • MEMBER
  • 2 POSTS
  • 2001 FORD FIVE HUNDRED
  • 6 CYL
  • 2WD
  • AUTOMATIC
  • 124,000 MILES
I don't know what's wrong with it the battery light is on but I put a new battery and alternator in it and it smokes from the passenger side and I don't know why
Was this
answer
helpful?
Yes
No
Friday, August 23rd, 2019 AT 4:31 PM (Merged)
Tiny
CARADIODOC
  • MECHANIC
  • 34,489 POSTS
Please use some punctuation, otherwise your description can be interpreted three different ways. Can you see what is smoking? Is it from the belt slipping or could it be electrical in nature? Use an inexpensive digital voltmeter to measure the voltages on the wires that plug into the generator on the back and holler back with those numbers.
Was this
answer
helpful?
Yes
No
Friday, August 23rd, 2019 AT 4:31 PM (Merged)
Tiny
VICTORIA2001TAURUS
  • MEMBER
  • 2 POSTS
Ok I went to auto zone and and they check the voitage and they said that tha alternator and battery was bad and my battery light is still on with those brand new things. So we know its electrical somewhere jus don't know where. My car doesn't over heat but after driving for like 20 mins it starts to smoke from the bottom of the passanger side
Was this
answer
helpful?
Yes
No
+1
Friday, August 23rd, 2019 AT 4:31 PM (Merged)
Tiny
CARADIODOC
  • MECHANIC
  • 34,489 POSTS
Use an inexpensive digital voltmeter to measure the voltages on the wires that plug into the generator on the back and holler back with those numbers. Unless they changed the wire colors, you should have a yellow wire that must have 12 volts all the time. If it is missing, suspect a blown 15 amp blue fuse. The fat output wire must also have full battery voltage on it all the time. The green / red wire will have about 2.0 volts when the ignition switch is on and the battery light is on. That wire is supposed to go to full battery voltage when the generator is working.
Was this
answer
helpful?
Yes
No
Friday, August 23rd, 2019 AT 4:31 PM (Merged)

Please login or register to post a reply.